电脑桌面
添加小米粒文库到电脑桌面
安装后可以在桌面快捷访问

电气装置接地的规定VIP专享VIP免费

电气装置接地的规定_第1页
1/22
电气装置接地的规定_第2页
2/22
电气装置接地的规定_第3页
3/22
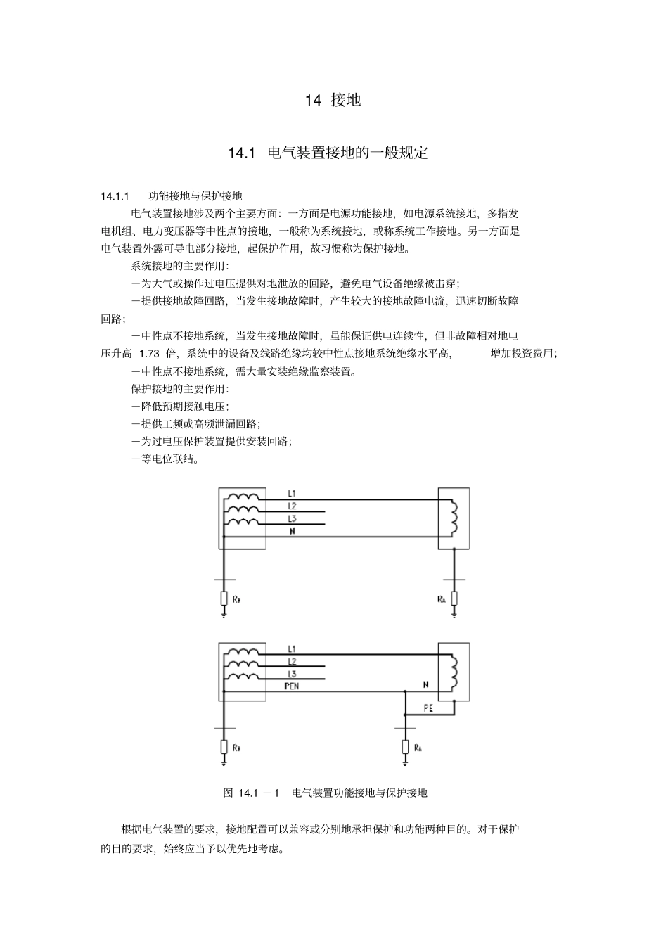
14接地14.1电气装置接地的一般规定14.1.1功能接地与保护接地电气装置接地涉及两个主要方面:一方面是电源功能接地,如电源系统接地,多指发电机组、电力变压器等中性点的接地,一般称为系统接地,或称系统工作接地。另一方面是电气装置外露可导电部分接地,起保护作用,故习惯称为保护接地。系统接地的主要作用:-为大气或操作过电压提供对地泄放的回路,避免电气设备绝缘被击穿;-提供接地故障回路,当发生接地故障时,产生较大的接地故障电流,迅速切断故障回路;-中性点不接地系统,当发生接地故障时,虽能保证供电连续性,但非故障相对地电压升高1.73倍,系统中的设备及线路绝缘均较中性点接地系统绝缘水平高,增加投资费用;-中性点不接地系统,需大量安装绝缘监察装置。保护接地的主要作用:-降低预期接触电压;-提供工频或高频泄漏回路;-为过电压保护装置提供安装回路;-等电位联结。图14.1-1电气装置功能接地与保护接地根据电气装置的要求,接地配置可以兼容或分别地承担保护和功能两种目的。对于保护的目的要求,始终应当予以优先地考虑。接地配置的设施的选择和安装应满足:-接地电阻值符合电气装置的功能和保护要求,并预计长期有效;-能承受接地故障电流和对地泄漏电流而无危险,特别是热的、热-机械应力、电机械应力引起的危害;-有足够的强度或有附加的机械保护,以适应所在场所的外部的影响;-应采取措施,防止由于电腐蚀作用对接地配置的设施和其它金属部分造成危害。14.1.2变电所的接地配置10kV系统中性点接地可分为:中性点不接地系统(包括经消弧线圈接地)中性点接地系统经电阻接地低电阻接地高电阻接地14.1.2.1中性点不接地系统(1)接地故障特点配电系统在正常运行时,三相基本平衡电压作用下,各相对地电容电流ICL1、ICL2、ICL3相等,分别超前相电压90°,ICL1=ICL2=ICL3=UΦωC,其ICL1+ICL2+ICL3=0,系统中性点与地有相同电位。如L1相发生接地故障,忽略接地过渡电阻,视为金属性接地,10kV系统各支路的电容电流的流向如下图所示:图14.1-210kV系统接地故障示意从10kV系统接地故障示意图可以得出结论:a)全系统所有非故障的各支路,故障相的电容电流均为零,非故障相均有电容电流;b)在故障支路,故障相流过所有各支路的电容电流的总和;c)故障支路的电容电流其方向由负载流向电源,非故障各支路的电容电流其方向由电源流向负载;d)故障支路检测的零序电流为各非故障支路电容电流总和;e)接地故障电流大小与接地故障点的位置无关,只与接地故障点的过渡电阻有关。10kV系统接地故障,电压与电流矢量关系如下图所示:图14.1-310kV系统接地故障矢量图L1相发生接地故障,相当于在L1相上加上U0=-UL1,L2相L3相也加上U0=-UL1,非故障相对地电压升高3倍,其夹角由120°变成60°,合成的电容电流增大3倍,接地故障电流为单相电容电流的3倍,Id=3UΦωC。(2)优缺点a)接地故障引起系统内部过电压可达3.5~4倍相电压,易使设备和线路绝缘被击穿。b)油浸纸绝缘电力电缆达20A,聚乙烯绝缘电力电缆达15A,交联聚乙烯绝缘电力电缆达10A,接地故障电流引燃电弧则不能自熄,引起间歇电弧,产生过电压易产生相间短路或火灾;c)非故障相对地电压升高3倍。系统内设备或电缆绝缘等级相应提高,例如,10kV电力电缆应选用8.7/10kV而不是6/10kV;无间隙氧化锌避雷器,提高持续运行电压数值或加串联保护间隙等;d)发生接地故障时,报警而不切断故障支路,保证供电的连续性;e)接地故障在一段时间内存在,接地故障电压易使人遭受电击或引起火灾,如下图14.1-4所示.14.1.2.2中性点低电阻接地系统根据接地故障电流大小,划分低电阻或高电阻接地。当接地故障电流大于或等于100A而小于或等于1000A时,为低电阻接地方式;接地故障电流小于10A时,为高电阻接地方式。低电阻接地方式的接地故障电流一般情况下选择为300A~800A,10kV系统低电阻接地方式接地电阻不同地区选择为10Ω或16Ω。图14.1-4高压接地故障电压传导到低压侧为了将系统内谐振过电压倍数限制在2.5以下,流过中性点电阻性电流IR要大于或等于系统电容性电流IC的1.5。低电阻接地方式,增大接地故障电...

1、当您付费下载文档后,您只拥有了使用权限,并不意味着购买了版权,文档只能用于自身使用,不得用于其他商业用途(如 [转卖]进行直接盈利或[编辑后售卖]进行间接盈利)。
2、本站所有内容均由合作方或网友上传,本站不对文档的完整性、权威性及其观点立场正确性做任何保证或承诺!文档内容仅供研究参考,付费前请自行鉴别。
3、如文档内容存在违规,或者侵犯商业秘密、侵犯著作权等,请点击“违规举报”。

碎片内容

电气装置接地的规定

爱的疯狂+ 关注
实名认证
内容提供者

该用户很懒,什么也没介绍

确认删除?
VIP
微信客服
  • 扫码咨询
会员Q群
  • 会员专属群点击这里加入QQ群
客服邮箱
回到顶部