电脑桌面
添加小米粒文库到电脑桌面
安装后可以在桌面快捷访问

电炉操作规程讲解VIP免费

电炉操作规程讲解_第1页
1/38
电炉操作规程讲解_第2页
2/38
电炉操作规程讲解_第3页
3/38
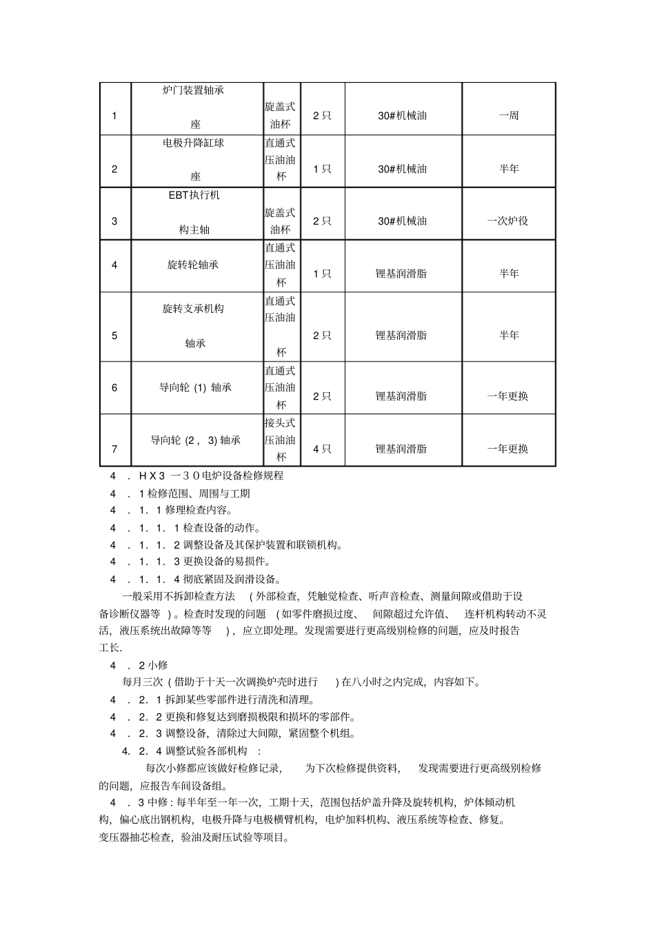
2.2.10水冷炉盖的炉前操作2.2.10.1启用2.2.10.1.1检查水冷炉盖总进水压力是否达到工作压力。2.2.10.1.2打开总进水阀,检查水冷炉盖奋进出水阀是否打开。2.2.10.1.3操作炉体分别向出钢和炉门方向倾动(以利放气)。2.2.10.1.4打开放气阀,放气数秒至流出水为止。2.2.10.1.5检查水冷炉盖水流量应>150m3/h,水冷炉盖各部应无泄漏。2.2.10.1.6检查水冷炉盖保护耐材是否完好。2.2.10.2正常使用2.2.10.2.1在热炉状态下,根据水冷炉盖各部温度显示,进行流量调节,进水温度<35℃(大于30℃报警),各点回水温度应<45℃(在无漏水非常特殊情况下,短时极限要<60℃),并在使用时经常检查。2.2.10.2.2同一构件进出水温度差控制在5~7℃。2.2.10.2.3每次进料前检查水冷炉盖耐材保护情况。2.2.10.3停用2.2.10.3.1必须在水冷炉盖确认完全冷却后,方可进行。2.2.10.3.2打开炉门,关闭总进水阀.2.2.11水冷炉壁的炉前操作2.2.11.1启用2.2.11.1.1检查水冷炉壁总进水压力是否达到工作压力。2.2.1l.1.2打开总进水阀,检查水冷炉壁各进水阀是否打开。2.2.11.1.3操作炉体分别向出钢和炉门方向(以利排气).2.2.l1.1.4打开上炉壳上各放气阀,放气数秒至流水为止。2.2.11.1.5确认水冷炉壁水流量应>120m3/h,确认水冷炉壁各部无泄漏。2.2.11.1.6检查水冷炉壁保护耐材是否完好。2.2.11.2正常使用2.2.1l.2.1在热炉状态下,根据水冷炉壁各部温度显示,进行流量调节,进水温度<35℃(大于30℃报警),各点回水温度<45℃,(在无泄漏非常特殊情况下,短时极限要<60~C)并在使用时,经常检查。2.2.11.2.2同一构件进出水温度差应控制在5~7℃。2.2.11.2.3每次进料前,出钢后检查水冷炉壁耐材保护情况。2.2.11.3停用2.2.11.3.1必须在水冷炉壁确认完全冷却后,方可进行。2.2.11.3.2打开炉门。2.2.11.3.3关闭总进水阀。3.HX3—30电炉设备维护规程3.1炉盖升降及旋转机构的维护3.1.1经常检查水冷炉盖及水冷炉壁的通水情况,如发现上述构件及管道漏水时,应及时通知值班人员进行处理。3.1.2经常检查吊挂炉盖连杆的连接孔是否被拉伸变形,如有问题及时处理。3.1.3经常检查炉盖升降及旋转的液压传动机构,如发现转不灵活,应及时通知值班人员进行处理。3.1.4支撑轮应运转灵活,轴向不允许串动,如有串动现象应通知值班人员进行处理。3.1.5旋转支撑机构,应转动灵活,支撑轴应不发生转动,如有转动现象应及时进行处理。3.1.6旋转导轨面应无垃圾杂物。周围场地班班要清理。3.2炉体倾动机构的维护;3.2.1经常检查水平垫块的气动装置传动是否灵活,压缩空气的压力是否满足生产要求,当水平垫块伸出或缩回有卡阻现象时,应通知值班人员进行处理3.2.2经常检查旋转支撑机构转动是否灵活,压缩空气的压力是否达到规定要求,转动不灵时应及时进行处理.3.2。3经常检查炉体倾动液压系统各零、部件动作是否灵活,液压系统的压力是否满足生产要求。3.2.4经常检查液压系统和气动系统是否有泄漏现象,如有漏油或漏气现象应及时处理,并经常对液压油进行过滤,避免擦伤液压缸。3.2.5经常检查水平轨座面,应做到无垃圾与杂物。3.3偏心底出钢机构的维护;3.3.l经常检查启闭旋转油缸,启闭保险油缸,保证这两油缸传动灵活,无卡阻现象。3.3.2经常检查启闭旋转油缸有无泄漏,启闭保险油缸的压力,液压油油质,密封圈的状况等,如有导常情况,及时处理。3.3.3要特别注重保险油缸的锁定一定耍稳,以防误动作而造成事故。3.3.4由于偏心底出钢机构在较高温度下工作,对旋转臂,旋转轴,箱底都采用水循环冷却,要经常注意冷却效果。3.4电极升降与电极横臂机构维护。3.4.1经常检查滚轮与立柱导轨面的接触间隙,发现滚轮转动不灵活,或升降时出现阻卡现象时要及时处理。3.4.2经常检查直径为220mm电极升降液压缸运行情况.如有异常要及时处理。3.4.3电极横臂绝缘部位和导电部位不准接触异物,以免送电时造成短路事故。3.4.4电极水喷淋装置,由耐热不锈钢管弯制而成,应经常注视调节进水,进...

1、当您付费下载文档后,您只拥有了使用权限,并不意味着购买了版权,文档只能用于自身使用,不得用于其他商业用途(如 [转卖]进行直接盈利或[编辑后售卖]进行间接盈利)。
2、本站所有内容均由合作方或网友上传,本站不对文档的完整性、权威性及其观点立场正确性做任何保证或承诺!文档内容仅供研究参考,付费前请自行鉴别。
3、如文档内容存在违规,或者侵犯商业秘密、侵犯著作权等,请点击“违规举报”。

碎片内容

电炉操作规程讲解

您可能关注的文档

确认删除?
VIP
微信客服
  • 扫码咨询
会员Q群
  • 会员专属群点击这里加入QQ群
客服邮箱
回到顶部