电脑桌面
添加小米粒文库到电脑桌面
安装后可以在桌面快捷访问

会议系统巡检VIP免费

会议系统巡检_第1页
1/6
会议系统巡检_第2页
2/6
会议系统巡检_第3页
3/6
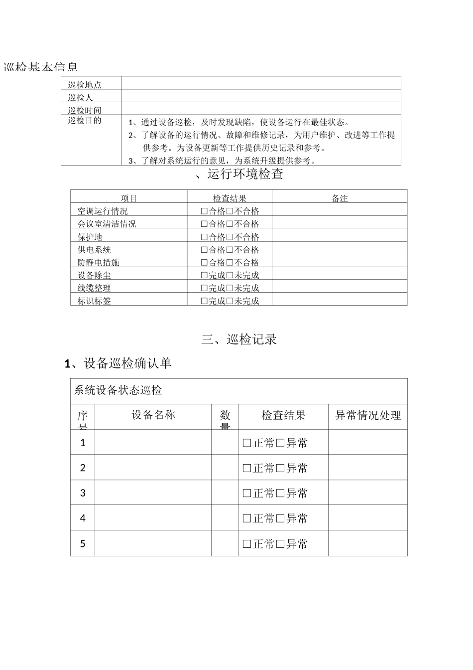
会议系统巡检2019年4月巡检基本信息巡检地点巡检人巡检时间巡检目的1、通过设备巡检,及时发现缺陷,使设备运行在最佳状态。2、了解设备的运行情况、故障和维修记录,为用户维护、改进等工作提供参考。为设备更新等工作提供历史记录和参考。3、了解对系统运行的意见,为系统升级提供参考。、运行环境检查项目检查结果备注空调运行情况□合格□不合格会议室清洁情况□合格□不合格保护地□合格□不合格供电系统□合格□不合格防静电措施□合格□不合格设备除尘□完成□未完成线缆整理□完成□未完成标识标签□完成□未完成三、巡检记录1、设备巡检确认单系统设备状态巡检序号设备名称数量检查结果异常情况处理1□正常□异常2□正常□异常3□正常□异常4□正常□异常5□正常□异常、6□正常□异常7□正常□异常8□正常□异常9□正常□异常10□正常□异常11□正常□异常12□正常□异常13□正常□异常14□正常□异常15□正常□异常16□正常□异常17□正常□异常18□正常□异常19□正常□异常20□正常□异常2、会议功能检测序号会议功能测试方式是否正常异常情况处理□正常□异常□正常□异常□正常□异常□正常□异常□正常□异常□正常□异常□正常□异常□正常□异常□正常□异常3、设备功能检查序号检查项目是否正常异常情况处理视频终端功能检查1视频输入□正常□异常2视频输出□正常□异常3音频输入□正常□异常4音频输出□正常□异常5会议功能□正常□异常视频矩阵功检查1视频切换□正常□异常调音台功能检查1音频输入□正常□异常2音频输出□正常□异常音频功能检查1话筒□正常□异常2音频输入输出□正常□异常3音箱□正常□异常其他辅助系统1升降机□正常□异常2投影机□正常□异常3投影幕□正常□异常四、巡检总结巡检总结运行稳定口急需维护口存在风险口意见建议

1、当您付费下载文档后,您只拥有了使用权限,并不意味着购买了版权,文档只能用于自身使用,不得用于其他商业用途(如 [转卖]进行直接盈利或[编辑后售卖]进行间接盈利)。
2、本站所有内容均由合作方或网友上传,本站不对文档的完整性、权威性及其观点立场正确性做任何保证或承诺!文档内容仅供研究参考,付费前请自行鉴别。
3、如文档内容存在违规,或者侵犯商业秘密、侵犯著作权等,请点击“违规举报”。

碎片内容

会议系统巡检

您可能关注的文档

确认删除?
VIP
微信客服
  • 扫码咨询
会员Q群
  • 会员专属群点击这里加入QQ群
客服邮箱
回到顶部