电脑桌面
添加小米粒文库到电脑桌面
安装后可以在桌面快捷访问

危险化学品危险特性表VIP免费

危险化学品危险特性表_第1页
1/11
危险化学品危险特性表_第2页
2/11
危险化学品危险特性表_第3页
3/11
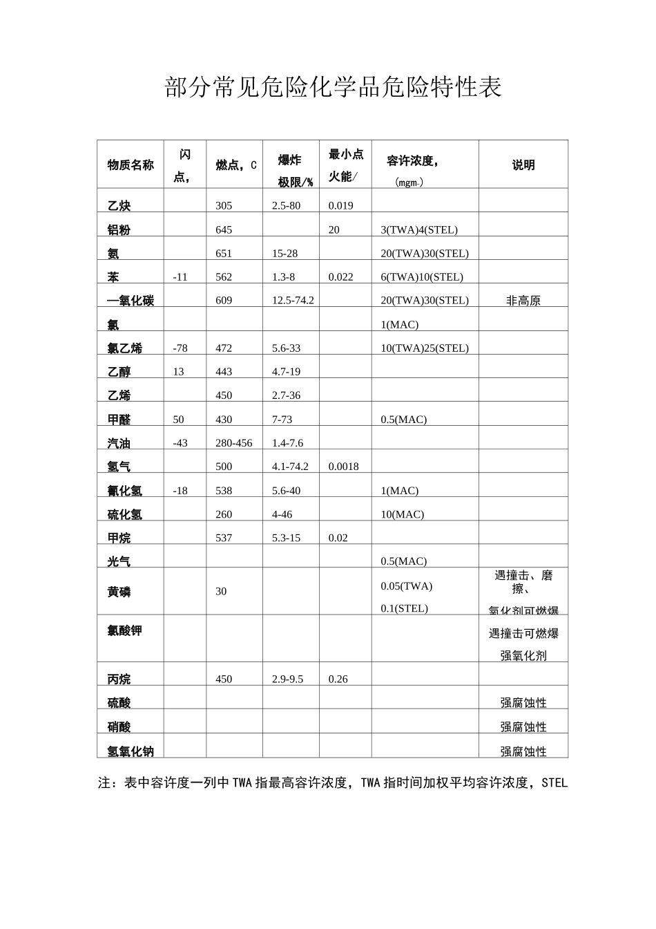
部分常见危险化学品危险特性表物质名称闪点,°C燃点,C爆炸极限/%最小点火能/mj容许浓度,(mgm-)说明乙炔3052.5-800.019铝粉645203(TWA)4(STEL)氨65115-2820(TWA)30(STEL)苯-115621.3-80.0226(TWA)10(STEL)—氧化碳60912.5-74.220(TWA)30(STEL)非高原氯1(MAC)氯乙烯-784725.6-3310(TWA)25(STEL)乙醇134434.7-19乙烯4502.7-36甲醛504307-730.5(MAC)汽油-43280-4561.4-7.6氢气5004.1-74.20.0018氰化氢-185385.6-401(MAC)硫化氢2604-4610(MAC)甲烷5375.3-150.02光气0.5(MAC)黄磷300.05(TWA)0.1(STEL)遇撞击、磨擦、氧化剂可燃爆氯酸钾遇撞击可燃爆强氧化剂丙烷4502.9-9.50.26硫酸强腐蚀性硝酸强腐蚀性氢氧化钠强腐蚀性注:表中容许度一列中TWA指最高容许浓度,TWA指时间加权平均容许浓度,STEL机械务害事故的防范措施机械伤害事故的防范措施有:(一)检修机械必须严格执行断电,挂禁止合闸警示牌和设专人监护的制度。机械断电后,必须确认其惯性运转已彻底消除后才可进行工作。机械检修完毕,试运转前,必须对现场进行细致检查,确认机械部位人员全部彻底撤离才可取牌合闸。检修试车时,严禁有人留在设备内进行点车。(二)炼胶机等人手直接频繁接触的机械,必须有完好紧急制动装置,制动钮位置必须使操作者在机械作业活动范围内随时可触及到;机械设备各传动部位必须有可靠防护装置;各入孔、投料口、螺旋输送机等部位必须有盖板、护栏和警示牌;作业环境保持整洁卫生。(三)各机械开关布局必须合理,必须符合两条标准:一是便于操作者紧急停车;二是避免误开动其他设备。(四)对机械进行清理积料、桶卡料、上皮带腊等作业,应遵守停机断电挂警示牌制度。(五)严禁无关人员进入危险因素大的机械作业现场,非柄机械作业人员因事必须进入的,要先与当班操作者取阳联系,有安全措施才可同意进入。(六)操作各种机械人员必须经过专业培训,能掌握设备性技能的基础知识,经考试合格,持证上岗。上岗作业中,必须精心操作,严格执行有关规章制度,正确使用劳动防护用品,严禁无证人员开动机械设备。中暑的预防在高温作业环境中劳动,能引起一系列人体生理变化,这时皮肤血管扩张、皮肤温度升高,心脏输出血量增加,以加强散热,但如还不能满足机体散热的需要时,体内将有热量蓄积,可能引起人的中暑。高温作业中的防暑工作,应采取综合性措施。综合性措施包括技术、卫生保健、组织管理等三个方面。技术措施包括改革工艺流程,尽量实现机械化,减少高温产品在工作地点的暴露时间,减少人接触的机会;车间内部安排要合理,各处热源要安排在主导风向的下风处,对热源要采取隔绝措施;加强通风降温,高温车间应设进气口的开侧作,利用空气对流进行通风降温,如自然通风不能满足降温要救时可采用机械通风措施;卫生保健措施包括供给职工含盐饮料,以补充大量出汗而损失的水分和盐分;加强个人防护,根据高温作业的特点配给工人防热服及其他防护用品;加强医疗预防工作,对职工进行就业前和入暑前的体格检查工作,不适宜从事高温作业的,不得从事该项工作;组织管理工作包括做好宣传教育,开展群众性的防暑降温工作;制定合理的劳动休息制度,安排好工间休息,增加工间休息次数,保证高温作业人员有足够的休息。引发事故的人为原因分析据统计,由于“三违”现象造成的事故占事故总数的70%以上。这充分说明“人因”在预防事故中起到非常重要的作用。与事故人因相关的行为表现是:(一)自以为是,习以为常。自己认为长年从事该项工作委有经验,习以为常,满不在乎,当工作条件和环境发生变化后没有全面分析周围环境,没有进行日常检查,没有意识到操作方法错误,没有注意到异常情况,放松警惕,一旦遇到突发事件,惊惶失措,没有采取有效措施,造成事故。(二)心存侥幸,总觉得没事。在遇到难干、麻烦的工作时,只图省事、省力侥幸完成任务,虽然感到操作有一些危险,但认为问题不大,不按操作规程执行,导致事故发生。这种现象在日常工作中随处可见,也是造成事故的主要原因之一。(三)技术不熟,能力不够,冒险蛮干。自己没有工作能力和经验,又不向他人请教,没有感觉到危险的存在,而...

1、当您付费下载文档后,您只拥有了使用权限,并不意味着购买了版权,文档只能用于自身使用,不得用于其他商业用途(如 [转卖]进行直接盈利或[编辑后售卖]进行间接盈利)。
2、本站所有内容均由合作方或网友上传,本站不对文档的完整性、权威性及其观点立场正确性做任何保证或承诺!文档内容仅供研究参考,付费前请自行鉴别。
3、如文档内容存在违规,或者侵犯商业秘密、侵犯著作权等,请点击“违规举报”。

碎片内容

危险化学品危险特性表

您可能关注的文档

确认删除?
VIP
微信客服
  • 扫码咨询
会员Q群
  • 会员专属群点击这里加入QQ群
客服邮箱
回到顶部