电脑桌面
添加小米粒文库到电脑桌面
安装后可以在桌面快捷访问

高中化学 专题1 化学反应与能量变化 第二单元 化学能与电能的转化 第4课时 电解原理的应用学案 苏教版选修4-苏教版高二选修4化学学案VIP免费

高中化学 专题1 化学反应与能量变化 第二单元 化学能与电能的转化 第4课时 电解原理的应用学案 苏教版选修4-苏教版高二选修4化学学案_第1页
1/14
高中化学 专题1 化学反应与能量变化 第二单元 化学能与电能的转化 第4课时 电解原理的应用学案 苏教版选修4-苏教版高二选修4化学学案_第2页
2/14
高中化学 专题1 化学反应与能量变化 第二单元 化学能与电能的转化 第4课时 电解原理的应用学案 苏教版选修4-苏教版高二选修4化学学案_第3页
3/14
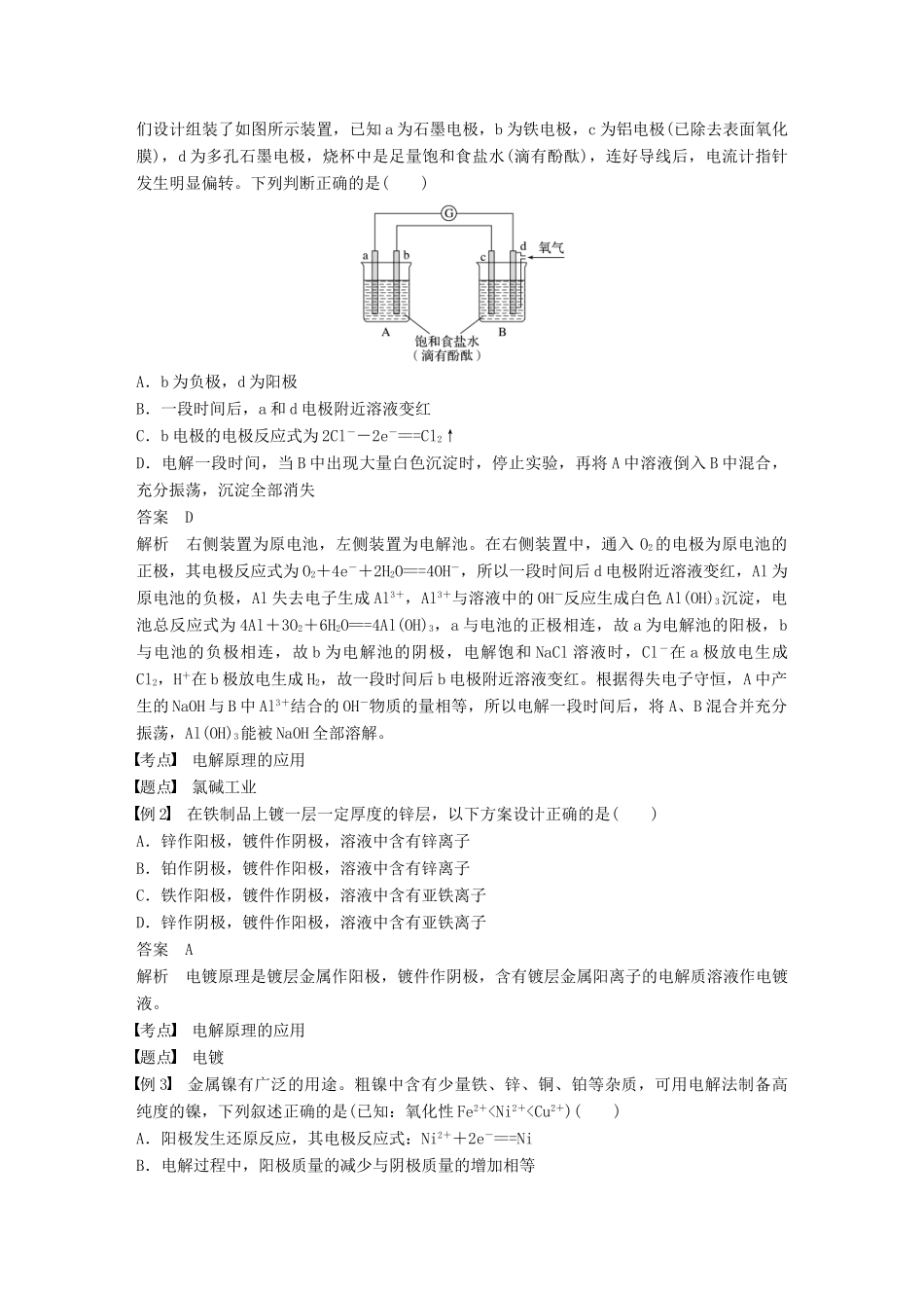
第4课时电解原理的应用[学习目标定位]知识内容必考要求加试要求金属冶炼、氯碱工业、电镀在生产生活中的应用。b课时要求1.熟知电解饱和食盐水、电镀、电解精炼铜、电冶金的原理,会写其电极反应式及化学方程式。2.学会电解的有关计算。一、电解原理的应用1.氯碱工业(1)概念:用电解饱和氯化钠溶液的方法来制取氢氧化钠、氢气和氯气,并以它们为原料生产一系列化工产品的工业,称为氯碱工业。(2)原理①通电前,氯化钠溶液中含有的离子是Na+、Cl-、H+、OH-。通电时,移向阳极的离子是Cl-、OH-,移向阴极的离子是Na+、H+。②阳极反应式为2Cl--2e-===Cl2↑;阴极反应式为2H++2e-===H2↑;因H+放电,促进了水的电离,使阴极区溶液显碱性。③电解的总反应式化学方程式为2NaCl+2H2O=====H2↑+Cl2↑+2NaOH;离子方程式为2Cl-+2H2O=====H2↑+Cl2↑+2OH-。(3)氯碱工业生产流程①阳离子交换膜电解槽②阳离子交换膜的作用:只允许Na+等阳离子通过,不允许Cl-、OH-等阴离子及气体分子通过,可以防止阴极产生的氢气与阳极产生的氯气混合发生爆炸,也能避免氯气与阴极产生的氢氧化钠反应而影响氢氧化钠的产量和质量。2.电镀(1)电镀的概念:应用电解原理在某些金属表面镀上一薄层其他金属或合金的方法。电镀可以使金属更加美观耐用,抗腐蚀性能增强。(2)某电镀铜实验装置(电镀池)如图所示。请回答下列问题:①铜片为镀层金属,与直流电源的正极相连,作阳极;铁件为待镀金属,与直流电源的负极相连,作阴极;硫酸铜溶液为电镀液,含有镀层金属离子。②阳极反应式为Cu-2e-===Cu2+;阴极反应式为Cu2++2e-===Cu。③可观察到的现象是铁件表面镀一层红色的铜,铜片不断溶解。④硫酸铜溶液浓度的变化是不变。(3)电镀的特点是阳极参与电极反应,电镀过程中相关离子的浓度、溶液pH等保持不变。3.电解精炼铜(1)粗铜中往往含有铁、锌、银、金等多种杂质,常用电解的方法进行精炼。电解池的构成是用粗铜作阳极,用纯铜作阴极,用硫酸铜溶液作电解质溶液。(2)阳极反应式为Cu-2e-===Cu2+、Zn-2e-===Zn2+、Fe-2e-===Fe2+等;阴极反应式为Cu2++2e-===Cu。(3)电解精炼铜的原理:粗铜中比铜活泼的金属锌、铁等,失去电子形成阳离子而溶解(残留在溶液中);比铜不活泼的金属银、金等,以金属单质的形式沉积在电解槽的底部(形成阳极泥);粗铜中的铜在纯铜上析出。4.电冶金(1)金属冶炼的本质:使矿石中的金属离子获得电子,从它们的化合物中还原出来。如Mn++ne-===M。(2)电解法用于冶炼较活泼的金属(如钾、钠、镁、铝等),但不能电解其盐溶液,应电解其熔融态。如:电解熔融的氯化钠可制取金属钠:阳极反应式为2Cl--2e-===Cl2↑;阴极反应式为2Na++2e-===2Na;总反应方程式为2NaCl(熔融)=====2Na+Cl2↑。分析电解应用问题的思维模型(1)看电池(所给装置是电解池还是电镀池),分电极(由电源的正极和负极确定);(2)析溶液(电解质溶液中含有的离子),判流向(电子的流向、离子移动方向);(3)定微粒(确定两极上发生反应的微粒),写反应(电极反应式、总反应方程式)。例1化学实验小组在学习化学电源和氯碱工业相关知识后,在实验室进行实验验证。他们设计组装了如图所示装置,已知a为石墨电极,b为铁电极,c为铝电极(已除去表面氧化膜),d为多孔石墨电极,烧杯中是足量饱和食盐水(滴有酚酞),连好导线后,电流计指针发生明显偏转。下列判断正确的是()A.b为负极,d为阳极B.一段时间后,a和d电极附近溶液变红C.b电极的电极反应式为2Cl--2e-===Cl2↑D.电解一段时间,当B中出现大量白色沉淀时,停止实验,再将A中溶液倒入B中混合,充分振荡,沉淀全部消失答案D解析右侧装置为原电池,左侧装置为电解池。在右侧装置中,通入O2的电极为原电池的正极,其电极反应式为O2+4e-+2H2O===4OH-,所以一段时间后d电极附近溶液变红,Al为原电池的负极,Al失去电子生成Al3+,Al3+与溶液中的OH-反应生成白色Al(OH)3沉淀,电池总反应式为4Al+3O2+6H2O===4Al(OH)3,a与电池的正极相连,故a为电解池的阳极,b与电池的负极相连,故b为电解池的阴极,电解饱和NaCl溶液时,Cl...

1、当您付费下载文档后,您只拥有了使用权限,并不意味着购买了版权,文档只能用于自身使用,不得用于其他商业用途(如 [转卖]进行直接盈利或[编辑后售卖]进行间接盈利)。
2、本站所有内容均由合作方或网友上传,本站不对文档的完整性、权威性及其观点立场正确性做任何保证或承诺!文档内容仅供研究参考,付费前请自行鉴别。
3、如文档内容存在违规,或者侵犯商业秘密、侵犯著作权等,请点击“违规举报”。

碎片内容

高中化学 专题1 化学反应与能量变化 第二单元 化学能与电能的转化 第4课时 电解原理的应用学案 苏教版选修4-苏教版高二选修4化学学案

您可能关注的文档

雨丝书吧+ 关注
实名认证
内容提供者

乐于和他人分享知识,从事历史教学,热爱教育,高度负责。

相关文档

确认删除?
VIP
微信客服
  • 扫码咨询
会员Q群
  • 会员专属群点击这里加入QQ群
客服邮箱
回到顶部