电脑桌面
添加小米粒文库到电脑桌面
安装后可以在桌面快捷访问

高考化学一轮复习 第三章 金属及其化合物 微专题13 热重分析判断物质成分学案-人教版高三全册化学学案VIP免费

高考化学一轮复习 第三章 金属及其化合物 微专题13 热重分析判断物质成分学案-人教版高三全册化学学案_第1页
1/4
高考化学一轮复习 第三章 金属及其化合物 微专题13 热重分析判断物质成分学案-人教版高三全册化学学案_第2页
2/4
高考化学一轮复习 第三章 金属及其化合物 微专题13 热重分析判断物质成分学案-人教版高三全册化学学案_第3页
3/4
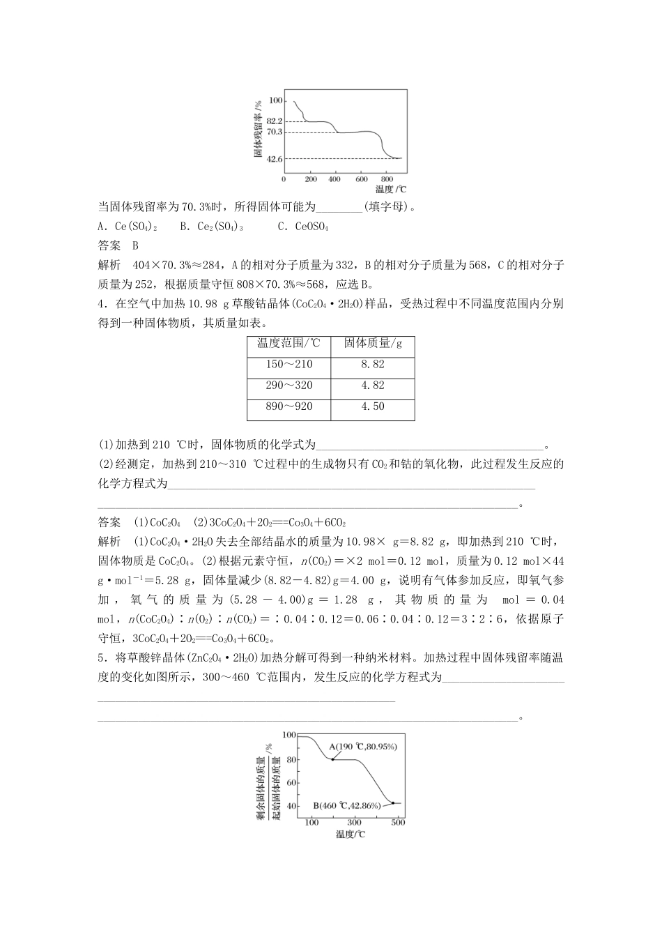
微专题13热重分析判断物质成分方法思路1.设晶体为1mol,其质量为m。2.失重一般是先失水,再失非金属氧化物。3.计算每步固体剩余的质量(m余)×100%=固体残留率。4.晶体中金属质量不再减少,仍在m余中。5.失重最后一般为金属氧化物,由质量守恒得m氧,由n金属∶n氧,即可求出失重后物质的化学式。专题训练1.PbO2受热会随温度升高逐步分解。称取23.9gPbO2,将其加热分解,受热分解过程中固体质量随温度的变化如下图所示。A点与C点对应物质的化学式分别为________、________。答案Pb2O3PbO解析二氧化铅是0.1mol,其中氧原子是0.2mol。A点,固体减少0.8g,则剩余氧原子的物质的量是0.15mol,此时剩余的铅和氧原子的个数之比是2∶3,A点对应的物质是Pb2O3。同理可得出C点对应物质是PbO。2.在焙烧NH4VO3的过程中,固体质量的减少值(纵坐标)随温度变化的曲线如图所示,210℃时,剩余固体物质的化学式为________。答案HVO3解析NH4VO3分解的过程中生成氨气和HVO3,HVO3进一步分解生成V2O5,210℃时若分解生成酸和氨气,则剩余固体占起始固体百分含量为×100%≈85.47%,所以210℃时,剩余固体物质的化学式为HVO3。3.将Ce(SO4)2·4H2O(摩尔质量为404g·mol-1)在空气中加热,样品的固体残留率(×100%)随温度的变化如下图所示。当固体残留率为70.3%时,所得固体可能为________(填字母)。A.Ce(SO4)2B.Ce2(SO4)3C.CeOSO4答案B解析404×70.3%≈284,A的相对分子质量为332,B的相对分子质量为568,C的相对分子质量为252,根据质量守恒808×70.3%≈568,应选B。4.在空气中加热10.98g草酸钴晶体(CoC2O4·2H2O)样品,受热过程中不同温度范围内分别得到一种固体物质,其质量如表。温度范围/℃固体质量/g150~2108.82290~3204.82890~9204.50(1)加热到210℃时,固体物质的化学式为_______________________________________。(2)经测定,加热到210~310℃过程中的生成物只有CO2和钴的氧化物,此过程发生反应的化学方程式为_______________________________________________________________________________________________________________________________________。答案(1)CoC2O4(2)3CoC2O4+2O2===Co3O4+6CO2解析(1)CoC2O4·2H2O失去全部结晶水的质量为10.98×g=8.82g,即加热到210℃时,固体物质是CoC2O4。(2)根据元素守恒,n(CO2)=×2mol=0.12mol,质量为0.12mol×44g·mol-1=5.28g,固体量减少(8.82-4.82)g=4.00g,说明有气体参加反应,即氧气参加,氧气的质量为(5.28-4.00)g=1.28g,其物质的量为mol=0.04mol,n(CoC2O4)∶n(O2)∶n(CO2)=∶0.04∶0.12=0.06∶0.04∶0.12=3∶2∶6,依据原子守恒,3CoC2O4+2O2===Co3O4+6CO2。5.将草酸锌晶体(ZnC2O4·2H2O)加热分解可得到一种纳米材料。加热过程中固体残留率随温度的变化如图所示,300~460℃范围内,发生反应的化学方程式为________________________________________________________________________________________________________________________________________________。答案ZnC2O4=====ZnO+CO↑+CO2↑解析ZnC2O4·2H2O的摩尔质量为189g·mol-1,ZnC2O4的百分含量为×100%≈80.95%,ZnO的百分含量为×100%≈42.86%。所以B点的固体为ZnO,化学方程式为ZnC2O4=====ZnO+CO↑+CO2↑。6.MnCO3在空气中加热易转化为不同价态的锰的氧化物,其固体残留率随温度的变化如图所示。则(1)300℃时,剩余固体中n(Mn)∶n(O)为________。(2)图中点D对应固体的成分为______________(填化学式)。答案(1)1∶2(2)Mn3O4和MnO解析设MnCO3的物质的量为1mol,即质量为115g。(1)A点剩余固体质量为115g×75.65%≈87g,减少的质量为115g-87g=28g,可知MnCO3失去的组成为“CO”,故剩余固体的成分为MnO2。(2)C点剩余固体质量为115g×61.74%≈71g,据锰元素守恒知m(Mn)=55g,则m(O)=71g-55g=16g,则n(Mn)∶n(O)=∶=1∶1,故剩余固体的成分为MnO,同理,B点剩余固体质量为115g×66.38%=76.337g,因m(Mn)=55g,则m(O)=76.337g-55g=21.337g,则n(Mn)∶n(O)=∶≈3∶4,故剩余固体的成分为Mn3O4,因D点介于B、C之间,故D点对...

1、当您付费下载文档后,您只拥有了使用权限,并不意味着购买了版权,文档只能用于自身使用,不得用于其他商业用途(如 [转卖]进行直接盈利或[编辑后售卖]进行间接盈利)。
2、本站所有内容均由合作方或网友上传,本站不对文档的完整性、权威性及其观点立场正确性做任何保证或承诺!文档内容仅供研究参考,付费前请自行鉴别。
3、如文档内容存在违规,或者侵犯商业秘密、侵犯著作权等,请点击“违规举报”。

碎片内容

高考化学一轮复习 第三章 金属及其化合物 微专题13 热重分析判断物质成分学案-人教版高三全册化学学案

确认删除?
VIP
微信客服
  • 扫码咨询
会员Q群
  • 会员专属群点击这里加入QQ群
客服邮箱
回到顶部