电脑桌面
添加小米粒文库到电脑桌面
安装后可以在桌面快捷访问

管道施工工法VIP专享VIP免费

管道施工工法_第1页
1/6
管道施工工法_第2页
2/6
管道施工工法_第3页
3/6
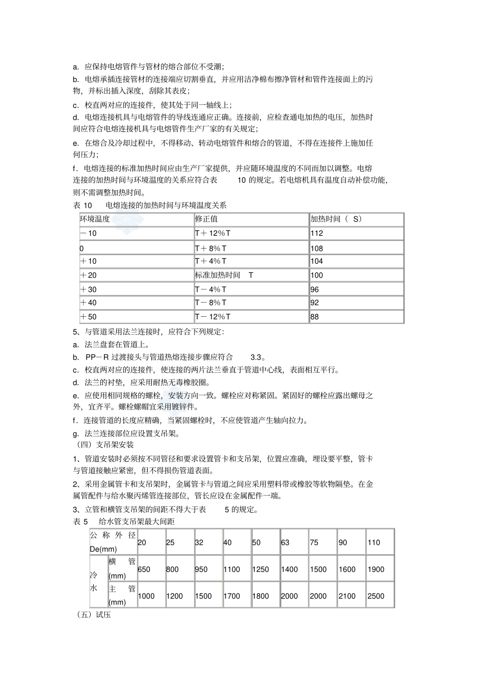
PP-R管道施工工法一、施工准备1.施工技术人员认真熟悉图纸,领会设计意图,对图纸中发现的问题及时与业主、监理及设计人员联系,并作图纸会审,作好会审记录。安装人员须熟悉-PP-R管的一般性能,掌握必须的操作要点。2.在各项预制加工项目开始前,根据设计施工图编制材料计划,,将需要的材料、设备等按规格、型号准备好,运至现场。3.材料设备要求:到现场的管材、管件等须认真检查并经监理、业主验明材质,核对质保书,规格、型号等,合格后放能入库,并分别作好标识。1)管材和管件的内外壁应光滑平整,无气泡、裂纹、脱皮和明显的痕纹、凹陷,色泽应基本一致。2)管材的端面应垂直于管材的轴线。管件应完整、无缺损、无变形。3)管件和管材不应长期置于阳光下照射,为避免管子在储运时弯曲,堆放应平整。搬运管材和管件时,应小心轻放,避免油污,严禁剧烈撞击,与尖锐触碰和抛、摔、拖。4)施工现场与材料存放处温差较大时,应于安装前将管件和管材在现场放置一定时间,使其温度接近施工现场环境温度。二、管道安安装工艺及要求(一)一般规定1、管道在安装施工前,应具下列条件:a施了图纸及其它技术文件齐全,且已进行图纸技术交底,满足施工要求;b施工方案、施工技术、材料机具供应等能保证正常施工;c施了人员应经过建筑给水聚丙烯管道安装的技术培训。2、提供的管材和管件应符合设计规定,并附有产品说明书和质量合格证书。3、不得使用有损坏迹象的材料。如发现管道质量有异常,应在使用前进行技术鉴定或复检。4、管道系统安装过程中的开口处应及时封堵。5、施工安装时应复核冷、热水管压力等级和使用场合。管道标记应面向外侧,处于显眼位置。(二)管道敷设安装要点1、管道嵌墙暗敷时,宜配合土建预留凹槽,其尺寸设计无规定时,嵌墙暗管墙槽尺寸的深度为De十20mm,宽度为干De+40~60mm。凹悄表面必须平整,不得有尖角等突出物,管道试压合格后,墙槽用M7.5级水泥砂浆填补密实。2、管道暗敷在地坪面层内,应按设计图纸位置进行。如现场施了有更改,应有图示记录。3、管道安装时,不得有轴向扭曲,穿墙或楼板时,不宜强制校正。给水聚丙烯管与其它金属管道平行敷设时应有一定的保护距离,净距离下宜小于100mm,且聚丙烯管宜它在金属管道的内侧。4、室内明装管道,宜在土建粉饰完毕后进行,安装前应配合土建正确预留孔洞或顶理套管。5、管道穿越楼板时,应设置钢套管,套管高出地面50mm,并有防水措施。管道穿越屋面时,应采取严格的防水措施。穿越前端应设固定支架。6、热水管道穿墙壁时,应配合土建设置钢套管,冷水管穿墙时,可预留洞,洞口尺寸较外径大50mm。7、直埋在地坪面层以及墙体内的管道,应在封蔽前做好试压和隐蔽工程的验收记录了作。8、建筑物理地引入管和室内埋地管敷设要求如下:a.室内地坪士0.00以下管道铺设宜分两阶段进行。先进行地坪士0.00以下至娃础墙外壁段的铺设;侍土建施工结束后,再进行户外连接管的铺设;b.室内地坪以下管道铺设应在上建工程回填土夯实以后,重新开挖进行。严禁在回填土之前或未经夯实的土层中铺设;c.铺设管道的沟底应平整,个得有突出的尖硬物体。土壤的颗粒径不宜大于12mm,必要时对铺100mm厚的砂垫层。d.埋地管道回填时,管周回填土不得夹杂尖硬物自接与管壁接触。应先用砂土或颗粒径不大于12mm的土壤回填至管顶上侧300mrn处,经夯实后方可回填原土。室内埋地管道的埋置深度不宜小于300mnl;e.管道出地坪处应设置护管,其高度应高出地评100mnl;f.管道在穿基础墙时,应设置金属套管。套管与基础墙预留孔上方的净空高度,特设计不应小于100mm;g.管道在穿越街坊道路,覆土厚度小于700mm时,应采取严格的保护措施。(三)管道连接要点1、同种材质的给水聚丙烯管及管配件之间,安装应采用热熔连接,安装应使用专用热熔工具。暗效墙体、地坪面内的管道不得采用丝扣或法兰连接。2、给水聚丙烯管与金属管件连接,应采用带金属管件的聚丙烯管件作为过渡,该管件与塑料管采用热熔连接,与金属配件或卫生洁具五金配件采用丝们连接。3、热熔连接应按下列步骤进行:a.接通热熔以电源,到达工作温度指示灯亮后方能开始操...

1、当您付费下载文档后,您只拥有了使用权限,并不意味着购买了版权,文档只能用于自身使用,不得用于其他商业用途(如 [转卖]进行直接盈利或[编辑后售卖]进行间接盈利)。
2、本站所有内容均由合作方或网友上传,本站不对文档的完整性、权威性及其观点立场正确性做任何保证或承诺!文档内容仅供研究参考,付费前请自行鉴别。
3、如文档内容存在违规,或者侵犯商业秘密、侵犯著作权等,请点击“违规举报”。

碎片内容

管道施工工法

确认删除?
VIP
微信客服
  • 扫码咨询
会员Q群
  • 会员专属群点击这里加入QQ群
客服邮箱
回到顶部