电脑桌面
添加小米粒文库到电脑桌面
安装后可以在桌面快捷访问

纺织厂安全评价报告VIP免费

纺织厂安全评价报告_第1页
1/50
纺织厂安全评价报告_第2页
2/50
纺织厂安全评价报告_第3页
3/50
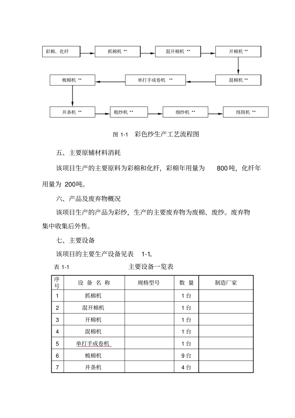
第一章评价项目概述第一节评价项目概况一、地理位置XXX纺织有限公司位于XXX镇码头街。厂区东侧为**路,南侧为农田,西侧为农田,北侧为三林县三于棉业有限公司。该公司的地理位置见附图一。二、自然条件1、水文及河流水系三林县属水网地区,沟渠纵横。周围河流主要有*****2、气象三林县地处苏北平原,全境地势平坦,气候温和,雨量充沛,属北亚热带大陆性季风气候,主要气象条件如下:3、土壤三、项目概况1、项目名称XXX纺织有限公司年产1000吨彩色纱生产装置安全现状评价。2、生产单位情况XXX纺织有限公司创建于2000年6月,是一家彩色纱生产企业。该公司占地总面积20000平方米,建筑总面积8000平方米。公司生产场所设有防雷设施且经三林县防雷中心检测合格,办公楼、生产车间的消防设计符合规范要求。公司的安全管理人员经过政府有关部门培训,持证上岗。3、项目总平面布置该项目建筑总面积8000平方米,其中:生产用房500平方米,办公用房2000平方米,附属用房400平方米,生活用房600平方米。该公司的周邻区域及总平面布置情况见附图二。4、人员编制及年工作时间该公司员工编制定员90人,其中生产操作人员75人,维修人员5人,管理人员10人。管理人员中专职安全员1人。各岗位配备兼职安全员共7人。年工作时间300天,生产班制为三班制。四、工艺流程彩棉、化纤经**圆盘抓棉机开松后,进入**混开棉机,进一步开松后进入**开棉机开松后,进入**混棉机将各包抓取的原棉进一步混合,使之形成均一、稳定、厚薄均匀的棉层,喂入**成卷机,形成棉卷,利于梳棉的分梳。梳棉工序的作用是将棉卷逐层退绕,并进一步分梳、除杂,制成质量稳定的棉条,以供并条工序混合欠伸。为消除梳棉制成的生条重量不匀,并条工序将6-8根生条混合后,经欠伸制成重量稳定的熟条供粗纱工序使用。粗纱、细纱工序将前一工序的半制品进一步拉伸、变细、形成纱条,经络筒机卷绕成一定形状的筒子,以供织布使用。彩色纱的生产工艺流程见图1-1。图1-1彩色纱生产工艺流程图五、主要原辅材料消耗该项目生产的主要原料为彩棉和化纤,彩棉年用量为800吨,化纤年用量为200吨。六、产品及废弃物概况该项目生产的产品为彩纱,生产的主要废弃物为废棉、废纱。废弃物集中收集后外售。七、主要设备该项目的主要生产设备见表1-1。表1-1主要设备一览表序号设备名称规格型号数量制造厂家1抓棉机1台2混开棉机1台3开棉机1台4混棉机1台5单打手成卷机1台6梳棉机9台7并条机4台抓棉机**开棉机**混开棉机**混棉机**梳棉机**并条机**单打手成卷机**粗纱机**细纱机**彩棉、化纤络筒机**8粗纱机2台9细纱机10台10络筒机3台11锅炉1台12空压机八、公用工程1、供水该项目用水主要为生活用水,年用水量1000吨,生活用水为自来水。2、供电该项目供电负荷为200KVA,年用电量约15万度,主要用于生产及照明。3、供汽厂区设1T蒸汽锅炉1台,锅炉经有关部门检测合格。锅炉主要用作生活用汽。九、安全、消防设施生产场所内设有消防栓5只,24m3消防水池1座,消防泵1台,手提式干粉灭火器20只,消防桶30只。十、安全管理制度十一、安全教育培训第二节评价范围本评价仅限于对XXX纺织有限公司年产1000吨彩色纱生产装置范围内涉及到的安全设施和措施进行评价,即对该装置生产运行过程中可能存在的危险、有害因素及其程度进行分析评价,提出针对性的安全整改措施,并在定性、定量分析的基础上得出评价结论。凡涉及该项目的消防、环保、抗震等问题则应执行国家有关标准和规定,消防、环保、抗震等方面内容不包括在本评价范围之内。第三节评价依据本评价报告根据相关的法律、法规、技术文件、技术规范和标准进行:一、法律法规(1)《中华人民共和国劳动法》;(2)《中华人民共和国安全生产法》;(3)《中华人民共和国消防法》;(4)《中华人民共和国职业病防治法》;(5)《建设项目(工程)劳动安全卫生监察规定》(原劳动部第3号令);(6)《安全评价通则》(国家安监局安监管技装字[2003]37号);(7)《安全现状评价导则》(国家安监局安监管规划字[2004]36号);(8)《仓库防火安全管理规则》(公安部第6号令);(9)《企业职工劳动安全卫生教育管理规定...

1、当您付费下载文档后,您只拥有了使用权限,并不意味着购买了版权,文档只能用于自身使用,不得用于其他商业用途(如 [转卖]进行直接盈利或[编辑后售卖]进行间接盈利)。
2、本站所有内容均由合作方或网友上传,本站不对文档的完整性、权威性及其观点立场正确性做任何保证或承诺!文档内容仅供研究参考,付费前请自行鉴别。
3、如文档内容存在违规,或者侵犯商业秘密、侵犯著作权等,请点击“违规举报”。

碎片内容

纺织厂安全评价报告

确认删除?
VIP
微信客服
  • 扫码咨询
会员Q群
  • 会员专属群点击这里加入QQ群
客服邮箱
回到顶部