电脑桌面
添加小米粒文库到电脑桌面
安装后可以在桌面快捷访问

老旧小区工程概况参考资料VIP免费

老旧小区工程概况参考资料_第1页
1/18
老旧小区工程概况参考资料_第2页
2/18
老旧小区工程概况参考资料_第3页
3/18
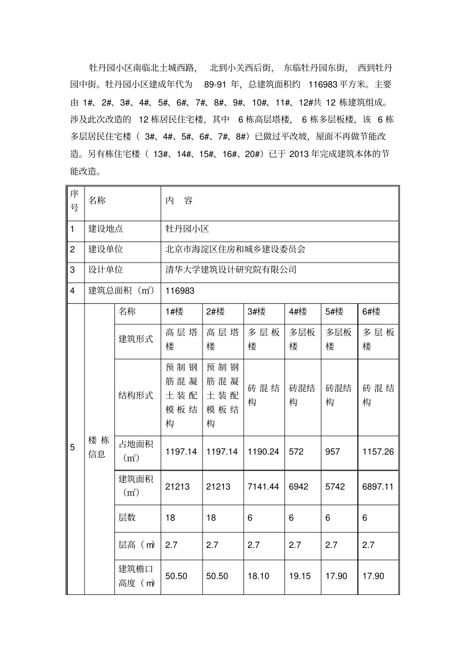
1、工程概况1.1总体简介工程名称2013年海淀区老旧小区综合整治项目(第一批)(第一标段)建设地点牡丹园小区、塔院小区建设单位北京市海淀区住房和城乡建设委员会设计单位清华大学建筑设计研究院有限公司监理单位北京国金管理咨询有限公司施工单位北京建工集团有限责任公司建筑面积347784㎡招标范围对于本招标工程,承包人自行施工的工程范围:包括屋面、外墙保温改造,外墙涂料,门窗改造,空调室外机拆装、太阳能、雨水管拆装及更换,空调护栏、护栏防盗修缮、更换,室内楼梯间等公共区域粉刷,扶手翻新,采光井顶棚更换及护栏刷漆翻新,热计量改造,电气工程改造,室内给排水改造,台阶、散水改造,小区内围墙修缮、新建,自行车棚修缮、新建,绿化工程及室外道路、雨污水、暖气管道改造,增设并完善室外安防系统等全部工程内容。工期要求总工期(含室外绿化工程)386日历天计划开工日期2013年6月24日计划竣工日期2014年7月14日承诺工期386日历天质量标准合格1.2建筑设计概况设计概况一牡丹园小区项目牡丹园小区南临北土城西路,北到小关西后街,东临牡丹园东街,西到牡丹园中街。牡丹园小区建成年代为89-91年,总建筑面积约116983平方米。主要由1#、2#、3#、4#、5#、6#、7#、8#、9#、10#、11#、12#共12栋建筑组成。涉及此次改造的12栋居民住宅楼,其中6栋高层塔楼,6栋多层板楼,该6栋多层居民住宅楼(3#、4#、5#、6#、7#、8#)已做过平改坡,屋面不再做节能改造。另有栋住宅楼(13#、14#、15#、16#、20#)已于2013年完成建筑本体的节能改造。序号名称内容1建设地点牡丹园小区2建设单位北京市海淀区住房和城乡建设委员会3设计单位清华大学建筑设计研究院有限公司4建筑总面积(㎡)1169835楼栋信息名称1#楼2#楼3#楼4#楼5#楼6#楼建筑形式高层塔楼高层塔楼多层板楼多层板楼多层板楼多层板楼结构形式预制钢筋混凝土装配模板结构预制钢筋混凝土装配模板结构砖混结构砖混结构砖混结构砖混结构占地面积(㎡)1197.141197.141190.245729571157.26建筑面积(㎡)21213212137141.44694257426897.11层数18186666层高(m)2.72.72.72.72.72.7建筑檐口高度(m)50.5050.5018.1019.1517.9017.90改造单元数量116756改造单元门数量226756户数2162168411490108建设年代199119911989198919891989附注屋面改造已完成7#楼8#楼9#楼10#楼11#楼12#楼建筑形式多层板楼多层板楼高层塔楼高层塔楼高层塔楼高层塔楼结构形式砖混结构砖混结构预制钢筋混凝土装配模板结构预制钢筋混凝土装配模板结构预制钢筋混凝土装配模板结构预制钢筋混凝土装配模板结构占地面积(㎡)568.941156.19580.26580.26580.26580.26建筑面积(㎡)3392.596882.249389.99389.99389.99389.9层数6616161616层高(m)2.72.72.72.72.72.7建筑檐口高度(m)17.9017.9046.2046.2046.2046.20改造单元数量361111改造单元门数量361111户数54108128128128128建设年代198919891990199019901990附注屋面改造已完成6节能改造1、原墙面剔除原涂料、饰面,清除灰尘,修补找平。2、外窗更换为节能窗。3、外墙外保温。4、沿城市主要道路的楼栋首层及二层统一新装(三层及以上取消)或所有窗护栏均原拆原装。原有窗套剔除,增加保温,做防水处理。5、拆除外墙面上的废弃线网、仍在使用的线网规整入管。6、屋面及封闭阳台的顶板保温节能改造。7、外墙涂料饰面。8、屋面防水。9、空调护栏安装。10、给排水系统进行改造。11、采暖系统改造。12、楼内公共区域增设感应节能灯,高层增设应急灯。13、每户厨房增设可燃气体报警器。14、对各单体建筑中防雷设施不全及损坏的进行修复。7环境整治1、结合小区布置道路,路面硬化。2、重新规划停车位,采用永久停车与临时停车方式。3、结合实际布置简易绿化、景观绿化,根据需求增设绿化护栏。4、对围墙栏杆进行修补和粉刷。5、保留并翻新原有自行车棚,根据需求可新增通透自行车棚。6、信报箱破旧的予以更换。7、增设及完善垃圾投放点位。8、根据新道路系统设计并更换路灯。9、增设并完善室外安防系统。10、拆除违建,清理乱堆物料。11、临建的拆改及非改造建筑的外墙粉刷。12、修缮及增设室外无障碍设施。13、室外场...

1、当您付费下载文档后,您只拥有了使用权限,并不意味着购买了版权,文档只能用于自身使用,不得用于其他商业用途(如 [转卖]进行直接盈利或[编辑后售卖]进行间接盈利)。
2、本站所有内容均由合作方或网友上传,本站不对文档的完整性、权威性及其观点立场正确性做任何保证或承诺!文档内容仅供研究参考,付费前请自行鉴别。
3、如文档内容存在违规,或者侵犯商业秘密、侵犯著作权等,请点击“违规举报”。

碎片内容

老旧小区工程概况参考资料

您可能关注的文档

确认删除?
VIP
微信客服
  • 扫码咨询
会员Q群
  • 会员专属群点击这里加入QQ群
客服邮箱
回到顶部