电脑桌面
添加小米粒文库到电脑桌面
安装后可以在桌面快捷访问

联排交房标准VIP免费

联排交房标准_第1页
1/7
联排交房标准_第2页
2/7
联排交房标准_第3页
3/7
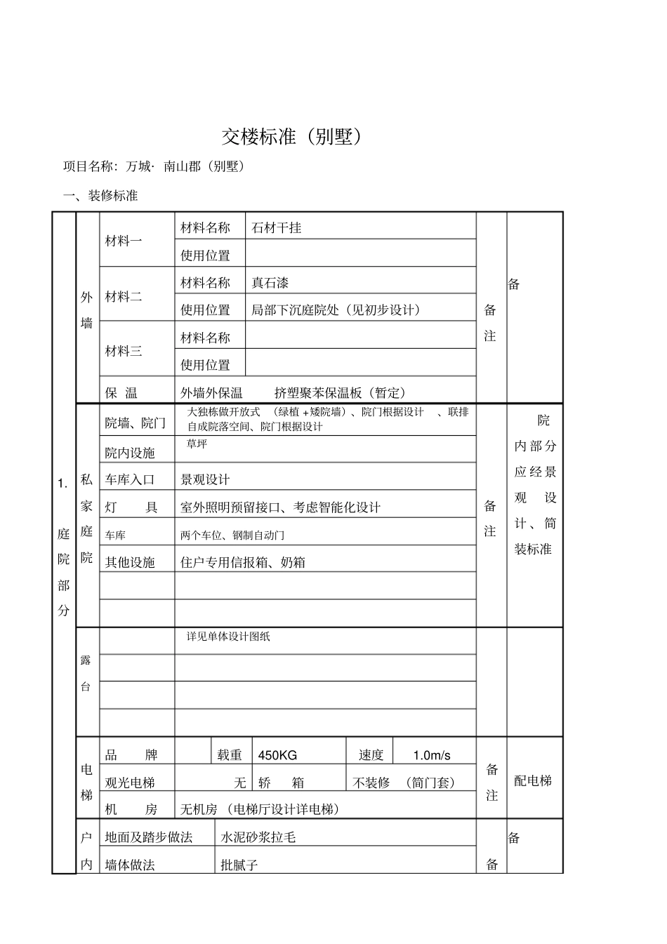
交楼标准(别墅)项目名称:万城·南山郡(别墅)一、装修标准1.庭院部分外墙材料一材料名称石材干挂备备注使用位置材料二材料名称真石漆使用位置局部下沉庭院处(见初步设计)材料三材料名称使用位置保温外墙外保温挤塑聚苯保温板(暂定)私家庭院院墙、院门大独栋做开放式(绿植+矮院墙)、院门根据设计、联排自成院落空间、院门根据设计备注院内部分应经景观设计、简装标准院内设施草坪车库入口景观设计灯具室外照明预留接口、考虑智能化设计车库两个车位、钢制自动门其他设施住户专用信报箱、奶箱露台详见单体设计图纸电梯品牌载重450KG速度1.0m/s备注配电梯观光电梯无轿箱不装修(简门套)机房无机房(电梯厅设计详电梯)户内地面及踏步做法水泥砂浆拉毛备备墙体做法批腻子楼梯顶棚做法批腻子注栏杆扶手简易栏杆窗户木包铝配德国五金地下室库地面做法混凝土压实耐磨地坪漆备备注大、小独栋内墙做法乳胶漆喷涂顶棚做法结构外露乳胶漆喷涂灯具安装节能灯2.室内部分卧室客厅地面做法水泥砂浆拉毛备备注内墙做法批腻子顶棚做法批腻子灯具安装40W白炽灯泡卫生间地面及防水防水地面,水泥砂浆保护层拉毛备注墙体及防水与卧室相邻墙体防水至1.8米高,其余侧墙防水至0.3米高,侧墙表面水泥砂浆拉毛顶棚做法水泥砂浆批腻子预留孔洞预留上下水接口灯具安装40W白炽灯泡厨房房地面及防水防水地面,水泥砂浆保护层拉毛备注内墙做法水泥砂浆拉毛顶棚做法批腻子预留孔洞预留上下水接口灯具安装40W白炽灯泡门窗入户门装甲门户内门无外门窗窗框木包铝配德国五金玻璃中空玻璃根据节能设计结果阳台地面做法防水地面,水泥砂浆保护层压光备注阳台顶棚用涂料侧墙做法同外墙栏杆做法见方案图屋顶水泥平板瓦结合建筑风格备注二、设备设施项目名称:万城·南山郡(别墅)电供电强弱电箱、开关、插座安装到位备注水电出户网络光纤电话详见《住宅户型室内电器配置选项表》有线电视详见《住宅户型室内电器配置选项表》网络接口详见《住宅户型室内电器配置选项表》可视对讲详见《住宅户型室内电器配置选项表》水给水口直饮水系统口自动抄表系统备注●别墅直供水气燃气(天然气)管道接入户内备注备注空调备注户内中央空调智能化系统小区安防系统详见《住宅项目弱电工程建设标准菜单选项表》备注住户安防系统详见《住宅项目弱电工程建设标准菜单选项表》其他住宅户型室内电器配置选项表:项目名称:万城·南山郡户型房间名称电话接口有线电视接口网络接口备注小独栋300~380㎡一层:主要功能空间包括起居室、餐厅、家庭室、中西橱、次卧室;二层:主要功能空间为主、次卧室;三层:为主卧带书房;地下一层:基本功能空间:家庭影院、健身房、设备间(包括锅炉房)、洗衣房、工人房(包括独立的卫生间)、公共卫生间。起居室到层分支箱次卧次卧客房1●●●客厅2客厅3主卫生间次卫生间公共卫生间地下室大独栋500㎡一层:主要功能空间包括起居室、餐厅、家庭室、中西橱、卧室;二层:主要功能空间为主、次卧室;三层:(可选)为主卧带书房;地下一层:基本功能空间:家庭起居室家居室餐厅客房客房客厅1●●●客厅2客厅3影院、健身房、台球室、酒窖、娱乐厅/酒吧、设备间(包括锅炉房)、洗衣房、工人房(包括独立的卫生间)、公共卫生间(包括桑拿房)。主卫生间次卫生间公共卫生间地下室注:1.此表仅做示意,应根据具体项目的户型填写本表格。在选择处用●填写。住宅项目弱电工程建设标准菜单选项表项目名称:万城·南山郡(别墅)系统设置部位设备功能特征备注闭路电视监视系统小区出入口彩色●/黑白□小区主要道路彩色●/黑白□小区围墙彩色●/黑白□周界防范系统外围墙●主动红外双鉴探测器,配声光报警器,与监视系统联动可视对讲门禁系统可视对讲机国产黑白□国产彩色□进口黑白□进口彩色●室内分机带触摸屏●二次确认小门口机●二次确认小门口机配备摄像头,兼具门铃按钮功能小区入口门禁●围墙机,可与监控中心对讲住宅大堂门禁□门口机,可与本栋住户可视对讲,可与监控中心对讲天面出口●门磁、声光报警器,开启时向监控中心报警家庭报警系统门、窗磁开关●紧急报警按钮●主卧室●主人卫生间●次主卧室...

1、当您付费下载文档后,您只拥有了使用权限,并不意味着购买了版权,文档只能用于自身使用,不得用于其他商业用途(如 [转卖]进行直接盈利或[编辑后售卖]进行间接盈利)。
2、本站所有内容均由合作方或网友上传,本站不对文档的完整性、权威性及其观点立场正确性做任何保证或承诺!文档内容仅供研究参考,付费前请自行鉴别。
3、如文档内容存在违规,或者侵犯商业秘密、侵犯著作权等,请点击“违规举报”。

碎片内容

联排交房标准

您可能关注的文档

确认删除?
VIP
微信客服
  • 扫码咨询
会员Q群
  • 会员专属群点击这里加入QQ群
客服邮箱
回到顶部