电脑桌面
添加小米粒文库到电脑桌面
安装后可以在桌面快捷访问

胰岛素的用法用量及注意事项VIP免费

胰岛素的用法用量及注意事项_第1页
1/5
胰岛素的用法用量及注意事项_第2页
2/5
胰岛素的用法用量及注意事项_第3页
3/5
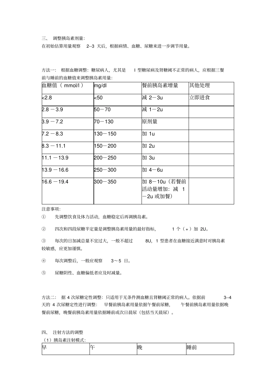
一、正常值空腹血糖:3.3--6.1mmol/L(60-110mg/dl),餐后半小时到1小时:10.0mmol/L(180mg/dl)以下,最多也不超过11.1mmol/L(200mg/dl)餐后2小时:7.8mmol/L(140mg/dl)。二、初始用量(1)初始用量估算糖尿病患者在开始使用胰岛素治疗时,一律采用短效胰岛素(可迅速见效,便于调整,不易发生低血糖症,血糖稳定后再减少注射次数或加用中、长效)。而且,一定在饮食与运动相对稳定的基础上,依下列方法估算初始用量,而后再依病情监测结果调整。方法一:按空腹血糖估算:每日胰岛素用量(μ)=[空腹血糖(mg/dl)-100]×10×体重(公斤)×0.6÷1000÷2注:-100为血糖正常值;5.6mmol/L×10换算每升体液中高于正常血糖量;×0.6是全身体液量为60%;÷1000是将血糖mg换算为克;÷2是2克血糖使用1μ胰岛素。(为避免低血糖,实际用其1/2--1/3量。)方法二:按体重计算:血糖高,病情重,0.5--0.8μ/kg;病情轻,0.4--0.5μ/kg;病情重,应激状态,不应超过1.0μ/kg。其他方法:●按24小时尿糖估算:病情轻,无糖尿病肾病,肾糖阈正常者,按每2克尿糖给1μ胰岛素。●按4次尿糖估算:无糖尿病肾病,肾糖阈基本正常,按每餐前尿糖定性"+"多少估算。一般一个"+"需4μ胰岛素。综合估算:体内影响胰岛素作用的因素较多,个体差异较大,上述计算未必符合实际,故应综合病情、血糖与尿糖情况,先给一定的安全量,然后依病情变化逐步调整。(2)分配胰岛素用量:1.注射时间:三餐前15--30分钟注射2.分配方式:早餐前>晚餐前>午餐前。(①一天三次:早餐前体内拮抗胰岛素的激素分泌较多,用量宜大;短效胰岛素作用高峰时间2--4小时,因此午餐前用量最小;保持夜间血糖水平,故晚餐前>午餐前用量。②一天四次:加睡前一次,则晚餐前要减少,而睡前的用量更少,以防夜间低血糖。)经验法:将日总剂量除以3,午餐前减2U加到早餐前,例如18U(8、4、6)或24U(10、6、8)。例如:体重80公斤空腹血糖250mg/dl计算得:每日胰岛素用量36u,实际用量为其1/2即18u,平均每次6u,则早餐前8u、午餐前4u、晚餐前6u。(3)注意事项:1.基础率的精细调节:①在检测过程中,血糖要控制在目标血糖值的30mg/dl(1.7mmol/L)的波动范围内。②在检测基础率的几天中,稳定其他的参数非常重要。③进食标准餐,防止脂肪食物对您的血糖有延迟影响,很难计算餐前大剂量。④检测基础率的时候,不要做激烈的运动,除非是每天都做的运动。⑤在生病或者感染期间,不要做基础率检测。2.以下情况需要调整基础量:①体重的显著变化:增加或下降5-10%以上②活动量的显著变化③低热量饮食(减肥):基础率减少10%-30%④妊娠:3am基础率减少;黎明时增加2—3倍(与3am基础率比较)⑤生病或感染期间:通常需要增加基础率⑥月经:月经前增加基础率,月经后可能减少基础率⑦合并其他用药:如强的松,需增加基础率三、调整胰岛素剂量:在初始估算用量观察2--3天后,根据病情、血糖、尿糖来进一步调节用量。方法一:根据血糖调整:糖尿病人,尤其是I型糖尿病及肾糖阈不正常的病人,应根据三餐前与睡前的血糖值来调整胰岛素用量:血糖值(mmol/l)mg/dl餐前胰岛素增量其他处理<2.8<50减2-3u立即进食2.8-3.950-70减1-2u3.9-7.270-130原剂量7.2-8.3130-150加1u8.3-11.1150-200加2u11.1-13.9200-250加3u13.9-16.6250-300加4-6u16.6-19.4300-350加8-10u(若餐前活动量增加:减1-2u或加餐)注意事项:①先调整饮食及体力活动,血糖稳定后再调胰岛素。②四次和四段尿糖半定量是调整胰岛素用量的最好指标,1个(+)加2U。③每次的日加减总量不宜过大,一般不超过8U,1型患者在血糖接近满意时对胰岛素较敏感,应更加谨慎。④每次调整后,一般应观察3~5日。⑤尿糖阴性、血糖偏低者应及时减量。方法二:据4次尿糖定性调整:只适用于无条件测血糖且肾糖阈正常的病人。依据前3--4天的4次尿糖定性进行调整:早餐前胰岛素用量依据午餐前尿糖,午餐前胰岛素用量依据晚餐前尿糖,晚餐前胰岛素用量依据睡前或次日晨尿(包括当天晨尿)。四、注射方法的调整(1)胰岛素注射模式:早午晚睡前RRR(R)RRRNRRR+NR+N(R+N)RRR+PR+PR+PR(短效):起效...

1、当您付费下载文档后,您只拥有了使用权限,并不意味着购买了版权,文档只能用于自身使用,不得用于其他商业用途(如 [转卖]进行直接盈利或[编辑后售卖]进行间接盈利)。
2、本站所有内容均由合作方或网友上传,本站不对文档的完整性、权威性及其观点立场正确性做任何保证或承诺!文档内容仅供研究参考,付费前请自行鉴别。
3、如文档内容存在违规,或者侵犯商业秘密、侵犯著作权等,请点击“违规举报”。

碎片内容

胰岛素的用法用量及注意事项

确认删除?
VIP
微信客服
  • 扫码咨询
会员Q群
  • 会员专属群点击这里加入QQ群
客服邮箱
回到顶部