电脑桌面
添加小米粒文库到电脑桌面
安装后可以在桌面快捷访问

电气配管安装工艺VIP免费

电气配管安装工艺_第1页
1/9
电气配管安装工艺_第2页
2/9
电气配管安装工艺_第3页
3/9
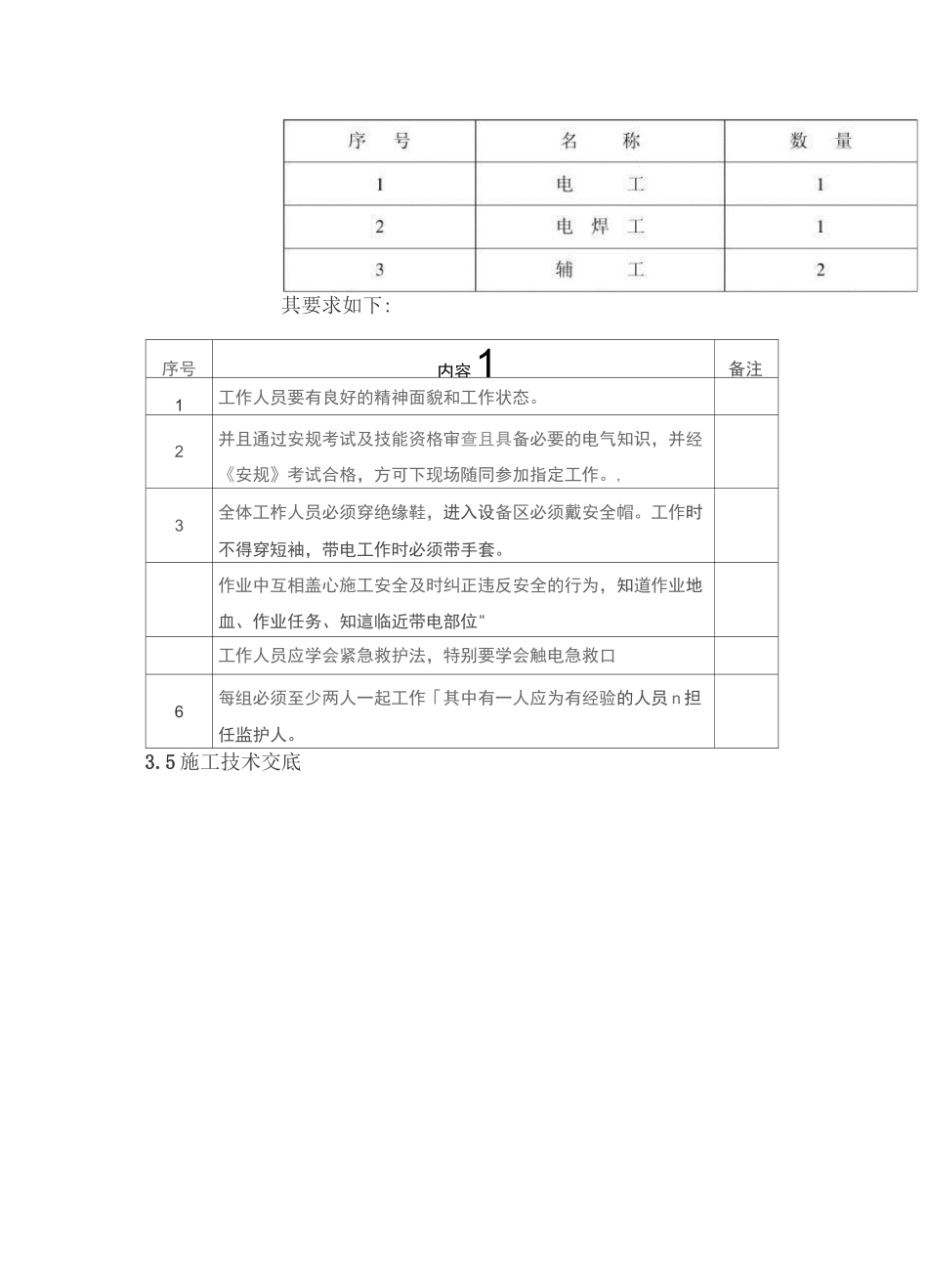
电气配管安装工艺1、工程概况本工程为XXXXX1-4#机组烟气脱硫技改工程湿法FGD装置(A标段)机电设备安装工程,电气配管范围为脱硫岛动力设备配管安装,工艺车间及废水车间的动力设备配管安装,电气电缆穿线管采用热镀锌钢管地下暗敷设及沿楼板明敷设,电缆穿线管支架采用L30*3、L50*5的角钢制作安装,配合U型卡固定穿线管。2、编制依据2.1、《建筑电气工程质量验收规范》GB50303-20022.2、设计院提供的电气施工图纸3、作业条件工艺流程3.1基本要求3.1.1暗管敷设3.1.1.1设备安装基本到位;3.1.1.2电缆沟位置确定,且处于施工前期;3.1.1.3砌体内配管随土建施工进行配管;3.1.2明管敷设3.1.2.1机务主体施工完毕;3.1.2.2热控就地控制箱安装完毕;序号名探1电焊机2电锤3电钻4气焊工具5砂轮切割机规將数量口2把4把215ia13.1.2.3桥架安装完毕;3.2材料要求:所用主材、附材已运至施工现场,规格、型号符合图纸要求,数量满足现场需要。3.2.1主材:钢管具备有效的产品合格证,镀锌管外表层完整、无剥落现象。3.2.2附材:接线盒、拉线盒、直管接头、螺纹管接头、护口、管卡、扁钢、角钢、防锈漆等具有合格证,螺栓、螺母、垫圈为镀锌件,镀锌层完整无缺。3.3主要机具3.4作业人员配备(每组)其要求如下:序号内容1备注1工作人员要有良好的精神面貌和工作状态。2并且通过安规考试及技能资格审查且具备必要的电气知识,并经《安规》考试合格,方可下现场随同参加指定工作。,3全体工柞人员必须穿绝缘鞋,进入设备区必须戴安全帽。工作时不得穿短袖,带电工作时必须带手套。作业中互相盖心施工安全及时纠正违反安全的行为,知道作业地血、作业任务、知這临近带电部位"工作人员应学会紧急救护法,特别要学会触电急救口6每组必须至少两人一起工作「其中有一人应为有经验的人员n担任监护人。3.5施工技术交底序号交底内容1电缆管不应有穿孔、裂缝和显著的凹凸不平’内黑应光滑2电龜管不应有严重锈蚀,在易受机械损伤的地方和在受力较大处奁埋时,应采用足够强度的管材3管口应无毛刺和尖锐棱角.■:'4电缆管的内径宜为导线外從的1.5-2倍.瘙电缆管不应有扁瘪或裂缝,管间应采用接头对接牢固,管端与设备间用金属软管逹接,电缆管必须用卡子固定牢固.每根电缆管的弯头不应超过3个,直角弯不应超过2个.6电缆管应安装牢固,电缆管支持点间的距离不宜超过加金属电缆管连接应牢固,密封应良好,两管口应对准引至设备的电缆管管口位置应便于与设备连接并不妨碍设备拆装和进出,并列敷设的电缆管管口应排列整齐°9电缆管的排列应整齐、一致°3.6施工进度计划(按施工总进度计划进行)。4、施工工艺暗管敷设基本要求:4.1敷设于多尘和潮湿场所的电线管路、管口、管子连接处均应作密封处理。4.2暗配的电线管路宜沿最近的路线敷设并应减少弯曲:埋入墙或混凝土内的管子,离表面的净距不应小于15mm。4.3进入落地式配电箱的电线管路,排列应整齐,管口应高出基础面不小于50mm。4.4埋入地下的电线管路不宜穿过设备基础,在穿过建筑物基础时,应加保护管。4.5预制加工:根据设计图,加工好各种管弯。钢管煨弯可采用冷煨法或热煨法。4.5.1冷煨法:一般管径为20mm及其以下时,用手动煨管器。先将管子插入煨管器,逐步煨出所需弯度。管径为25mm及其以上时,使用液压煨管器,即先将管子放入模具,然后扳动煨管器,煨出所需弯度。4.5.2热煨法:首先炒干砂子,堵住管子一端,将干砂子灌入管内,用手锤敲打,直至砂子灌实,再将另一端管口堵住放在火上转动加热,烧红后煨成所需弯度,随煨弯随冷却。要求管路的弯曲处不应有折皱、凹穴和裂缝现象,弯扁程度不应大于管外径的1/10;暗配管时,弯曲半径不应小于管外径的6倍;埋设于地下或混凝土楼板内时,不应小于管外径的10倍。4.6管子切断:常用钢锯、割管器、无齿锯、砂轮锯进行切管,将需要切断的管子长度量准确,放在钳口内卡牢固,断口处平齐不歪斜,管口刮铣光滑,无毛刺,管内铁屑除净。4.7管路连接:4.7.1管路连接方法:4.7.1.1坡口(喇叭口)焊接。管径80mm以上钢管,先将管口除去毛刺,找平齐。用气焊加热管端,边加热边用手锤沿管周边,逐点均匀向外敲打出坡口,把两...

1、当您付费下载文档后,您只拥有了使用权限,并不意味着购买了版权,文档只能用于自身使用,不得用于其他商业用途(如 [转卖]进行直接盈利或[编辑后售卖]进行间接盈利)。
2、本站所有内容均由合作方或网友上传,本站不对文档的完整性、权威性及其观点立场正确性做任何保证或承诺!文档内容仅供研究参考,付费前请自行鉴别。
3、如文档内容存在违规,或者侵犯商业秘密、侵犯著作权等,请点击“违规举报”。

碎片内容

电气配管安装工艺

确认删除?
VIP
微信客服
  • 扫码咨询
会员Q群
  • 会员专属群点击这里加入QQ群
客服邮箱
回到顶部