电脑桌面
添加小米粒文库到电脑桌面
安装后可以在桌面快捷访问

车站结构设计VIP专享VIP免费

车站结构设计_第1页
1/27
车站结构设计_第2页
2/27
车站结构设计_第3页
3/27
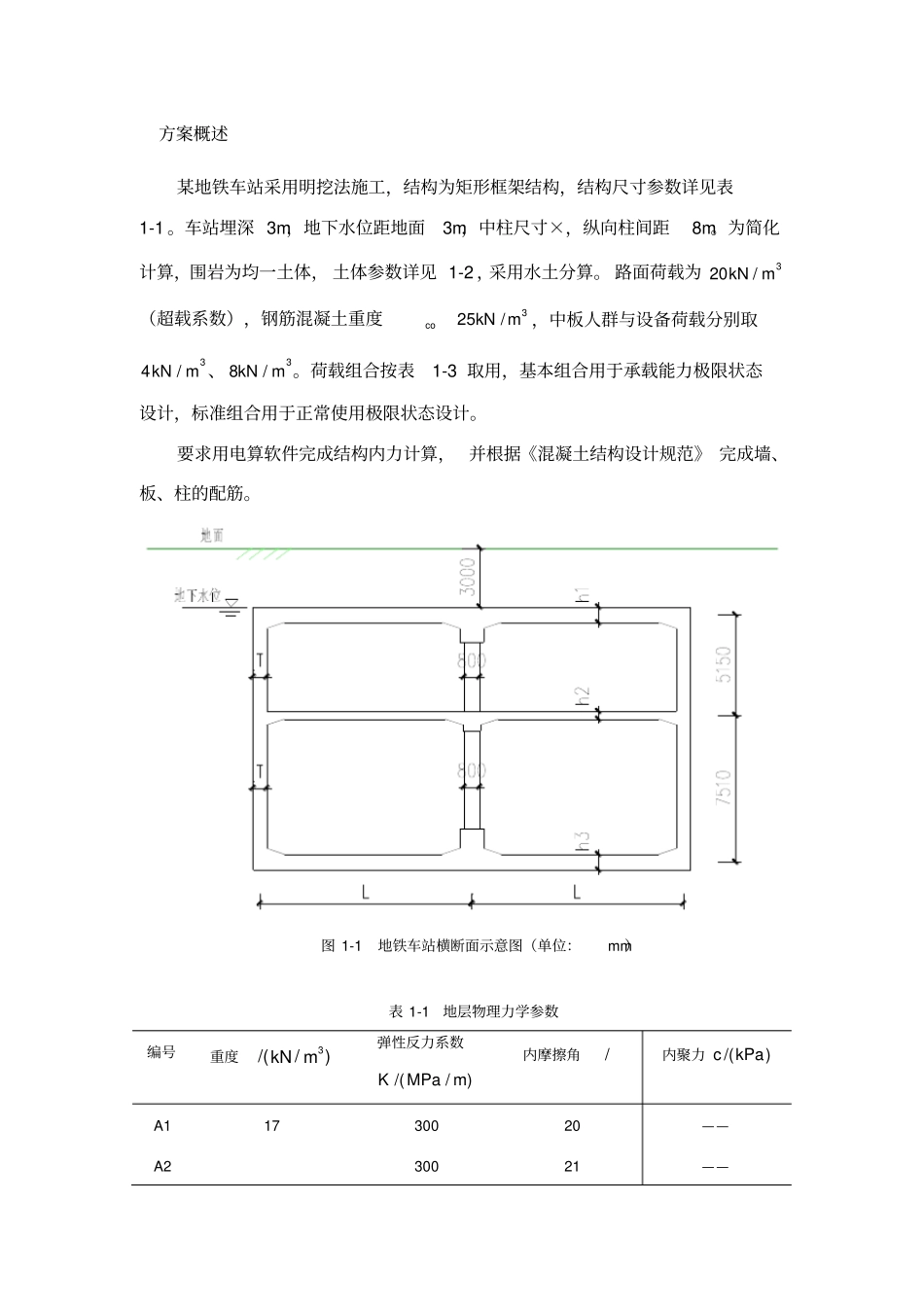
目录第一章程设计任务概述..............................................21、课程设计目的...................................................22、设计规范及参考书...............................................23、课程设计方案..........................................................2方案概述...................................................................2主要材料...................................................................54、课程设计基本流程.....................................................5第二章平面结构计算简图及荷载计算..................................61、中柱的简化.....................................................62、墙和板的简化...................................................63、截面特性.......................................................64、截面尺寸.......................................................75、荷载计算...............................................................7车站横断面计算简图.........................................................7荷载基本组合计算...........................................................8荷载标准组合计算...........................................................9第三章结构内力计算..............................................101、有限元建模....................................................102、计算结果......................................................10第四章结构配筋计算..............................................141、车站顶板上缘的配筋计算........................................142、中柱的配筋计算................................................173、准截面配筋计算表..............................................194、配筋图................................................................20第一章课程设计任务概述1、课程设计目的初步掌握地铁车站主体结构设计的基本流程;通过课程设计学习,熟悉地下工程“荷载—结构”法的有限元计算过程;掌握平面简化模型的计算简图、主动荷载及荷载的组合方式、地层抗力及其如何在计算中体现;通过实际操作,掌握有限元建模、划分单元、施加约束、施加荷载的方法;掌握地下矩形框架结构的内力分布特点,并根据结构内力完成配筋工作。为毕业设计及今后的实际工作做理论和实践上的准备。2、设计规范及参考书1、《混凝土结构设计规范》2、《地下铁道》(高波主编,西南交通大学出版社)3、《混凝土结构设计原理》教材4、计算软件基本使用教程相关的参考书(推荐用ANSYS)3、课程设计方案方案概述某地铁车站采用明挖法施工,结构为矩形框架结构,结构尺寸参数详见表1-1。车站埋深3m,地下水位距地面3m,中柱尺寸×,纵向柱间距8m。为简化计算,围岩为均一土体,土体参数详见1-2,采用水土分算。路面荷载为3/20mkN(超载系数),钢筋混凝土重度3/25mkNco,中板人群与设备荷载分别取3/4mkN、3/8mkN。荷载组合按表1-3取用,基本组合用于承载能力极限状态设计,标准组合用于正常使用极限状态设计。要求用电算软件完成结构内力计算,并根据《混凝土结构设计规范》完成墙、板、柱的配筋。图1-1地铁车站横断面示意图(单位:mm)表1-1地层物理力学参数编号重度)//(3mkN弹性反力系数)//(mMPaK内摩擦角/内聚力)/(kPacA11730020——A230021——A31830022——A430023——A51930024——A630025——A72030026——表1-2结构尺寸参数(单位:m)编号跨度L顶板厚h1中板厚h2底板厚h3墙厚T中柱B1×B2×B3×B4×B5×B67×B77×B87×B97×B107×B11×B12×B13×B14×B15×B168×B178×B188×B198×B208×B21×B22×B23×B24×B25×B269×B279×B289×B299×B309×表1-3荷载组合表组合工况永久荷载可变荷载水土压力水浮力人防荷载地震荷载基本组合00标准组合00主要材料1、混凝土:板、墙用C30,柱子C40;弹性模量和泊松比查规范。2、钢筋根据《混凝...

1、当您付费下载文档后,您只拥有了使用权限,并不意味着购买了版权,文档只能用于自身使用,不得用于其他商业用途(如 [转卖]进行直接盈利或[编辑后售卖]进行间接盈利)。
2、本站所有内容均由合作方或网友上传,本站不对文档的完整性、权威性及其观点立场正确性做任何保证或承诺!文档内容仅供研究参考,付费前请自行鉴别。
3、如文档内容存在违规,或者侵犯商业秘密、侵犯著作权等,请点击“违规举报”。

碎片内容

车站结构设计

确认删除?
VIP
微信客服
  • 扫码咨询
会员Q群
  • 会员专属群点击这里加入QQ群
客服邮箱
回到顶部