电脑桌面
添加小米粒文库到电脑桌面
安装后可以在桌面快捷访问

软包装材料的分类及识别判定方法资料VIP免费

软包装材料的分类及识别判定方法资料_第1页
1/12
软包装材料的分类及识别判定方法资料_第2页
2/12
软包装材料的分类及识别判定方法资料_第3页
3/12
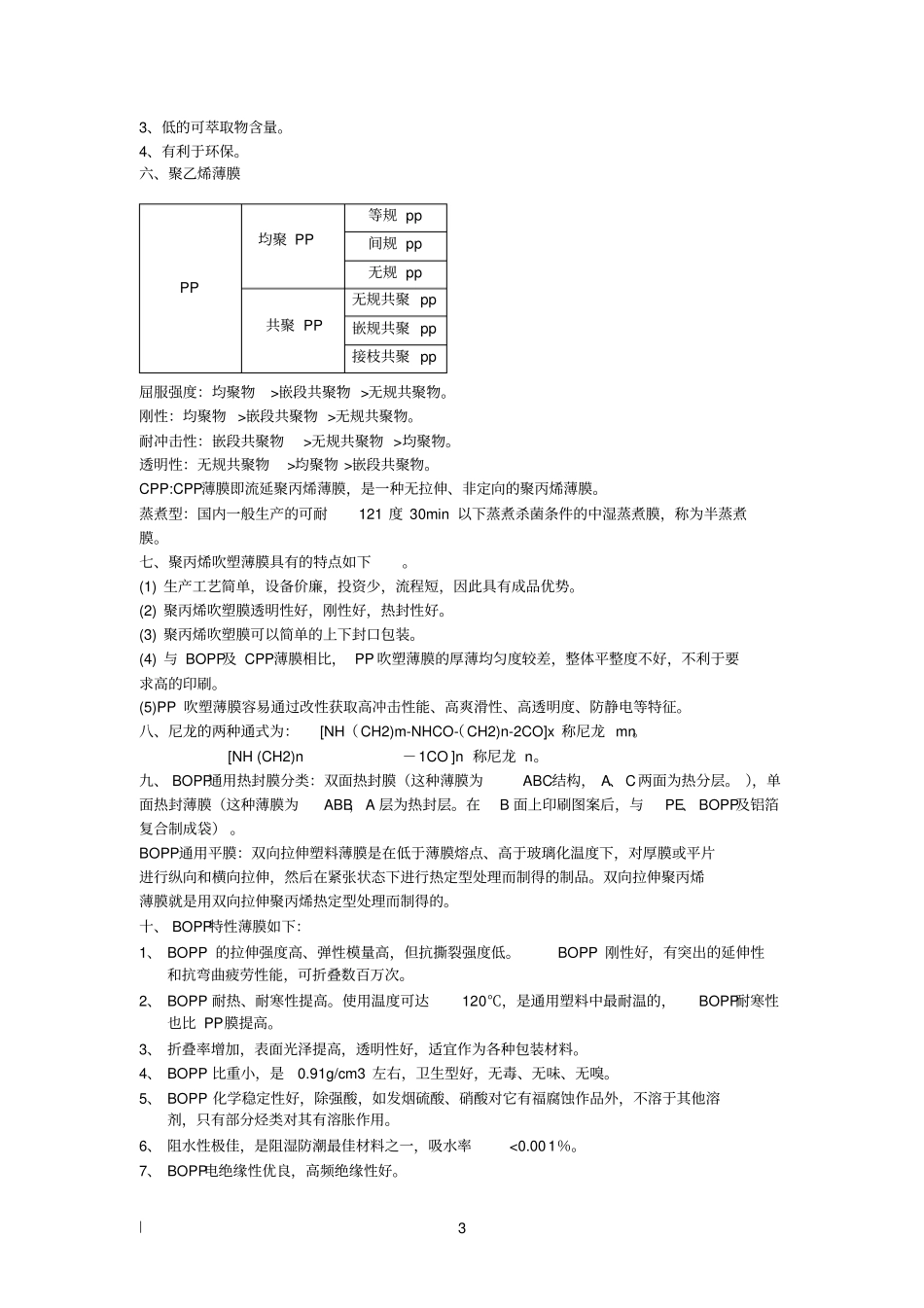
|1软包装材料的分类及判定识别方法1、PVC(氯乙烯薄膜)本色为白色或微黄色半透明状,有光泽、透用度优与PE,低于聚苯乙烯透明材料有点蓝,软制品柔而韧,手感粘。硬制品的硬度在LOPE和PP之间,在屈折处白化现象。2、PET(涤纶):A.末着色时为白色,无色无味、无毒无臭,手感较硬、揉搓PET时有响。B.燃烧特征:燃烧时火焰内黄外蓝火焰有跳火现象,小量黑烟、微膨胀、有时开裂、有刺激酸味,燃烧后材料表面黑色碳化,手指揉搓燃烧后的碳化物则显粉末状。3、PS聚苯乙烯:A末着色时为透明制品落地换货敲打有清脆的金属声,类似与玻璃脆易断裂、用指甲可在制品表面划出痕迹。B燃烧特征:易燃、离火后可继续燃烧、火焰呈橙黄色、内光、浓黑烟有软化旗袍现象。(用于包装容器,电视,仪表的外壳).4、PC聚碳酸酯薄膜:燃烧特征:燃烧的离火熄灭,燃烧时火机移除出现一点火茫的现象,火焰黄色、软化气泡、有小量黑烟,有PC特殊气味,花果臭味。5、PMMA(有机玻璃):燃烧特征:容易燃烧离火继续燃烧。火焰呈浅蓝色,顶端白色火机烧过发生吱吱的响声,软化起泡,有点酸味,强烈花果及腐烂蔬菜臭,拉丝好。建筑行业隔音门窗,日光灯外壳、摆放手的糖果。6、PA:(尼龙)A本色半透明或不透明微黄或乳白色B燃烧特征:慢慢燃烧慢慢熄灭,点燃后无烟燃烧时冒泡、火焰蓝色上端黄色、熔融滴落、味特殊、有鸡毛羊毛指甲燃烧的气味。拉丝时,丝收缩的是PA6,不收缩的是PA66。7、ABS本色(米黄色)最好、颜色多种多样、种类繁多;有新料、合金料、增强聊、阻燃料、喷漆料、镀金料等。B.燃烧特征:燃烧后冒烟,新料ABS即纯ABS火均匀燃烧有丙香味,合金料燃烧起时火移去自灭。8、POM燃烧特征:易燃烧离火后继续燃烧,火焰状态上黄下蓝、熔融滴落、燃时可见发泡状、不冒烟、火移去看不到灰,看到燃烧时很难灭,味呛人强烈刺激的甲醛味、鱼腥臭味、不可近鼻子闻,有剧毒、耐毒、耐磨。9、EVI燃燃烧特征:烧是冒白烟,发泡比较多。(泡沫鞋底)10、PP聚丙烯:A:末着色呈白色,半透明,蜡状密度小于水放于清水中上浮。透明度较依稀好比聚乙烯刚硬B.燃烧特征:燃烧时火焰上清下黄,燃烧不间断、熔融滴落、石油气味、刺激性比PE大、些有点像蚊香。可以拉很长的丝,(燃烧时无烟平时可能有烟)白烟。11、PE的鉴别①未着色时呈乳白色,半透明蜡状、手感滑腻、柔而软无毒、比水清、放于水中上浮,硬料扔在地上发出绵绵的响声。②燃烧特征:燃烧时无烟,熄灭时冒白烟,味平淡,有蜡的气味燃烧快而不自息,离火可燃火焰上黄下蓝。熔融滴落,可拉丝。一、复合软包装的特性:1、功能丰富。2、软包装技术含量高,生产工艺复杂,基材繁多,包装内容物千变万化。3、软包装是最具有亲和力的包装方式之一,是销售包装中最主要的包装形式。4、货架展示效果极佳。5、包装形态、包装方式多种多样。6、经济性。|2二、复合软包装材料及产品的分类1、按材料分类:纸复合材料、铝箔复合材料、塑膜复合材料、织物复合材料等。2、按包装的形式分类:三边封袋、背封带、直立袋、拉链袋、装嘴袋、软管、盖材、标贴等。3、按生产工艺分类:干式复合膜、挤出复合膜、无溶剂复合膜、涂覆合等。4、按功能分类:高祖隔膜(袋)、蒸煮膜(袋)、抗静电膜(袋)、抗菌膜(袋)、真空包装膜(袋)、抗化学品膜(袋)、除氧包装膜(袋)、气调包装膜(袋)等。A、软包装成为货架销售最主要的包装形态。三、聚乙烯薄膜(PE)1、聚乙烯是使用历史较长,使用量较大的通用型热塑性塑料,在塑料包装材料中占有最重要的地位。根据聚乙烯工业化生产的年代,聚乙烯可分为:第一代,髙压法低密度聚乙烯(LDPE);第二代,低压法高密度聚乙烯(HDPE);第三代,线性低密度聚乙烯(LLDPE);第四代、超底密度聚乙烯(VLDPE);第五代,茂金属聚乙烯(mPE)。2、影响聚乙烯性能的因素:(1)分子量及分布。(2)密度(3)洁净度(4)共聚如果分子量分布变大,一般情况下,聚乙烯性能变差,特别是冲击强度、耐磨性、脆性、耐环境应力开裂性均下降,对部分性能影响不大。四、刚性与密度的关系:密度越低,刚性越差。就同一密度来说,LLDPE的刚性比LDPE大。五、HDPE薄膜1、使用...

1、当您付费下载文档后,您只拥有了使用权限,并不意味着购买了版权,文档只能用于自身使用,不得用于其他商业用途(如 [转卖]进行直接盈利或[编辑后售卖]进行间接盈利)。
2、本站所有内容均由合作方或网友上传,本站不对文档的完整性、权威性及其观点立场正确性做任何保证或承诺!文档内容仅供研究参考,付费前请自行鉴别。
3、如文档内容存在违规,或者侵犯商业秘密、侵犯著作权等,请点击“违规举报”。

碎片内容

软包装材料的分类及识别判定方法资料

您可能关注的文档

确认删除?
VIP
微信客服
  • 扫码咨询
会员Q群
  • 会员专属群点击这里加入QQ群
客服邮箱
回到顶部