电脑桌面
添加小米粒文库到电脑桌面
安装后可以在桌面快捷访问

辽宁六校协作体2018_2019学年高二物理下学期期中试题VIP免费

辽宁六校协作体2018_2019学年高二物理下学期期中试题_第1页
1/4
辽宁六校协作体2018_2019学年高二物理下学期期中试题_第2页
2/4
辽宁六校协作体2018_2019学年高二物理下学期期中试题_第3页
3/4
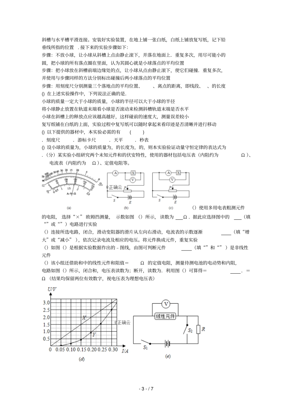
-1-/7~学年度下学期省六校协作体高二期中考试物理试题第卷一.选择题(每题分,单选,多选,漏选分,错选不得分).物体沿直线运动的位移—时间关系是-(),下列正确的是().物体运动的加速度大小为.运动秒位移为零.运动秒瞬时速度为零.第秒内位移为.如图所示,穿在一根光滑的固定杆上的两个小球、连接在一条跨过定滑轮的细绳两端,杆与水平面成θ角,不计所有摩擦,当两球静止时,绳与杆的夹角为θ,绳沿竖直方向,则正确的说法是().小球可能受到个力的作用.小球可能受到个力的作用.、的质量之比为:θ.、的质量之比为:θ.如图所示、两物体的质量分别为和,由轻质弹簧相连.当用恒力竖直向上拉着,使、一起向上做匀加速直线运动时,弹簧伸长量为,加速度大小为;当用大小仍为的恒力沿水平方向拉着,使、一起沿光滑水平桌面做匀加速直线运动时,弹簧伸长量为,加速度大小为,正确的是()<><>.下列关于力和运动的关系说法正确的是().物体所受的合外力不为零时,其速度不可能为零.物体所受的合外力的方向,就是物体运动的方向.物体所受的合外力越大,运动速度的变化就越大.物体所受的合外力不为零,则加速度一定不为零.如图所示为模拟过山车的实验装置,小球从左侧的最高点释放后能够通过竖直圆轨道而到达右侧.若竖直圆轨道的半径为,要使小球能顺利通过竖直圆轨道,则小球通过竖直圆轨道的最高点时的角速度最小值为()..如图所示,虚线、、代表电场中的三条电场线,实线为一带负电的粒子仅在电场力作用下通过该区域时的运动轨迹,、、是这条轨迹上的三点,由此可知().带电粒子在点时的速度大小大于在点时速度大小.带电粒子在点时的电势能比在点时的电势能大.带电粒子在点时的动能与电势能之和比在点时的小,比在点时的大.带电粒子在点时的加速度大小小于在点时的加速度大小.如图所示电路中,为一滑动变阻器,为滑片,闭合开关,若将滑片向下滑动,则在滑动过程中,下列判断不正确的是().电源内电路消耗功率一定逐渐增大.灯泡一定逐渐变暗.电源效率一定逐渐减小.上消耗功率一定逐渐变小-2-/7.已知地球质量为,半径为,自转周期为,地球同步卫星质量为,引力常量为.有关同步卫星,下列表述正确的是()、卫星距地面的高度为、卫星运行的速度大于第一宇宙速度、卫星运行时受到的向心力大小为、卫星的向心加速度大于地球赤道上物体的向心加速度.如图,一矩形导线框与一通有电流的长直导线位于一平面内,长直导线中的电流自左向右。在电流越来越大的过程中,导线框中会产生感应电流,对于以下结论正确的是().感应电流的方向与图中线框上箭头的方向相同.感应电流可能恒定不变.感应电流可能越来越大.若导线框的电阻比较大,则感应电流将逐渐变为零.图()所示,理想变压器的原、副线圈匝数比为∶,为热敏电阻,阻值随温度升高而减小。为定值电阻,电压表和电流表均为理想电表。原线圈所接电压随时间按正弦规律变化,如图()所示。下列说法正确的是().变压器输入、输出功率之比为∶.变压器原、副线圈中的电流强度之比为∶.随变化的规律为=(π)(国际单位制).若热敏电阻的温度升高,则电压表的示数不变,电流表的示数变大.如图所示,在轴上方存在垂直纸面向里的磁感应强度大小为的匀强磁场,在轴下方存在垂直纸面向外的磁感应强度大小为的匀强磁场。一带负电的粒子(不计重力),从原点与轴成°角斜向上射入磁场,且在轴上方运动的半径为。则下列说法正确的是().粒子经偏转一定不能回到原点.粒子完成一次周期性运动的时间为.粒子射入磁场后,第二次经过轴时与点的距离为.粒子在轴上方和下方的磁场中运动的半径之比为:.如图所示,可视为质点的小球和用一根长为的轻杆相连,两球质量相等,开始时两小球置于光滑的水平面上,并给两小球一个的初速度,经一段时间两小球滑上一个倾角为°的光滑斜面,不计球与斜面碰撞时的机械能损失,取,在两小球的速度减小为零的过程中,下列判断正确的是().杆对小球做正功.杆对小球做正功.小球的机械能增加量等于小球的机械能减少量.小球速度为零时距水平面的高度为第卷二.实验题(共分,题分,题分).(分)用小球和小球的碰撞验证动量守恒定律...

1、当您付费下载文档后,您只拥有了使用权限,并不意味着购买了版权,文档只能用于自身使用,不得用于其他商业用途(如 [转卖]进行直接盈利或[编辑后售卖]进行间接盈利)。
2、本站所有内容均由合作方或网友上传,本站不对文档的完整性、权威性及其观点立场正确性做任何保证或承诺!文档内容仅供研究参考,付费前请自行鉴别。
3、如文档内容存在违规,或者侵犯商业秘密、侵犯著作权等,请点击“违规举报”。

碎片内容

辽宁六校协作体2018_2019学年高二物理下学期期中试题

您可能关注的文档

爱的疯狂+ 关注
实名认证
内容提供者

该用户很懒,什么也没介绍

确认删除?
VIP
微信客服
  • 扫码咨询
会员Q群
  • 会员专属群点击这里加入QQ群
客服邮箱
回到顶部