电脑桌面
添加小米粒文库到电脑桌面
安装后可以在桌面快捷访问

高考化学 精讲巧解分类攻克12VIP免费

高考化学 精讲巧解分类攻克12_第1页
1/6
高考化学 精讲巧解分类攻克12_第2页
2/6
高考化学 精讲巧解分类攻克12_第3页
3/6
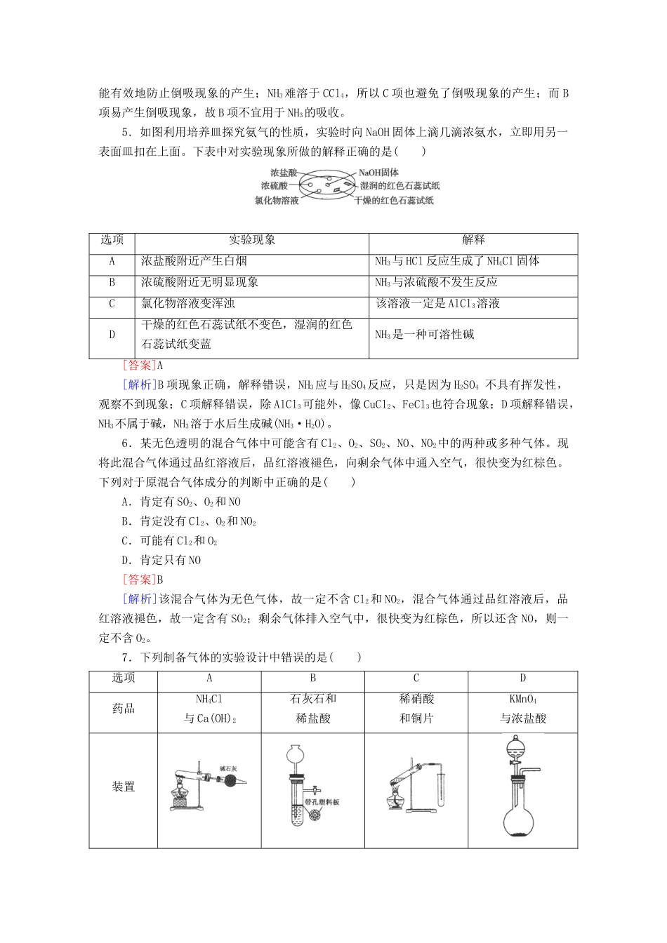
备战高考化学精讲巧解分类攻克12一、选择题(共48分,每小题4分)1.氮元素在地球上含量丰富,氮及其化合物在工农业生产、生活中有着重要作用。下列叙述与氮元素的循环无关的是()A.工业合成氨的过程是固氮的过程B.自然界中,氨是动物体特别是蛋白质腐败后的产物C.为防止粮食、罐头、水果等食品腐烂,常用氮气做保护气D.电闪雷鸣的雨天,N2与O2会发生反应并最终转化为硝酸盐被植物吸收[答案]C[解析]C项中由于N2很不活泼,故而又作为保护气,不参与化学反应,也就不参与氮的循环。2.硝酸被称为“国防工业之母”是因为它是制取炸药的重要原料。下列实验事实与硝酸性质不相对应的一组是()A.浓硝酸使紫色石蕊试液先变红后褪色——酸性和强氧化性B.不能用稀硝酸与锌反应制氢气——强氧化性C.要用棕色瓶盛装浓硝酸——不稳定性D.能使滴有酚酞的氢氧化钠溶液红色褪去——强氧化性[答案]D[解析]使滴有酚酞的NaOH溶液红色褪去,是因为HNO3+NaOH===NaNO3+H2O,而不是因为强氧化性,D错误。3.氨气溶于水得到氨水,氯气溶于水得到氯水,下列关于新制的氨水、氯水的描述正确的是()A.“两水”都是混合物,溶液中含有的粒子种类、数目相同B.“两水”都有刺激性气味,都能漂白有机色素C.“两水”中都存在可逆反应的化学平衡和弱电解质的电离平衡D.“两水”放置时间较久后都会因为相同的原理而变质[答案]C[解析]氯水中存在的微粒有:Cl2、H2O和HClO、Cl-、ClO-、H+、OH-,氨水中存在的微粒有:NH3、H2O和NH3·H2O、NH、H+、OH-,A错;氨水无漂白性,B错;氯水变质是因为HClO见光分解,氨水变质是由于氨气的挥发,D错。4.(·临汾质检)已知NH3难溶于CCl4,如下图所示,下列装置中,不宜用于吸收氨气的是()[答案]B[解析]NH3极易溶于水,所以导管直接插入水中吸收NH3时易产生倒吸现象,A项、D项能有效地防止倒吸现象的产生;NH3难溶于CCl4,所以C项也避免了倒吸现象的产生;而B项易产生倒吸现象,故B项不宜用于NH3的吸收。5.如图利用培养皿探究氨气的性质,实验时向NaOH固体上滴几滴浓氨水,立即用另一表面皿扣在上面。下表中对实验现象所做的解释正确的是()选项实验现象解释A浓盐酸附近产生白烟NH3与HCl反应生成了NH4Cl固体B浓硫酸附近无明显现象NH3与浓硫酸不发生反应C氯化物溶液变浑浊该溶液一定是AlCl3溶液D干燥的红色石蕊试纸不变色,湿润的红色石蕊试纸变蓝NH3是一种可溶性碱[答案]A[解析]B项现象正确,解释错误,NH3应与H2SO4反应,只是因为H2SO4不具有挥发性,观察不到现象;C项解释错误,除AlCl3可能外,像CuCl2、FeCl3也符合现象;D项解释错误,NH3不属于碱,NH3溶于水后生成碱(NH3·H2O)。6.某无色透明的混合气体中可能含有Cl2、O2、SO2、NO、NO2中的两种或多种气体。现将此混合气体通过品红溶液后,品红溶液褪色,向剩余气体中通入空气,很快变为红棕色。下列对于原混合气体成分的判断中正确的是()A.肯定有SO2、O2和NOB.肯定没有Cl2、O2和NO2C.可能有Cl2和O2D.肯定只有NO[答案]B[解析]该混合气体为无色气体,故一定不含Cl2和NO2,混合气体通过品红溶液后,品红溶液褪色,故一定含有SO2;剩余气体排入空气中,很快变为红棕色,所以还含NO,则一定不含O2。7.下列制备气体的实验设计中错误的是()选项ABCD药品NH4Cl与Ca(OH)2石灰石和稀盐酸稀硝酸和铜片KMnO4与浓盐酸装置[答案]C[解析]NO不能用排空气法收集,C错误。8.将3.2gCu跟30.0mL10.0mol·L-1的HNO3溶液充分反应,还原产物有NO和NO2,若反应后溶液中有amolH+,则此时溶液中含NO的物质的量为()A.0.5amolB.(0.1+a)molC.0.1amolD.2amol[答案]B[解析]由题意可知HNO3过量,Cu全部反应,由电荷守恒得,n(NO)=n(H+)+2n(Cu2+),n(Cu2+)==0.05mol,n(NO)=amol+0.05mol×2=(a+0.1)mol。9.在如图所示的装置中,干燥烧瓶内盛有某种气体,烧杯和滴定管内盛放某种液体。挤压滴管的胶头,下列与实验事实不相符的是()A.CO2(NaHCO3溶液)/无色喷泉B.NH3(H2O含酚酞)/红色喷泉C.H2S(CuSO4溶液)/黑色喷泉D.HCl(AgNO3溶液)/白色喷泉[答案]A[解析]该题考查喷泉的形成。分析题给选项,A项,CO2在NaHCO3溶液中,...

1、当您付费下载文档后,您只拥有了使用权限,并不意味着购买了版权,文档只能用于自身使用,不得用于其他商业用途(如 [转卖]进行直接盈利或[编辑后售卖]进行间接盈利)。
2、本站所有内容均由合作方或网友上传,本站不对文档的完整性、权威性及其观点立场正确性做任何保证或承诺!文档内容仅供研究参考,付费前请自行鉴别。
3、如文档内容存在违规,或者侵犯商业秘密、侵犯著作权等,请点击“违规举报”。

碎片内容

高考化学 精讲巧解分类攻克12

您可能关注的文档

文章天下+ 关注
实名认证
内容提供者

各种文档应有尽有

确认删除?
VIP
微信客服
  • 扫码咨询
会员Q群
  • 会员专属群点击这里加入QQ群
客服邮箱
回到顶部