电脑桌面
添加小米粒文库到电脑桌面
安装后可以在桌面快捷访问

高考物理总复习 3-1-7-7 实验 练习使用多用电表VIP免费

高考物理总复习 3-1-7-7 实验 练习使用多用电表_第1页
1/7
高考物理总复习 3-1-7-7 实验 练习使用多用电表_第2页
2/7
高考物理总复习 3-1-7-7 实验 练习使用多用电表_第3页
3/7
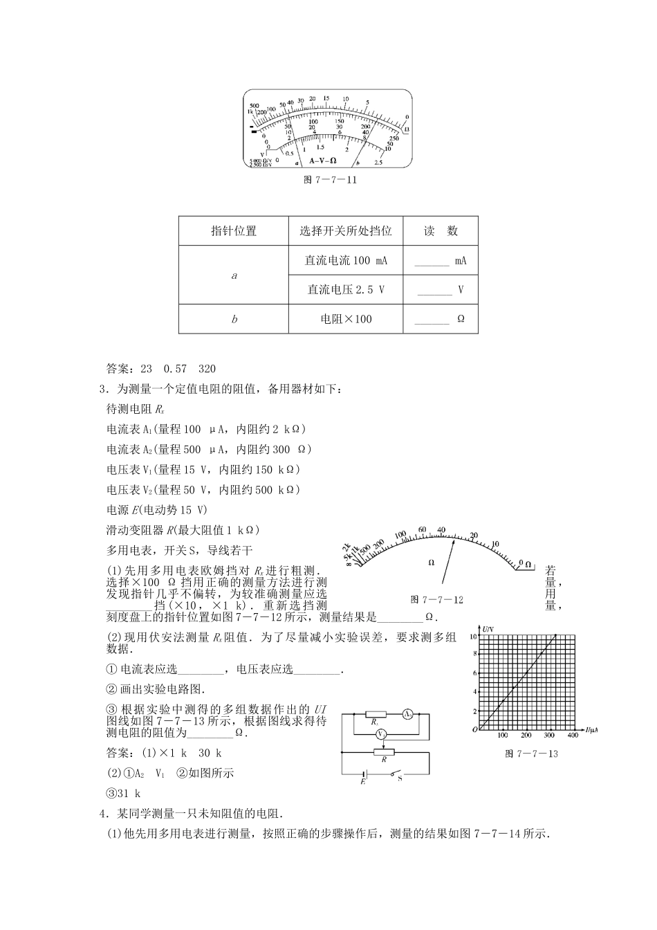
第7讲实验练习使用多用电表1.(·上海单科,15)(1)用多用表的欧姆挡测量阻值约为几十kΩ的电阻Rx,以下给出的是可能的实验操作步骤,其中S为选择开关,P为欧姆挡调零旋钮.把你认为正确步骤前的字母按合理的顺序填写在下面的横线上.a.将两表笔短接,调节P使指针对准刻度盘上欧姆挡的0刻度,断开两表笔b.将两表笔分别连接到被测电阻的两端,读出Rx的阻值后,断开两表笔c.旋转S使其尖端对准欧姆挡×1kd.旋转S使其尖端对准欧姆挡×100e.旋转S使其尖端对准交流500V挡,并拔出两表笔________.根据图7-7-10所示指针位置,此被测电阻的阻值约为________Ω.(2)(多选题)下述关于用多用表欧姆挡测电阻的说法中正确的是()A.测量电阻时,如果指针偏转过大,应将选择开关S拨至倍率较小的挡位,重新调零后测量B.测量电阻时,如果红、黑表笔分别插在负、正插孔,则会影响测量结果C.测量电路中的某个电阻,应该把该电阻与电路断开D.测量阻值不同的电阻时,都必须重新调零解析:(1)①使用欧姆表时,指针指在“中值”附近较为准确.②由题图知,中值电阻为30Ω,而被测电阻Rx为几十千欧,故选用×1k挡.③测量前必须调零.④实验完毕后,将选择开关拨至交流电压最高挡,故操作顺序应为:c、a、b、e.(2)指针偏角过大,说明电阻示数太小,即选用倍率过高,应换用倍率较小挡位,且重新调零,A正确.利用欧姆表测电阻时,因使用表内电源,故电阻不能在通路时测试,C正确.答案:(1)c、a、b、e30k(或30000)(2)AC2.用多用电表进行了几次测量,指针分别处于a和b的位置,如图7-7-11所示.若多用电表的选择开关处于下面表格中所指的挡位,a和b的相应读数是多少?请填在表格中.指针位置选择开关所处挡位读数a直流电流100mA______mA直流电压2.5V______Vb电阻×100______Ω答案:230.573203.为测量一个定值电阻的阻值,备用器材如下:待测电阻Rx电流表A1(量程100μA,内阻约2kΩ)电流表A2(量程500μA,内阻约300Ω)电压表V1(量程15V,内阻约150kΩ)电压表V2(量程50V,内阻约500kΩ)电源E(电动势15V)滑动变阻器R(最大阻值1kΩ)多用电表,开关S,导线若干(1)先用多用电表欧姆挡对Rx进行粗测.若选择×100Ω挡用正确的测量方法进行测量,发现指针几乎不偏转,为较准确测量应选用________挡(×10,×1k).重新选挡测量,刻度盘上的指针位置如图7-7-12所示,测量结果是________Ω.(2)现用伏安法测量Rx阻值.为了尽量减小实验误差,要求测多组数据.①电流表应选________,电压表应选________.②画出实验电路图.③根据实验中测得的多组数据作出的UI图线如图7-7-13所示,根据图线求得待测电阻的阻值为________Ω.答案:(1)×1k30k(2)①A2V1②如图所示③31k4.某同学测量一只未知阻值的电阻.(1)他先用多用电表进行测量,按照正确的步骤操作后,测量的结果如图7-7-14所示.请你读出其阻值大小为________.为了使多用电表测量的结果更准确,该同学接着应该进行哪些操作?①________________________________________________________________________.②________________________________________________________________________.③________________________________________________________________________.④________________________________________________________________________.(2)若该同学再用“伏安法”测量该电阻,所用器材如图7-7-15所示,其中电压表内阻约为5kΩ,电流表内阻约为5Ω,变阻器阻值为50Ω.图中部分连线已经连接好,为了尽可能准确地测量电阻,请你完成其余的连线.(3)该同学按照“伏安法”测量电阻的要求连接好图7-7-15电路后,按照正确的连接方式测得的电阻值将________(填“大于”“小于”或“等于”)被测电阻的实际阻值.解析:由于滑动变阻器的最大阻值较小,因此滑动变阻器连成分压式,由于电流表内阻较小,因此电流表内接.由于电流表有分压作用,因此测得的电阻值偏大.答案:(1)1.0kΩ或1000Ω①将选择开关打到“×100”挡;②将两表笔短接,调节调零旋钮,进行欧姆挡调零;③再将被测电阻接到两表笔之间测量其阻值并读出读数;④测量完毕将选择开...

1、当您付费下载文档后,您只拥有了使用权限,并不意味着购买了版权,文档只能用于自身使用,不得用于其他商业用途(如 [转卖]进行直接盈利或[编辑后售卖]进行间接盈利)。
2、本站所有内容均由合作方或网友上传,本站不对文档的完整性、权威性及其观点立场正确性做任何保证或承诺!文档内容仅供研究参考,付费前请自行鉴别。
3、如文档内容存在违规,或者侵犯商业秘密、侵犯著作权等,请点击“违规举报”。

碎片内容

高考物理总复习 3-1-7-7 实验 练习使用多用电表

您可能关注的文档

确认删除?
VIP
微信客服
  • 扫码咨询
会员Q群
  • 会员专属群点击这里加入QQ群
客服邮箱
回到顶部