电脑桌面
添加小米粒文库到电脑桌面
安装后可以在桌面快捷访问

CRC码生成与校验电路的设计VIP免费

CRC码生成与校验电路的设计_第1页
1/18
CRC码生成与校验电路的设计_第2页
2/18
CRC码生成与校验电路的设计_第3页
3/18
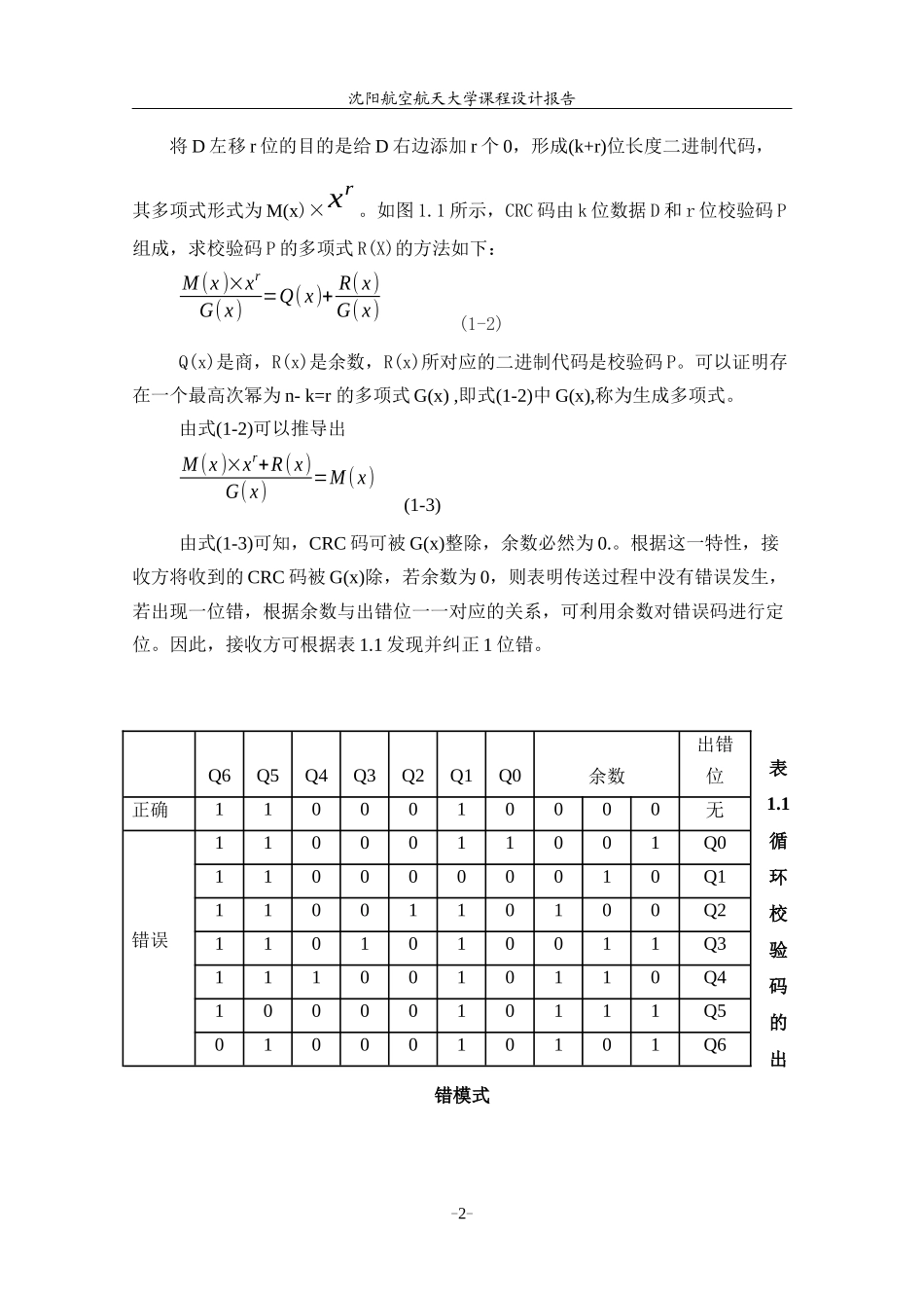
目录第1章总体设计方案....................................................................................................11.1设计原理..................................................................................................................11.2设计思路..................................................................................................................21.3设计环境.................................................................................................................3第2章详细设计方案....................................................................................................52.1顶层方案图的设计与实现.....................................................................................52.1.1创建顶层图形设计文件...................................................................................62.1.2器件的选择与引脚锁定...................................................................................62.1.3编译、综合、适配...........................................................................................82.2功能模块的设计与实现.........................................................................................82.2.1模2除法器的设计与实现................................................................................82.2.2移位寄存器的设计与实现.............................................................................102.3仿真调试...............................................................................................................11第3章编程下载与硬件测试......................................................................................143.1编程下载...............................................................................................................143.2硬件测试及结果分析...........................................................................................14参考文献.........................................................................................................................15附录(电路原理图)...............................................................................................16-I-沈阳航空航天大学课程设计报告第1章总体设计方案1.1设计原理循环冗余校验码(cyclicredundancycheck,CRC)简称为循环码或CRC码。二进制信息沿一条信号线逐位在设备之间传送称为串行传送,CRC码常用于串行传送过程中的检错与纠错。CRC码的编码格式如图1.1所示,是在k位有效数据之后添加r位校验码,形成总长度为n的CRC码,简写作C(n,k)码。CRC编码的关键技术在于如何从k位信息简便的得到r位校验码,并根据总长度为n的CRC码进行纠错。图1.1设被校验的数据D=Dk−1Dk−2...D1D0是一个k位的二进制代码,将它表示为一个(k-1)阶的多项式M(x)=Dk−1xk−1+Dk−2xk−2+...+...+D1x1+D0(1-1)多项式(1-1)中的系数D的取值为0或1,与被校验的数据M一一对应;式中的x是一个伪变量,用xi指明各位的位置。设校验码P长度为r,将被校验数据D左移r位后的结果为Dk−1Dk−2...D1D000...00⏞r位-1-沈阳航空航天大学课程设计报告将D左移r位的目的是给D右边添加r个0,形成(k+r)位长度二进制代码,其多项式形式为M(x)×xr。如图1.1所示,CRC码由k位数据D和r位校验码P组成,求校验码P的多项式R(X)的方法如下:M(x)×xrG(x)=Q(x)+R(x)G(x)(1-2)Q(x)是商,R(x)是余数,R(x)所对应的二进制代码是校验码P。可以证明存在一个最高次幂为n-k=r的多项式G(x),即式(1-2)中G(x),称为生成多项式。由式(1-2)可以推导出M(x)×xr+R(x)G(x)=M(x)(1-3)由式(1-3)可知,CRC码可被G(x)整除,余数必然为0.。根据这一特性,接收方将收到的CRC码被G(x)除,若余数为0,则表...

1、当您付费下载文档后,您只拥有了使用权限,并不意味着购买了版权,文档只能用于自身使用,不得用于其他商业用途(如 [转卖]进行直接盈利或[编辑后售卖]进行间接盈利)。
2、本站所有内容均由合作方或网友上传,本站不对文档的完整性、权威性及其观点立场正确性做任何保证或承诺!文档内容仅供研究参考,付费前请自行鉴别。
3、如文档内容存在违规,或者侵犯商业秘密、侵犯著作权等,请点击“违规举报”。

碎片内容

CRC码生成与校验电路的设计

黄金书屋+ 关注
实名认证
内容提供者

爱好英语教学和互联网行业,热爱教育事业,兢兢业业

确认删除?
VIP
微信客服
  • 扫码咨询
会员Q群
  • 会员专属群点击这里加入QQ群
客服邮箱
回到顶部