电脑桌面
添加小米粒文库到电脑桌面
安装后可以在桌面快捷访问

中国石油大学(华东)现代远程教育-电学元件伏安特性研究VIP免费

中国石油大学(华东)现代远程教育-电学元件伏安特性研究_第1页
1/5
中国石油大学(华东)现代远程教育-电学元件伏安特性研究_第2页
2/5
中国石油大学(华东)现代远程教育-电学元件伏安特性研究_第3页
3/5
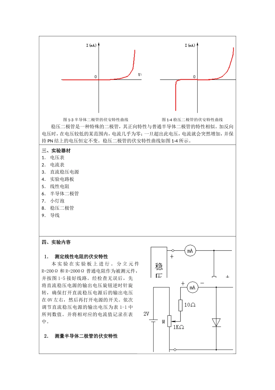
中国石油大学(华东)现代远程教育实验报告课程名称:大学物理(二)实验名称:电学元件伏安特性研究实验形式:在线模拟+现场实践提交形式:提交书面实验报告学生姓名:学号:年级专业层次:16春网络春高起专计算机应用技术学习中心:提交时间:2016年11月22日一、实验目的1.掌握电压表、电流表、直流稳压电源等仪器的使用方法2.学习电阻元件伏安特性曲线的测量方法3.加深理解欧姆定律,熟悉伏安特性曲线的绘制方法二、实验原理若二端元件的特性可用加在该元件两端的电压U和流过该元件的电流I之间的函数关系I=f(U)来表征,以电压U为横坐标,以电流I为纵坐标,绘制I-U曲线,则该曲线称为该二端元件的伏安特性曲线。电阻元件是一种对电流呈阻力特性的元件。当电流通过电阻元件时,电阻元件将电能转化为其它形式的能量,例如热能、光能等,同时,沿电流流动的方向产生电压降,流过电阻R的电流等于电阻两端电压U与电阻阻值之比,即(1-1)这一关系称为欧姆定律。若电阻阻值R不随电流I变化,则该电阻称为线性电阻元件,常用的普通电阻就近似地具有这一特性,其伏安特性曲线为一条通过原点的直线,如图1-1所示,该直线斜率的倒数为电阻阻值R。线性电阻的伏安特性曲线对称于坐标原点,说明在电路中若将线性电阻反接,也不会不影响电路参数。这种伏安特性曲线对称于坐标原点的元件称为双向性元件。白炽灯工作时,灯丝处于高温状态,灯丝的电阻随温度升高而增大,而灯丝温度又与流过灯丝的电流有关,所以,灯丝阻值随流过灯丝的电流而变化,灯丝的伏安特性曲线不再是一条直线,而是如图1-2所示的曲线。半导体二极管的伏安特性曲线取决于PN结的特性。在半导体二极管的PN结上加正向电压时,由于PN结正向压降很小,流过PN结的电流会随电压的升高而急剧增大;在PN结上加反向电压时,PN结能承受和大的压降,流过PN结的电流几乎为零。所以,在一定电压变化范围内,半导体二极管具有单向导电的特性,其伏安特性曲线如图1-3所示。图1-2小灯泡灯丝的伏安特性曲线图1-4稳压二极管的伏安特性曲线稳压二极管是一种特殊的二极管,其正向特性与普通半导体二极管的特性相似。加反向电压时,在电压较低的某范围内,电流几乎为零;一旦超出此电压,电流就会突然增加,并保持PN结上的电压恒定不变。稳压二极管的伏安特性曲线如图1-4所示。三、实验器材1.电压表2.电流表3.直流稳压电源4.实验电路板5.线性电阻6.半导体二极管7.小灯泡8.稳压二极管9.导线四、实验内容1.测定线性电阻的伏安特性本实验在实验板上进行。分立元件R=200Ω和R=2000Ω普通电阻作为被测元件,并按图1-5接好线路。经检查无误后,先将直流稳压电源的输出电压旋钮逆时针旋转,确保打开直流稳压电源后的输出电压在0V左右,然后再打开电源的开关。依次调节直流稳压电源的输出电压为表1-1中所列数值。并将相对应的电流值记录在表中。2.测量半导体二极管的伏安特性图1-3半导体二极管的伏安特性曲线(1)正向特性将稳压电源的输出电压调到2V后,关闭电源开关,按图1-6接好线路。经检查无误后,开启稳压电源。调节电位器W,使电压表读数分别为表1-2中数值,并将相对应的电流表读数记于表1-2中。为了便于作图,在曲线弯曲部分可适当多取几个测量点。3.测定小灯泡灯丝的伏安特性本实验采用低压小灯泡作为测试对象。按图1-8接好电路,并将直流稳压电源的输出电压调到0V左右。经检查无误后,打开直流稳压电源开关。依次调节电源输出电压为表1-4所列数值。并将相对应的电流值记录在表1-4中。注意在打开电源开关前一定先将电压调节旋钮逆时针调到电压最小的位置。五、实验数据表1-1测定线性电阻的伏安特性U(V)0246810R=200ΩI(mA)0101.8274049R=2000ΩI(mA)012345表1-2测定二极管的正向伏安特性U(V)00.10.20.30.40.50.550.60.650.70.75I(mA)0000000.40.93.859.244表1-3测定小灯泡灯丝的伏安特性U(V)00.40.81.21.6234568I(mA)038587085100120146164182200图1-7测量小灯泡灯丝的伏安特性六、结论1.通过比较线性电阻与灯丝的伏安特性曲线,分析这两种元件的性质有什么异同?答:线性电阻,其阻值恒定,其电流与电压成正比。伏安特性曲...

1、当您付费下载文档后,您只拥有了使用权限,并不意味着购买了版权,文档只能用于自身使用,不得用于其他商业用途(如 [转卖]进行直接盈利或[编辑后售卖]进行间接盈利)。
2、本站所有内容均由合作方或网友上传,本站不对文档的完整性、权威性及其观点立场正确性做任何保证或承诺!文档内容仅供研究参考,付费前请自行鉴别。
3、如文档内容存在违规,或者侵犯商业秘密、侵犯著作权等,请点击“违规举报”。

碎片内容

中国石油大学(华东)现代远程教育-电学元件伏安特性研究

确认删除?
VIP
微信客服
  • 扫码咨询
会员Q群
  • 会员专属群点击这里加入QQ群
客服邮箱
回到顶部