电脑桌面
添加小米粒文库到电脑桌面
安装后可以在桌面快捷访问

《房屋建筑学》课程设计VIP免费

《房屋建筑学》课程设计_第1页
1/19
《房屋建筑学》课程设计_第2页
2/19
《房屋建筑学》课程设计_第3页
3/19
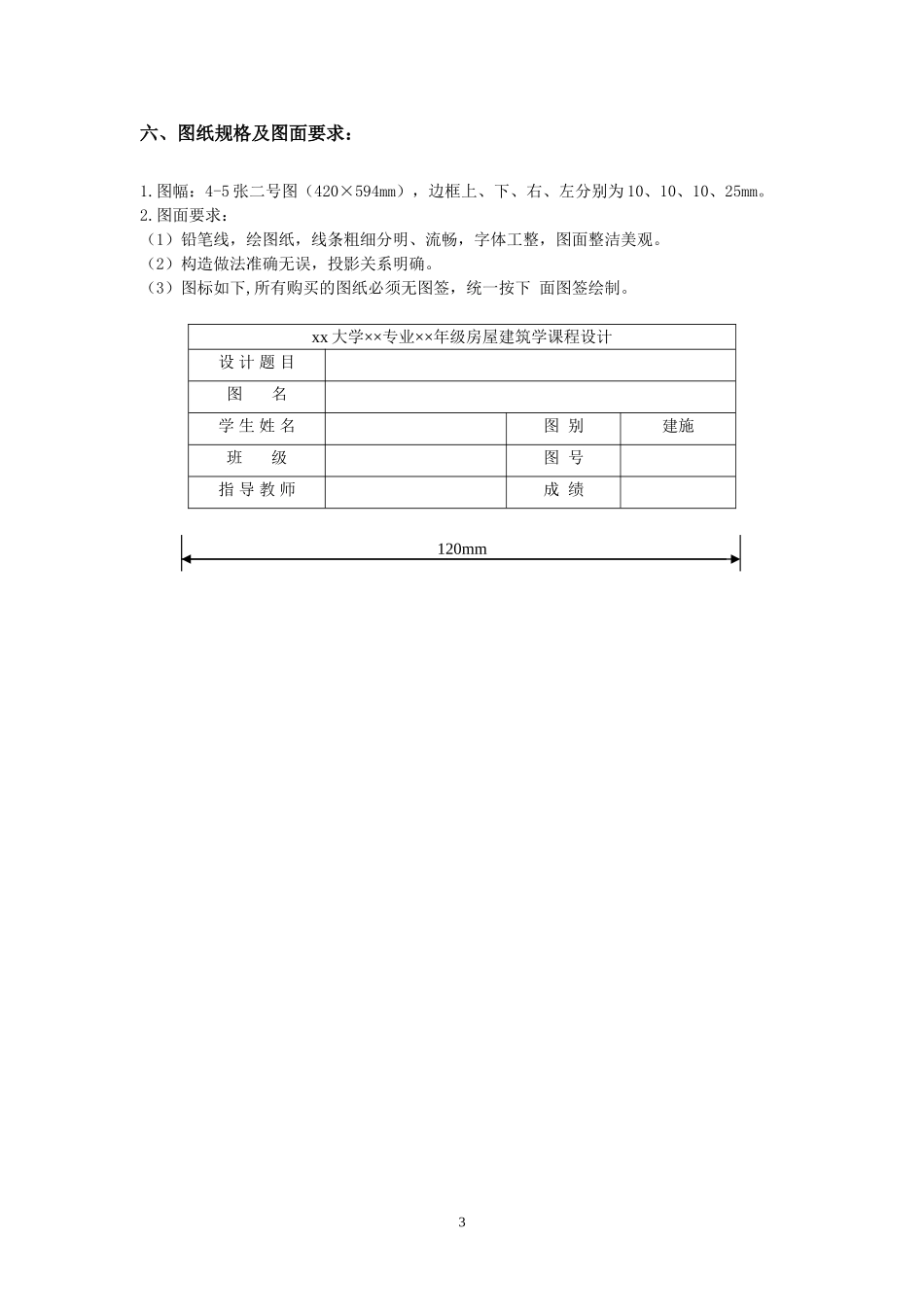
《房屋建筑学》课程设计任务书一、设计题目某多层单元住宅设计(题目自拟)二、目的要求通过《房屋建筑学》课程的学习和课程设计实践技能训练1.培养学生综合运用设计原理及构造知识去分析问题、解决问题的能力2.掌握建筑施工图设计的基本方法和内容。3.进一步训练建筑绘图的能力。三、设计条件1.本设计为某城市型住宅,位于城市居住小区为单元式、多层住宅4~6层,总建筑面积不低于2500平方米。2.设计要求,见下表。户型表房型四房二厅三房二厅三房二厅两房二厅两房一厅一房一厅户型面积(㎡)160130115908045户ABCDEF户型A:四房二厅二卫二阳台户型B:三房二厅二卫*阳台户型C:三房二厅二卫*阳台户型D:二房一厅一卫*阳台户型E:二房二厅一卫*阳台户型F:一房一厅一卫*阳台学生选做表学号尾数选做户型层高层数单元数一梯几户0246A+C+E28004~6(前一位做上人屋面,其余做不上人屋面)至少两个单元根据需要自定135B+D+F29004~6(前一位做上人屋面,其余做不上人屋面)至少两个单元根据需要自定789A+B+D30004~6(前一位做上人屋面,其余做不上人屋面)至少两个单元根据需要自定3.套型比可以自行选定,但必须满足总建筑面积,墙体均采用mm墙。14.结构类型:自定(砖混或框架)5.建筑等级:耐久等级为Ⅱ级,耐火等级为二级。屋面防水等级:Ⅱ~皿级。6.房间组成及要求:功能空间低限面积标准如下:起居室18~25m2(含衣柜面积)主卧室12~16m2双人次卧室12~14m2单人卧室8~10m2餐厅8m2厨房6m2,包括灶台、调理台、洗地台、搁置台、上柜、下柜、抽油烟机等。卫生间4~6m2(双卫可适当增加),包括浴盆、淋浴器、洗脸盆、坐便器、镜箱、洗衣机位、排风道、机械排气等。四、设计内容及深度要求本次设计根据设计资料确定建筑方案,初步选定主要构件尺寸及布置,明确各部位构造做法。在此基础上按施工图深度要求进行,但因无结构、水、电等工种相配合,故只能局部做到建筑施工图的深度。设计内容如下;1.单元平面图:至少2-3个套型,比例1:50(选做)。2.建筑平面图(至少2个单元):包括底层平面、标准层平面图和屋顶平面图,比例1:10O,标准层必须有一个户型布置家具,其他房间标有名称和面积。3.建筑立面图:包括正立面、背立面及侧立面图,比例1:100。4.建筑剖面图;1个(必须剖到楼梯),比例1:100。5.建筑详图:①表示局部构造的详图,楼梯详图比例1:50、节点详图比例1:20。②表示房屋设备的详图(选作内容),如厨房、厕所、浴室以及壁柜、挂衣柜、鞋柜、碗柜、灶台、洗涤盆、污水池、垃圾道、信报箱、阳台晒衣架等详图。数量、比例自定。6.设计简要说明、图纸目录、门窗表及技术经济指标等。平均每套建筑面积=总建筑面积(m2)/总套数(套)使用面积系数=〔总套内使用面积(m2)/总建筑面积(m2)〕X100%五、参考资料1.《民用建筑设计通则》(JGJ37-87)2.《建筑楼梯模数协调标准》(GBJ101-87)3.《建筑设计防火规范》(GBJ121-88)4.住宅设计规范(GB50096—1999)。5.《建筑设计资料集》第3册6.《房屋建筑学》教材7.地方有关民用建筑构、配件标准图集8.《建筑构造资料集》9.有关的建筑构造标准图集10.《房屋建筑统一制图标准)(GBJ—86)11.《建筑制图》的施工图部分12.建筑工程设计文件编制深度的规定2六、图纸规格及图面要求:1.图幅:4-5张二号图(420×594mm),边框上、下、右、左分别为10、10、10、25mm。2.图面要求:(1)铅笔线,绘图纸,线条粗细分明、流畅,字体工整,图面整洁美观。(2)构造做法准确无误,投影关系明确。(3)图标如下,所有购买的图纸必须无图签,统一按下面图签绘制。xx大学××专业××年级房屋建筑学课程设计设计题目图名学生姓名图别建施班级图号指导教师成绩120mm3《房屋建筑学》课程设计指导书住宅是供家庭日常居住使用的建筑物,是人们为满足家庭生活需要,利用自己掌握的物质技术手段创造的人造环境。因此,设计人员应首先研究家庭结构、生活方式、习惯以及地方特点,然后通过多种多样的空间组合方式设计出满足不同生活要求的住宅。为保障城市居民基本的住房条件,提高城市住宅功能质量,应使住宅设计符...

1、当您付费下载文档后,您只拥有了使用权限,并不意味着购买了版权,文档只能用于自身使用,不得用于其他商业用途(如 [转卖]进行直接盈利或[编辑后售卖]进行间接盈利)。
2、本站所有内容均由合作方或网友上传,本站不对文档的完整性、权威性及其观点立场正确性做任何保证或承诺!文档内容仅供研究参考,付费前请自行鉴别。
3、如文档内容存在违规,或者侵犯商业秘密、侵犯著作权等,请点击“违规举报”。

碎片内容

《房屋建筑学》课程设计

您可能关注的文档

学海无涯书城+ 关注
实名认证
内容提供者

热爱教育事业,爱好互联网行业

确认删除?
VIP
微信客服
  • 扫码咨询
会员Q群
  • 会员专属群点击这里加入QQ群
客服邮箱
回到顶部