电脑桌面
添加小米粒文库到电脑桌面
安装后可以在桌面快捷访问

通用硅酸盐水泥新编VIP免费

通用硅酸盐水泥新编_第1页
1/16
通用硅酸盐水泥新编_第2页
2/16
通用硅酸盐水泥新编_第3页
3/16
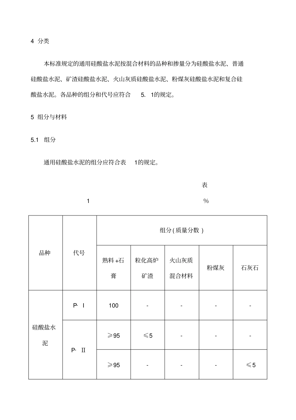
1范围本标准规定了通用硅酸盐水泥的术语和定义、分类、组分与材料、强度等级、技术要求、试验方法、检验规则和包装、标志、运输与贮存等。本标准适用于通用硅酸盐水泥。2规范性引用文件下列文件中的条款通过本标准的引用而成为本标准的条款。凡是注日期的引用文件,其随后所有的修改单(不包括勘误的内容)或修订版均不适用于本标准,然而,鼓励根据本标准达成协议的各方研究是否可使用这些文件的最新版本。凡是不注日期的引用文件,其最新版本适用于本标准。GB/T176水泥化学分析方法(GB/T176—1996,eqvISO680:1990)GB/T203用于水泥中的粒化高炉矿渣GB/T750水泥压蒸安定性试验方法GB/T1345水泥细度检验方法筛析法GB/T1346水泥标准稠度用水量、凝结时间、安定性检验方法(GB/T1346--2001,eqvISO9597:1989)GB/T1596用于水泥和混凝土中的粉煤灰GB/T2419水泥胶砂流动度测定方法GB/T2847用于水泥中的火山灰质混合材料GB/T5483石膏和硬石膏GB/T8074水泥比表面积测定方法勃氏法GB9774水泥包装袋GB12573水泥取样方法GB/T12960水泥组分的定量测定GB/T17671水泥胶砂强度检验方法(ISO法)(GB/T17671—1999,idtISO679:1989)GB/T18046用于水泥和混凝土中的粒化高炉矿渣粉JC/T420水泥原料中氯离子的化学分析方法JC/T667水泥助磨剂JC/T742掺入水泥中的回转窑窑灰3术语和定义下列术语和定义适用于本标准。通用硅酸盐水泥commonportlandcement以硅酸盐水泥熟料和适量的石膏,及规定的混合材料制成的水硬性胶凝材料。4分类本标准规定的通用硅酸盐水泥按混合材料的品种和掺量分为硅酸盐水泥、普通硅酸盐水泥、矿渣硅酸盐水泥、火山灰质硅酸盐水泥、粉煤灰硅酸盐水泥和复合硅酸盐水泥。各品种的组分和代号应符合5.1的规定。5组分与材料5.1组分通用硅酸盐水泥的组分应符合表1的规定。表1%品种代号组分(质量分数)熟料+石膏粒化高炉矿渣火山灰质混合材料粉煤灰石灰石硅酸盐水泥P·I100----P·Ⅱ≥95≤5---≥95---≤5普通硅酸盐水泥P·O≥80且<95>5且≤20a-矿碴硅酸盐水泥P·S·A≥50且<80>20且≤5Ob---P·S·B≥30且<50>50且≤70b---火山灰质硅酸盐水泥P·P≥60且<80->20且≤40c--粉煤灰硅酸盐水泥P·F≥60且<80-->20且≤40d-复合硅酸盐水泥P·C≥50且<80>20且≤50ea本组分材料为符合本标准5.2.3的活性混合材料,其中允许用不超过水泥质量8%且符合本标准5.2.4的非活性混合材料或不超过水泥质量5%且符合本标准5.2.5的窑灰代替。b本组分材料为符合GB/T203或GB/T18046的活性混合材料,其中允许用不超过水泥质量8%且符合本标准第5.2.3条的活性混合材料或符合本标准第5.2.4条的非活性混合材料或符合本标准第5.8.5条的窑灰中的任一种材料代替。c本组分材料为符合GB/T8847的活性混合材料。d本组分材料为符合GB/T1596的活性混合材料。e本组分材料为由两种(含)以上符合本标准第5.2.3条的活性混合材料或符合本标准第5.2.4条的非活性混合材料组成,其中允许用不超过水泥质量8%且符合本标准第5.2.5条的窑灰代替。掺矿渣时混舍材料掺量不得与矿渣硅酸盐水泥重复。5.2材料5.2.1硅酸盐水泥熟料由主要含CaO、SiO2、Al2O3、Fe2O3的原料,按适当比例磨成细粉烧至部分熔融所得以硅酸钙为主要矿物成分的水硬性胶凝物质。其中硅酸钙矿物含量(质量分数)不小于66%,氧化钙和氧化硅质量比不小于2.0。5.2.2石膏天然石膏:应符合GB/T5483中规定的G类或M类二级(含)以上的石膏或混合石膏。工业副产石膏:以硫酸钙为主要成分的工业副产物。采用前应经过试验证明对水泥性能无害。5.2.3活性混合材料应符合GB/T203、GB/T18046、GB/T1596、GB/T2847标准要求的粒化高炉矿渣、粒化高炉矿渣粉、粉煤灰、火山灰质混合材料。5.2.4非活性混合材料活性指标分别低于GB/T203、GB/T18046、GB/T1596、GB/T2847标准要求的粒化高炉矿渣、粒化高炉矿渣粉、粉煤灰、火山灰质混合材料;石灰石和砂岩,其中石灰石中的三氧化二铝含量(质量分数)应不大于2.5%。5.2.5窑灰应符合JC/T742的规定。5.2.6助磨剂水泥粉磨时允许加入助磨剂,其加入量应不大于水泥质量的0.5%,助磨剂应符合JC/T667的规定。6强度等级6.1硅酸...

1、当您付费下载文档后,您只拥有了使用权限,并不意味着购买了版权,文档只能用于自身使用,不得用于其他商业用途(如 [转卖]进行直接盈利或[编辑后售卖]进行间接盈利)。
2、本站所有内容均由合作方或网友上传,本站不对文档的完整性、权威性及其观点立场正确性做任何保证或承诺!文档内容仅供研究参考,付费前请自行鉴别。
3、如文档内容存在违规,或者侵犯商业秘密、侵犯著作权等,请点击“违规举报”。

碎片内容

通用硅酸盐水泥新编

爱的疯狂+ 关注
实名认证
内容提供者

该用户很懒,什么也没介绍

确认删除?
VIP
微信客服
  • 扫码咨询
会员Q群
  • 会员专属群点击这里加入QQ群
客服邮箱
回到顶部