电脑桌面
添加小米粒文库到电脑桌面
安装后可以在桌面快捷访问

锚索施工技术要求教材VIP免费

锚索施工技术要求教材_第1页
1/14
锚索施工技术要求教材_第2页
2/14
锚索施工技术要求教材_第3页
3/14
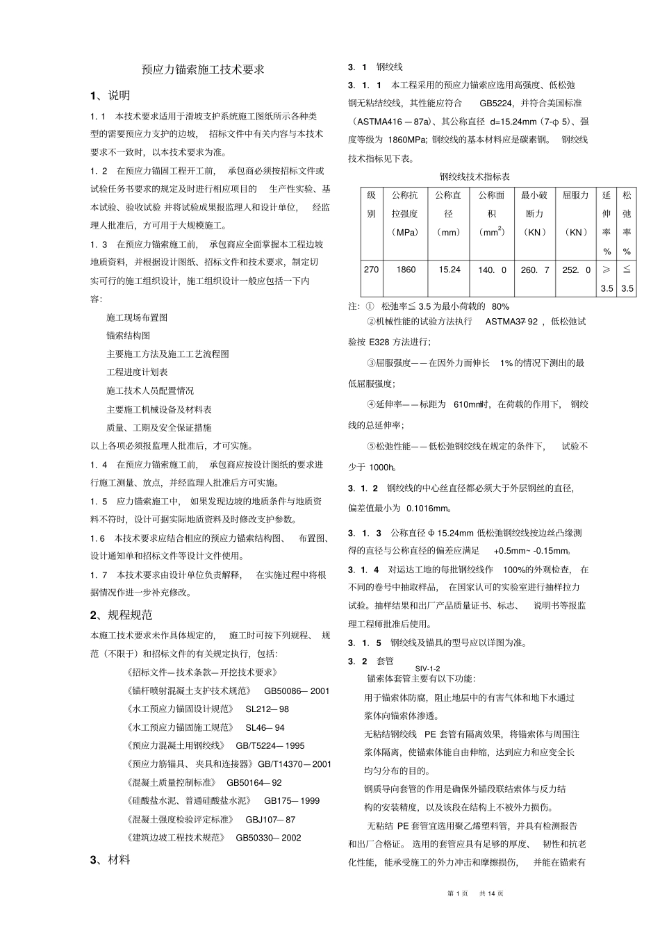
第1页共14页预应力锚索施工技术要求1、说明1.1本技术要求适用于滑坡支护系统施工图纸所示各种类型的需要预应力支护的边坡,招标文件中有关内容与本技术要求不一致时,以本技术要求为准。1.2在预应力锚固工程开工前,承包商必须按招标文件或试验任务书要求的规定及时进行相应项目的生产性实验、基本试验、验收试验并将试验成果报监理人和设计单位,经监理人批准后,方可用于大规模施工。1.3在预应力锚索施工前,承包商应全面掌握本工程边坡地质资料,并根据设计图纸、招标文件和技术要求,制定切实可行的施工组织设计,施工组织设计一般应包括一下内容:施工现场布置图锚索结构图主要施工方法及施工工艺流程图工程进度计划表施工技术人员配置情况主要施工机械设备及材料表质量、工期及安全保证措施以上各项必须报监理人批准后,才可实施。1.4在预应力锚索施工前,承包商应按设计图纸的要求进行施工测量、放点,并经监理人批准后方可实施。1.5应力锚索施工中,如果发现边坡的地质条件与地质资料不符时,设计可据实际地质资料及时修改支护参数。1.6本技术要求应结合相应的预应力锚索结构图、布置图、设计通知单和招标文件等设计文件使用。1.7本技术要求由设计单位负责解释,在实施过程中将根据情况作进一步补充修改。2、规程规范本施工技术要求未作具体规定的,施工时可按下列规程、规范(不限于)和招标文件的有关规定执行,包括:《招标文件—技术条款—开挖技术要求》《锚杆喷射混凝土支护技术规范》GB50086—2001《水工预应力锚固设计规范》SL212—98《水工预应力锚固施工规范》SL46—94《预应力混凝土用钢绞线》GB/T5224—1995《预应力筋锚具、夹具和连接器》GB/T14370—2001《混凝土质量控制标准》GB50164—92《硅酸盐水泥、普通硅酸盐水泥》GB175—1999《混凝土强度检验评定标准》GBJ107—87《建筑边坡工程技术规范》GB50330—20023、材料3.1钢绞线3.1.1本工程采用的预应力锚索应选用高强度、低松弛钢无粘结绞线,其性能应符合GB5224,并符合美国标准(ASTMA416—87a)、其公称直径d=15.24mm(7-φ5)、强度等级为1860MPa;钢绞线的基本材料应是碳素钢。钢绞线技术指标见下表。钢绞线技术指标表级别公称抗拉强度(MPa)公称直径(mm)公称面积(mm2)最小破断力(KN)屈服力(KN)延伸率%松弛率%270186015.24140.0260.7252.0≥3.5≦3.5注:①松弛率≦3.5为最小荷载的80%②机械性能的试验方法执行ASTMA37—92,低松弛试验按E328方法进行;③屈服强度——在因外力而伸长1%的情况下测出的最低屈服强度;④延伸率——标距为610mm时,在荷载的作用下,钢绞线的总延伸率;⑤松弛性能——低松弛钢绞线在规定的条件下,试验不少于1000h。3.1.2钢绞线的中心丝直径都必须大于外层钢丝的直径,偏差值最小为0.1016mm。3.1.3公称直径Φ15.24mm低松弛钢绞线按边丝凸缘测得的直径与公称直径的偏差应满足+0.5mm~-0.15mm。3.1.4对运达工地的每批钢绞线作100%的外观检查,在不同的卷号中抽取样品,在国家认可的实验室进行抽样拉力试验。抽样结果和出厂产品质量证书、标志、说明书等报监理工程师批准后使用。3.1.5钢绞线及锚具的型号应以详图为准。3.2套管锚索体套管主要有以下功能:用于锚索体防腐,阻止地层中的有害气体和地下水通过浆体向锚索体渗透。无粘结钢绞线PE套管有隔离效果,将锚索体与周围注浆体隔离,使锚索体能自由伸缩,达到应力和应变全长均匀分布的目的。钢质导向套管的作用是确保外锚段联结索体与反力结构的安装精度,以及该段在结构上不被外力损伤。无粘结PE套管宜选用聚乙烯塑料管,并具有检测报告和出厂合格证。选用的套管应具有足够的厚度、韧性和抗老化性能,能承受施工的外力冲击和摩擦损伤,并能在锚索有SIV-1-22效服务时间内抵抗化学物及地下水对锚索体的腐蚀。外锚段套管壁厚应不小于1mm的铁皮或钢管。3.3锚具3.3.1本工程预应力锚索采用Ⅰ类锚具,其质量必须符合《预应力筋锚具、夹具和连接器》GB/T14370—2000标准。锚具的静载锚固性能,应同时符合下列要求:锚具—钢绞线组装体锚固效率系数ηa≥0.95锚具—钢绞线组装体极限应变εapu≥2%3...

1、当您付费下载文档后,您只拥有了使用权限,并不意味着购买了版权,文档只能用于自身使用,不得用于其他商业用途(如 [转卖]进行直接盈利或[编辑后售卖]进行间接盈利)。
2、本站所有内容均由合作方或网友上传,本站不对文档的完整性、权威性及其观点立场正确性做任何保证或承诺!文档内容仅供研究参考,付费前请自行鉴别。
3、如文档内容存在违规,或者侵犯商业秘密、侵犯著作权等,请点击“违规举报”。

碎片内容

锚索施工技术要求教材

您可能关注的文档

文库响当当+ 关注
实名认证
内容提供者

该用户很懒,什么也没介绍

确认删除?
VIP
微信客服
  • 扫码咨询
会员Q群
  • 会员专属群点击这里加入QQ群
客服邮箱
回到顶部