电脑桌面
添加小米粒文库到电脑桌面
安装后可以在桌面快捷访问

防护器材及消防设施专项安全检查表VIP免费

防护器材及消防设施专项安全检查表_第1页
1/4
防护器材及消防设施专项安全检查表_第2页
2/4
防护器材及消防设施专项安全检查表_第3页
3/4
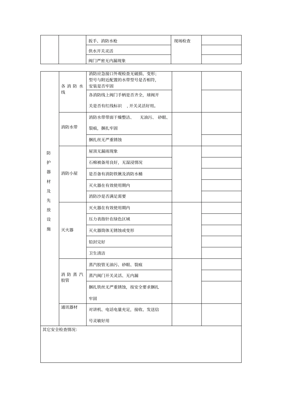
专项安全检查表检查项目:防护器材及消防设施专项检查检查时间:年月日检查人员:项目作业活动或设备名称检查内容/检查标准检查方法检查情况防护器材及先放设施空气呼吸器卫生清洁现场检查、查看记录全面罩无破损、密封严密气瓶压力不低于20Mpa快速接头是否牢固气瓶开关是否灵活供给阀转换开关是否灵活按规定每周检查一次,并记录过滤式防毒面具卫生清洁现场检查、查看记录面罩无破损,密闭性强(带面罩做气密试验)滤毒罐选型正确称重贴标签标示,超过原始重量20克后报废是否超期(有效期为5年)过滤式防毒面具、滤毒罐每周检查一次,并记录长管式防毒面具卫生清洁现场检查、查看记录面罩无破损、密闭性严密长管无破损按规定每周检查一次,并记录急救药品药品是否超期(有效期为3年)现场检查、查看记录药液是否有混浊或沉淀是否备有针管消防栓消防箱内是否配有两盘消防水带、消防扳手、消防水枪现场检查供水开关灵活阀门严密无内漏现象防护器材及先放设施各消防水线消防应急接口外观检查无破损、变形;型号与附近配置的水带型号是否相符,安装是否牢固各消防线上阀门手柄是否齐全,球阀开关是否有红线标识,开关灵活好用。消防水带消防水带带面干燥整洁、无油污、砂眼、裂痕,捆扎牢固捆扎丝无严重锈蚀消防小屋屋顶无漏雨现象石棉被备用良好,无湿浸情况是否备有消防铁锹及消防水桶灭火器在有效使用期内消防沙是否满足需要灭火器灭火器在有效使用期内压力表指针在绿色区域灭火器筒体无锈蚀或变形铅封完好卫生清洁消防蒸汽胶管蒸汽胶管无油污、砂眼、裂痕蒸汽阀门开关灵活、无内漏捆扎铁丝无严重锈蚀,按安全要求捆扎牢固通讯器材对讲机、电话电量充足,接收、发送信号灵敏好用其它安全检查情况:

1、当您付费下载文档后,您只拥有了使用权限,并不意味着购买了版权,文档只能用于自身使用,不得用于其他商业用途(如 [转卖]进行直接盈利或[编辑后售卖]进行间接盈利)。
2、本站所有内容均由合作方或网友上传,本站不对文档的完整性、权威性及其观点立场正确性做任何保证或承诺!文档内容仅供研究参考,付费前请自行鉴别。
3、如文档内容存在违规,或者侵犯商业秘密、侵犯著作权等,请点击“违规举报”。

碎片内容

防护器材及消防设施专项安全检查表

文库响当当+ 关注
实名认证
内容提供者

该用户很懒,什么也没介绍

确认删除?
VIP
微信客服
  • 扫码咨询
会员Q群
  • 会员专属群点击这里加入QQ群
客服邮箱
回到顶部