电脑桌面
添加小米粒文库到电脑桌面
安装后可以在桌面快捷访问

隧道围岩类别划分与判定VIP免费

隧道围岩类别划分与判定_第1页
1/22
隧道围岩类别划分与判定_第2页
2/22
隧道围岩类别划分与判定_第3页
3/22
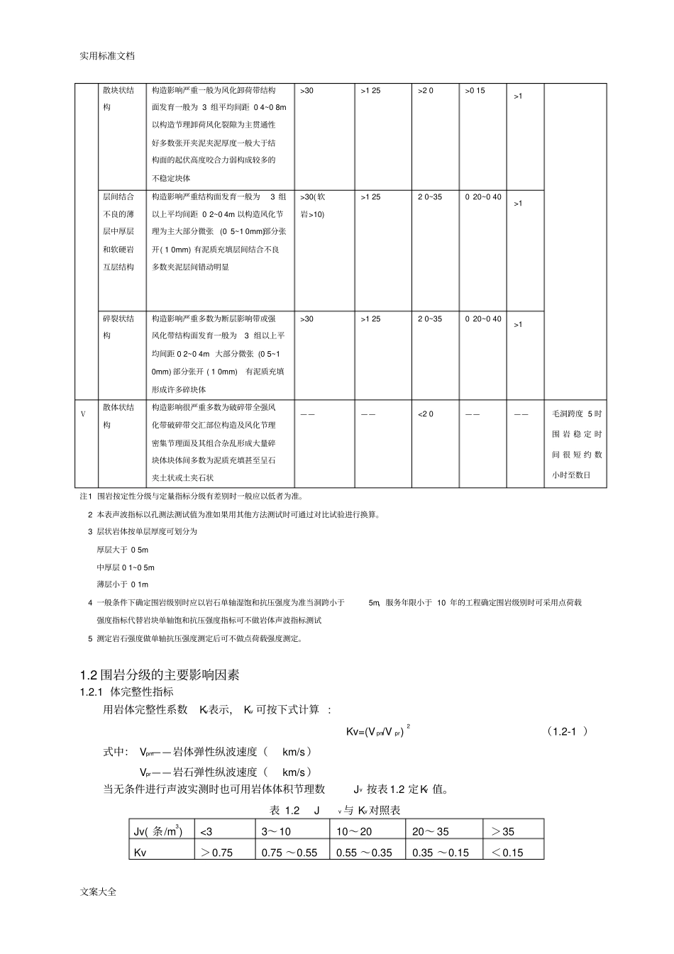
实用标准文档文案大全隧道围岩级别划分与判定隧道围岩分级就是评定围岩性质、判断隧道围岩稳定性,作为选择隧道位置、支护类型的依据和指导安全施工。国内外现在的围岩分级方法有定性、定量、定性与定量相结合3种方法,且多以前两种方法为主。定性分级的做法是,在现场对影响岩体质量的诸因素进行定性描述、鉴别、判断,或对主要因素作出评判、打分,有的还引入分量化指标进行综合分级。以定性为主的分级方法,如现行的公路、铁路隧道围岩分级等方法经验的成分较大,有一定人为因素和不确定性,在使用中,往往存在不一致,随勘察人员的认识和经验的差别,对同一围岩作出级别不同的判断。采用定性分级的围岩级别,常常出现与实际差别1~2级的情况。定量分级的做法是根据对岩体性质进行测试的数据或对各参数打分,经计算获得岩体质量指标,并以该指标值进行分级。如国外N.Barton的Q分级,Z.T.Bieniawsks的地质力学(MRM)分级、Dree的RQD值分级等方法。但由于岩体性质和赋存条件十分复杂,分级时仅用少数参数和某个数学公式难以全面准确地概括所有情况,而且参数测试数量有限,数据的代表性和抽样的代表性均存在一定的局限,实施时难度较大。影响围岩稳定的因素多种多样,主要是岩石的物理力学性质、构造发育情况、承受的荷载(工程荷载和初始应力)、应力变形状态、几何边界条件、水的赋存状态等。这些因素中,岩体的物理力学性质和构造发育情况是独立于各种工作类型的,反映出了岩体的基本特性,在岩体的各项物理力学性质中,对稳定性关系最大的是岩石坚硬程度,岩体的构造发育状态、岩体的不连续性、节理化程度所反映的岩体完整性是地质体的又一基本属性。国内外多数围岩分级都将岩石坚硬程度和岩体的完整程度作为岩体基本质量分级的两个基本因素。1国标《锚杆喷射混凝土支护技术规范》围岩分级1.1围岩分级围岩级别的划分应根据岩石坚硬性岩体完整性结构面特征地下水和地应力状况等因素综合确定并应符合表1.1规定。表1.1围岩分级围岩级别主要工程地质特征毛洞稳定情况岩体结构构造影响程度,结构面发育情况和组合状态岩石强度指标岩体声波指标岩体强度应力比单轴饱和抗压强度(MPa)点荷载强度(MPa)岩体纵波速度(km/s)岩体完整性指标I整体状及层间结合良好的厚层状结构构造影响轻微,偶有小断层结构面不发育,仅有2~3组,平均间距大于0.8m,以原生和构造节理为主,多数闭合,无泥质充填,不贯通。层间结合良好,一般不出现不稳定块体>60>2.5>5>0.75——毛洞跨度5~10m时长期稳定,无碎块掉落Ⅱ同I级围岩结构同I级围岩特征30~601.25~2.53.7~5.2>0.75毛洞跨度5~10m时,围实用标准文档文案大全块状结构和层间结合较好的中厚层或厚层状结构构造影响较重,有少量断层,结构面发育,一般为3组,平均间距0.4~0.8m,以原生和构造节理为主,多数闭合,偶有泥质充填,贯通性较差,有少量软弱结构面。层间结合较好,偶有层间错动和层面张开现象>60>2.53.7~5.2>0.5——岩能较长时间(数月至数年)维持稳定,仅出现局部小块掉落Ⅲ同I级围岩结构同I级围岩特征20~300.85~1.253.0~4.5>0.75>2毛洞跨度5~10m时围岩能维持一个月以上的稳定主要出现局部掉块塌落同Ⅱ级围岩块状结构和层间结合较好的中厚层或厚层状结构同Ⅱ级围岩块状结构和层间结合较好的中厚层或厚层状结构特征30~601.25~2.503.0~4.50.5~0.75>2层间结合良好的薄层和软硬岩互层结构构造影响较重结构面发育一般为3组平均间距02~04m以构造节理为主节理面多数闭合少有泥质充填岩层为薄层或以硬岩为主的软硬岩互层层间结合良好少见软弱夹层层间错动和层面张开现象>60(软岩>20)>25030~45030~050>2碎裂镶嵌结构构造影响较重结构面发育一般为3组以上平均间距02~04m以构造节理为主节理面多数闭合少数有泥质充填块体间牢固咬合>60>25030~4.5030~050>2Ⅳ同Ⅱ级围岩块状结构和层间结合较好的中厚层或厚层状结构同Ⅱ级围岩块状结构和层间结合较好的中厚层或厚层状结构特征10~30042~12520~35050~075>1毛洞跨度5m时围岩能维持数日到一个月的稳定主要失稳形式为冒落或片帮实用标准文档文案大全散块状结构构造影响严重一般为风化卸荷带结构面发育一般为3组平...

1、当您付费下载文档后,您只拥有了使用权限,并不意味着购买了版权,文档只能用于自身使用,不得用于其他商业用途(如 [转卖]进行直接盈利或[编辑后售卖]进行间接盈利)。
2、本站所有内容均由合作方或网友上传,本站不对文档的完整性、权威性及其观点立场正确性做任何保证或承诺!文档内容仅供研究参考,付费前请自行鉴别。
3、如文档内容存在违规,或者侵犯商业秘密、侵犯著作权等,请点击“违规举报”。

碎片内容

隧道围岩类别划分与判定

文库当当响+ 关注
实名认证
内容提供者

该用户很懒,什么也没介绍

相关文档

确认删除?
VIP
微信客服
  • 扫码咨询
会员Q群
  • 会员专属群点击这里加入QQ群
客服邮箱
回到顶部