电脑桌面
添加小米粒文库到电脑桌面
安装后可以在桌面快捷访问

雷诺试验试验报告VIP免费

雷诺试验试验报告_第1页
1/2
雷诺试验试验报告_第2页
2/2
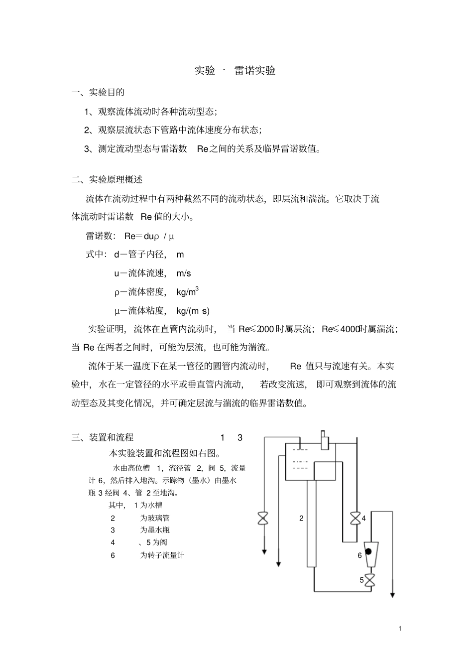
1实验一雷诺实验一、实验目的1、观察流体流动时各种流动型态;2、观察层流状态下管路中流体速度分布状态;3、测定流动型态与雷诺数Re之间的关系及临界雷诺数值。二、实验原理概述流体在流动过程中有两种截然不同的流动状态,即层流和湍流。它取决于流体流动时雷诺数Re值的大小。雷诺数:Re=duρ/μ式中:d-管子内径,mu-流体流速,m/sρ-流体密度,kg/m3μ-流体粘度,kg/(m·s)实验证明,流体在直管内流动时,当Re≤2000时属层流;Re≤4000时属湍流;当Re在两者之间时,可能为层流,也可能为湍流。流体于某一温度下在某一管径的圆管内流动时,Re值只与流速有关。本实验中,水在一定管径的水平或垂直管内流动,若改变流速,即可观察到流体的流动型态及其变化情况,并可确定层流与湍流的临界雷诺数值。三、装置和流程13本实验装置和流程图如右图。水由高位槽1,流径管2,阀5,流量计6,然后排入地沟。示踪物(墨水)由墨水瓶3经阀4、管2至地沟。其中,1为水槽2为玻璃管243为墨水瓶4、5为阀6为转子流量计652四、操作步骤1、打开水管阀门2、慢慢打开调节阀5,使水徐徐流过玻璃管3、打开墨水阀4、微调阀5,使墨水成一条稳定的直线,并记录流量计的读数。5、逐渐加大水量,观察玻璃管内水流状态,并记录墨水线开始波动以及墨水与清水全部混合时的流量计读数。6、再将水量由大变小,重复以上观察,并记录各转折点处的流量计读数。7、先关闭阀4、5,使玻璃管内的水停止流动。再开墨水阀,让墨水流出1~2cm距离再关闭阀4。8、慢慢打开阀5,使管内流体作层流流动,可观察到此时的速度分布曲线呈抛物线状态。五、实验数据记录和处理表1雷诺实验数据记录水温:21.0℃水的密度:998.2kg/m-3水的粘度:0.001004pa·s管径:30mm×2.5mm序号流量计读数L/h流速(m/s)雷诺数流动状态1800.0452941125.801直线层流21200.0679411688.702直线,但略有波动层流33000.1698514221.754波动,轨迹清晰可见层流44800.2717626754.807剧烈波动,看不清清轨迹湍流56000.3397038443.508看不清轨迹湍流

1、当您付费下载文档后,您只拥有了使用权限,并不意味着购买了版权,文档只能用于自身使用,不得用于其他商业用途(如 [转卖]进行直接盈利或[编辑后售卖]进行间接盈利)。
2、本站所有内容均由合作方或网友上传,本站不对文档的完整性、权威性及其观点立场正确性做任何保证或承诺!文档内容仅供研究参考,付费前请自行鉴别。
3、如文档内容存在违规,或者侵犯商业秘密、侵犯著作权等,请点击“违规举报”。

碎片内容

雷诺试验试验报告

您可能关注的文档

确认删除?
VIP
微信客服
  • 扫码咨询
会员Q群
  • 会员专属群点击这里加入QQ群
客服邮箱
回到顶部