电脑桌面
添加小米粒文库到电脑桌面
安装后可以在桌面快捷访问

预制方桩水平承载力计算VIP免费

预制方桩水平承载力计算_第1页
1/8
预制方桩水平承载力计算_第2页
2/8
预制方桩水平承载力计算_第3页
3/8
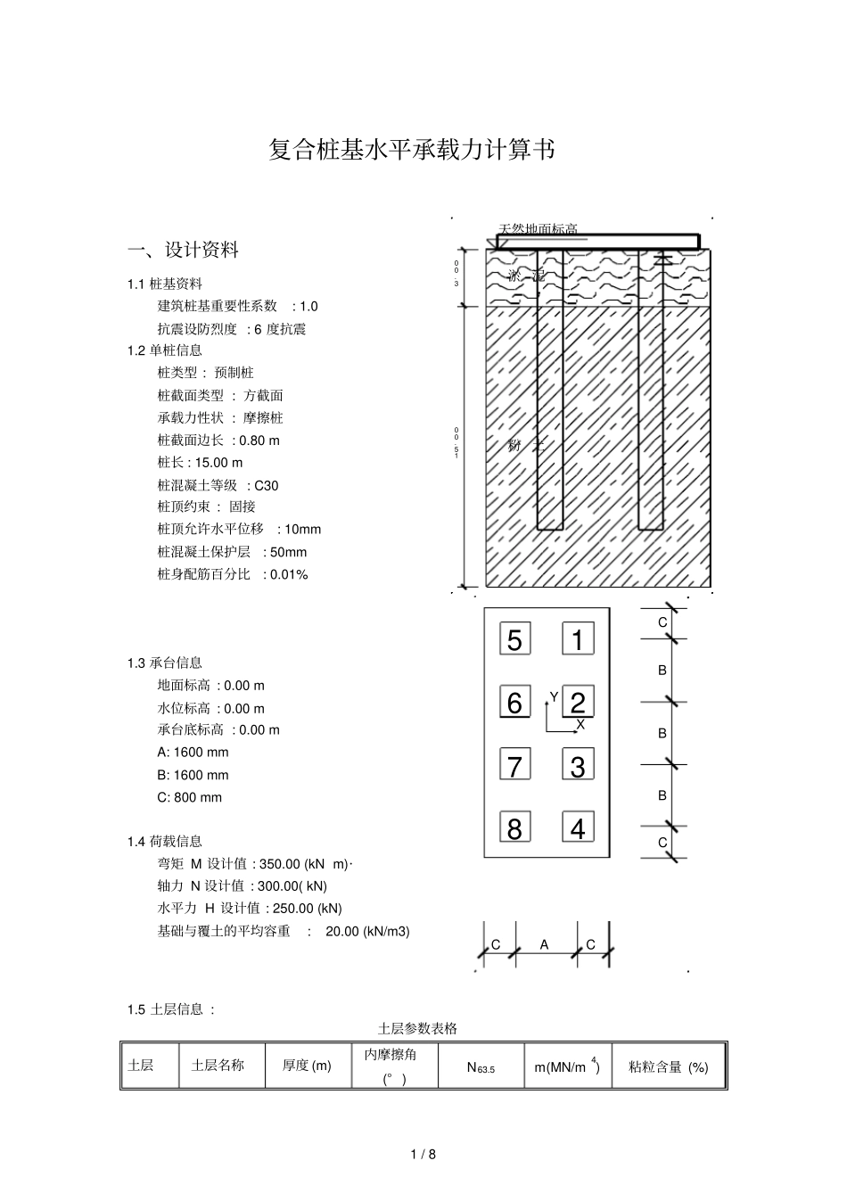
1/8复合桩基水平承载力计算书一、设计资料1.1桩基资料建筑桩基重要性系数:1.0抗震设防烈度:6度抗震1.2单桩信息桩类型:预制桩桩截面类型:方截面承载力性状:摩擦桩桩截面边长:0.80m桩长:15.00m桩混凝土等级:C30桩顶约束:固接桩顶允许水平位移:10mm桩混凝土保护层:50mm桩身配筋百分比:0.01%粉土15.00淤泥3.00天然地面标高1.3承台信息地面标高:0.00m水位标高:0.00m承台底标高:0.00mA:1600mmB:1600mmC:800mm1.4荷载信息弯矩M设计值:350.00(kN·m)轴力N设计值:300.00(kN)水平力H设计值:250.00(kN)基础与覆土的平均容重:20.00(kN/m3)CCBBBCCAXY876543211.5土层信息:土层参数表格土层土层名称厚度(m)内摩擦角(°)N63.5m(MN/m4)粘粒含量(%)2/81淤泥3.005.007.001.8040.002粉土15.0015.0014.002.1012.001.6桩在土层中的相对位置土层土层名称计算厚度(m)内摩擦角(°)N63.5m(MN/m4)粘粒含量(%)1淤泥3.005.007.001.8040.002粉土12.0015.0014.002.1012.001.7桩位信息:桩1,x=0.80m,y=2.40m桩2,x=0.80m,y=0.80m桩3,x=0.80m,y=-0.80m桩4,x=0.80m,y=-2.40m桩5,x=-0.80m,y=2.40m桩6,x=-0.80m,y=0.80m桩7,x=-0.80m,y=-0.80m桩8,x=-0.80m,y=-2.40m1.8设计时执行的规范《建筑桩基技术规范》(JGJ94-94)以下简称桩基规范二、单桩水平承载力计算预制桩、灌注桩配筋率不小于0.65%,所以单桩水平承载力设计值按"桩基规范"式(5.4.2-2)估算:Rh=3EIxoa上式中:Rh----单桩水平承载力设计值x----桩身水平位移系数----桩的水平变形系数=5mb0EI上式中:m----地基土水平抗力系数的比例系数由"桩基规范"附录B第B.0.2.1条,桩基侧面主要影响深度hm=2(d+1)=2×(0.80+1)=3.60m范围内土层数n=2h1=3.00,h2=0.60,m1=1.80,m2=2.10由"桩基规范"附录B式B-1得m=m1h12+m2(2h1+h2)h2hm2=1.80×3.002+2.10×(2×3.00+0.60)×0.603.6023/8=1.89MN/m4b0----桩身计算宽度,矩形截面,b0=1.5b+0.5=1.5×0.80+0.5=1.70mEI----桩身抗弯刚度,EI=0.85EcI0Ec----混凝土弹性模量,C30,Ec=3.00×104N/mm2=3.00×107kN/m2矩形截面惯性矩,I0=bh312=0.80×0.80312=0.034m4E----钢筋弹性模量与混凝土弹性模量比值E=EsEc=2.0×1053.00×104=6.67W0=bh26=0.80×0.8026=0.09m3EI=0.85EcI0=0.85×3.00×107×0.034=8.704×105kN·m2=5mb0EI=51.89×103×1.708.704×105=50.004=0.3262h=0.3262×15.0000=4.8933>4,取h=4.00查"桩基规范"表5.4.2,当桩顶固接时得m=0.926,x=0.940,单桩容许水平位移oa=10mm所以,单桩水平承载力设计值为:Rh=3EIxoa=0.3263×8.704×1050.94×10×10-3=321.47kN验算桩的水平承载力由"桩基规范"式5.1.1-3验算H1=H/nH=250.00kNH--作用于承台底面通过桩群形心x轴的水平设计值,H=250.00kN桩数:n=8H1=250.00/8.00=31.250kN0H1=1.000×31.250=31.250kN≤Rh=321.47kN满足要求!三、群桩水平承载力计算群桩基础(不含水平力垂直于单排桩基纵向轴线和力矩较大的情况)的复合桩基水平承载力设计值应考虑由承台、桩群、土相互作用产生的群桩效应,可按规范5.4.3条确定:Rh1=hRhh=ir+l+b4/8i=Sad0.015n2+0.450.15n1+0.10n2+1.9l=moaB'chc22n1n2Rhb=Pc2n1n2Rh上式中:h----群桩效应综合系数i----桩的相互影响效应系数r----桩顶约束效应系数,按"桩基规范"表5.4.3-1取值h=4.0000,位移控制承载力,r=2.05l----承台侧向土抗力效应系数b----承台底摩阻效应系数Sa/d----沿水平荷载方向的距径比Sa/d=2.00n1,n2----分别为沿水平荷载方向与垂直于水平荷载方向每排桩中的桩数n1=2m----承台侧面土水平抗力系数的比例系数oa----桩顶(承台)的水平位移容许值oa=10mmB'c----承台受侧向土抗一边的计算宽度B'c=Bc+1=6.40+1=7.40m(Bc为承台宽度)hc----承台高度hc=0.800m----承台底与基土间的摩擦系数=0.50Pc----承台底地基土分担竖向荷载设计值,按"桩基规范"第5.2.3条估算Pc=cqckAc/c承台底土阻力群桩效应系数计算:Aci、Ace为承台内区和外区的净面积,Aci=2.40×5.60-8×0.64=8.32m2承台底地基土净面积Ac=3.20×6.40-8×0.64=15.36m2Ace=Ac-Aci=15.36-8.32=7.04m2由Sa/d=2.00,Bc/l=0.43,查"桩基规范"表5.2.3-2,得ci=0.15,ce=0.63c=ciAciAc+ceAceAc=0.15×8.3215.36+0.63×...

1、当您付费下载文档后,您只拥有了使用权限,并不意味着购买了版权,文档只能用于自身使用,不得用于其他商业用途(如 [转卖]进行直接盈利或[编辑后售卖]进行间接盈利)。
2、本站所有内容均由合作方或网友上传,本站不对文档的完整性、权威性及其观点立场正确性做任何保证或承诺!文档内容仅供研究参考,付费前请自行鉴别。
3、如文档内容存在违规,或者侵犯商业秘密、侵犯著作权等,请点击“违规举报”。

碎片内容

预制方桩水平承载力计算

爱的疯狂+ 关注
实名认证
内容提供者

该用户很懒,什么也没介绍

确认删除?
VIP
微信客服
  • 扫码咨询
会员Q群
  • 会员专属群点击这里加入QQ群
客服邮箱
回到顶部