电脑桌面
添加小米粒文库到电脑桌面
安装后可以在桌面快捷访问

风道风压、风速和风量的测定VIP免费

风道风压、风速和风量的测定_第1页
1/4
风道风压、风速和风量的测定_第2页
2/4
风道风压、风速和风量的测定_第3页
3/4
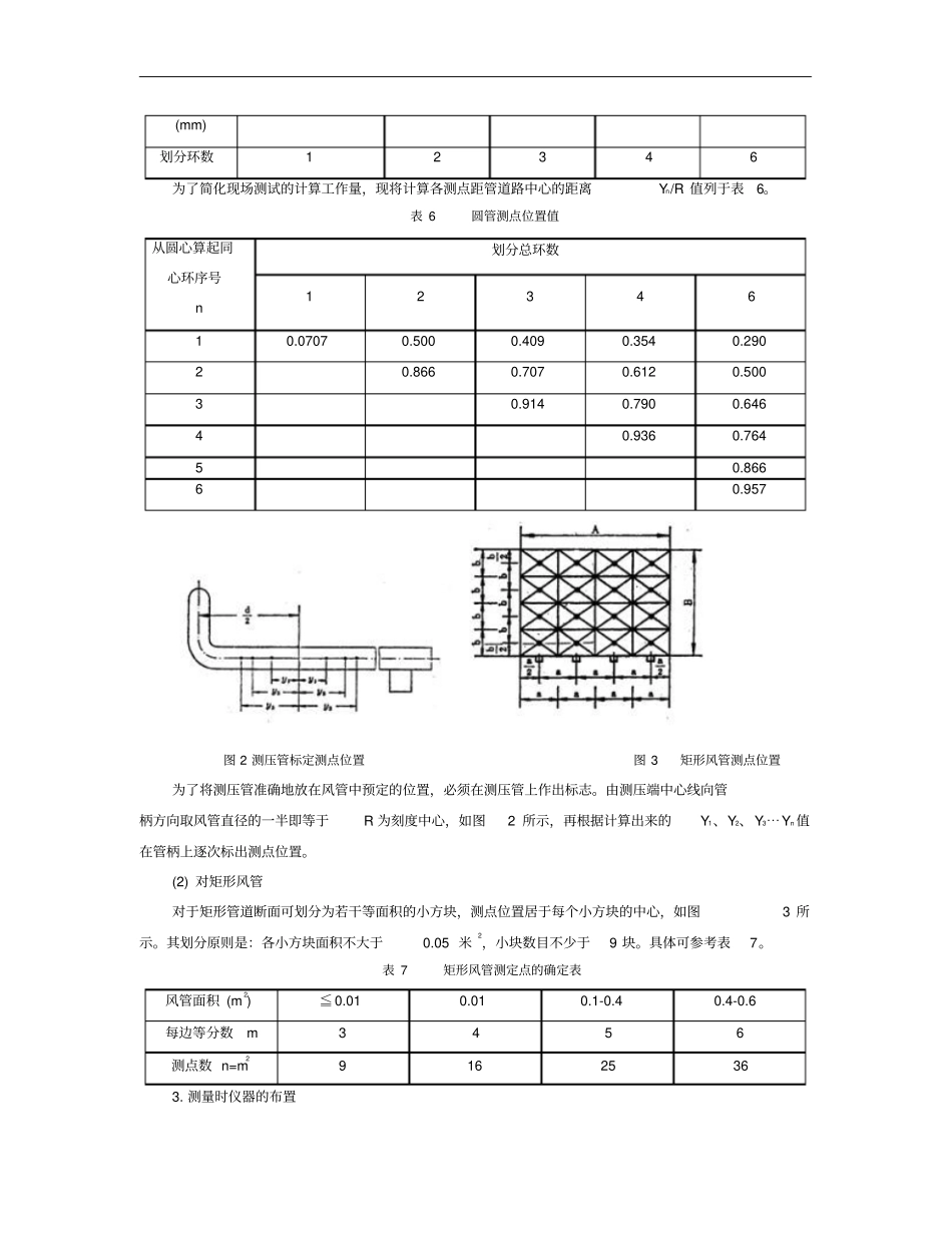
风道风压、风速和风量的测定一、实验的目的了解和掌握通风系统风道内风压、风速和风量的测点布置方法及测定方法,测定数据的处理和换算。从而对通风系统气流分布是否均匀作出理论判断。二、实验仪器和设备1.U型压力计一台(测量范围在10000Pa)2.倾斜式微压计一台(测量范围在250Pa)3.热球式风速仪一台(测量范围在0.05-30.0m/s)4.毕托管一支5.外径φ10mm,壁后1mm的橡胶管或乳胶管数米。6.蒸馏水500ml7.纯酒精500ml8.钢卷尺一把,长度值不小于2m三、测试原理及方法1.测试原理风道风压、风速和风量的测定,可以通过毕托管、U型压力计、倾斜式微压计、热球式风速仪等仪器来完成。毕托管、U型压力计可以测试风道内的全压、动压和静压,由测出的全压可以知道风机工作状况,通风系统的阻力等。由测出的风道动压可以换算出风道的风量。也可以用热球式风速仪直接测量风道内风速,由风速换算出风道内风量。2.测量位置的确定由于风管内速度分布是不均匀的,一般管中心风速最大,越靠近管壁风速越小。在工程实践中所指的管内气流速度大都是指平均风速。为了得到断面的平均风速,可采用等截面分环法进行测定。对圆形风管可将圆管断面划分若干个等面积的同心环,测点布置在等分各小环面积的中心线上,如图1所示,把圆面积分成m个等面积的环形,则:,然后将每个等分环面积再二等分,则此圆周距中心为Yn,与直径交点分别为1、2、3,⋯n点,这些点就是测点位置。各小环划分的原则是:环数取决于风管直径,划分的环数越多,测得的结果越接近实际,但不能太多,否则将给测量和计算工作带来极大麻烦,一般参照表5分环。表5测量时不同管径所分环数风管直径≦130130-200200-400400-600600-800(mm)划分环数12346为了简化现场测试的计算工作量,现将计算各测点距管道路中心的距离Yn/R值列于表6。表6圆管测点位置值从圆心算起同心环序号n划分总环数1234610.07070.5000.4090.3540.29020.8660.7070.6120.50030.9140.7900.64640.9360.76450.86660.957图2测压管标定测点位置图3矩形风管测点位置为了将测压管准确地放在风管中预定的位置,必须在测压管上作出标志。由测压端中心线向管柄方向取风管直径的一半即等于R为刻度中心,如图2所示,再根据计算出来的Y1、Y2、Y3⋯Yn值在管柄上逐次标出测点位置。(2)对矩形风管对于矩形管道断面可划分为若干等面积的小方块,测点位置居于每个小方块的中心,如图3所示。其划分原则是:各小方块面积不大于0.05米2,小块数目不少于9块。具体可参考表7。表7矩形风管测定点的确定表风管面积(m2)≦0.010.010.1-0.40.4-0.6每边等分数m3456测点数n=m291625363.测量时仪器的布置若想准确地进行压力测定,必须合理地使用和布置仪器。在风网中,吸入段的全压、静压为负值,压出段的全压、静压为正值,而动压不论在吸入段或是压出段均为正值。所以测压管与测压计的联接方式在吸入段与压出段有些不同。具体接法如图4所示。用毕托管测量全压、动压和静压时,毕托管的测压端一定要迎着流动的气流,如果用风速仪测定管道内风速时,一定要注意测速热球的气流流向。图4测量风压时仪器连接方法四、测试步骤1.连接风机和通风管道2.用钢卷尺测量风道的直径或矩形风道的尺寸。3.根据直径或矩形风道的尺寸,确定测点位置。4.在测试位置处风管上开φ12mm的圆孔。5.在毕托管或热球式风速仪上作出测点位置标记。6.毕托管和U型压力计用乳胶管连接。7.毕托管或热球式风速仪在测孔处垂直插入风道内,从而保证测点的位置一定要正确,并注意毕托管测头的方向。8.在U型压力计上直接读出风道内全压、动压和静压,在热球式风速仪上直接读出风道内风速。五、测定数据的整理计算对于所测得的全压或静压,只要将各测点的读值平均即为该断面的全压或静压值,但须注意正负。对于动压它永为正值,按上述方法测得某断面各测点的动压值后,必须按以下方法进行数据整理:因为:且所以为精确计算起见,其动压应计算为:或当t=20℃,γ=1.2kg/m3,则:式中:cp—平均风速(米/秒);H动cp—动压平均值(Pa)。根据可计算出管道内风速,Q=υF可计算出管道内风量,式中F为管道截面面积。将所测得的平均动压与静压相加的即为风管平均全压。

1、当您付费下载文档后,您只拥有了使用权限,并不意味着购买了版权,文档只能用于自身使用,不得用于其他商业用途(如 [转卖]进行直接盈利或[编辑后售卖]进行间接盈利)。
2、本站所有内容均由合作方或网友上传,本站不对文档的完整性、权威性及其观点立场正确性做任何保证或承诺!文档内容仅供研究参考,付费前请自行鉴别。
3、如文档内容存在违规,或者侵犯商业秘密、侵犯著作权等,请点击“违规举报”。

碎片内容

风道风压、风速和风量的测定

确认删除?
VIP
微信客服
  • 扫码咨询
会员Q群
  • 会员专属群点击这里加入QQ群
客服邮箱
回到顶部