电脑桌面
添加小米粒文库到电脑桌面
安装后可以在桌面快捷访问

高考生物非选择题特训11植物激素调节的试验分析VIP免费

高考生物非选择题特训11植物激素调节的试验分析_第1页
1/7
高考生物非选择题特训11植物激素调节的试验分析_第2页
2/7
高考生物非选择题特训11植物激素调节的试验分析_第3页
3/7
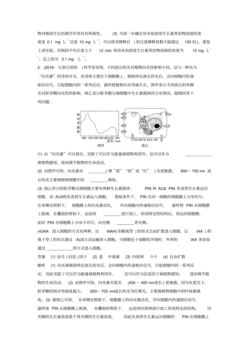
特训11植物激素调节的实验分析1.(2018·长沙重点中学联考)某课外活动小组为研究赤霉素(GA3)和生长素(IAA)对玉米胚芽鞘生长的影响,通过实验得到如图所示的实验结果。请回答下列问题:注:A、B两组分别为将胚芽鞘培养至第1、8天,再用相应激素处理的结果。(1)IAA和GA3都是植物细胞之间传递________的分子,能够调节细胞的代谢。(2)图中“?”的处理方式应是____________,该实验设置该组的目的是________________。实验时每组至少重复三次,并将结果取平均值,以避免____________对实验的干扰。(3)图中信息显示,GA3和IAA对玉米胚芽鞘的生长都表现出________作用,B组中起这种作用最为显著的处理组是____________。GA3单独处理的两组中,A组的效果更为明显,原因可能是离体时间短的玉米胚芽鞘中自身的IAA含量较________(填“高”或“低”)。(4)上述实验不能证明IAA对玉米胚芽鞘的生长作用具有两重性,理由是________________________________________________________________________。答案(1)信息(2)加等量蒸馏水(或不加激素)作为空白对照偶然因素(3)促进IAA+GA3高(4)该实验IAA处理组中的IAA均表现为促进生长解析(1)植物激素是植物细胞之间传递信息的分子。(2)该实验的目的是研究生长素(IAA)和赤霉素(GA3)对玉米胚芽鞘生长的影响,应将实验分为4组:只加IAA组、只加GA3组、同时加IAA和GA3组、不加激素(或加等量蒸馏水)组,所以图中“?”的处理方式是不加激素(或加等量蒸馏水)。依据实验设计应遵循的对照原则可知,该实验设置不加激素组的目的是作为空白对照。每组至少设置三个重复实验,结果取平均值,从而避免偶然因素的干扰,使结果更接近真实值。(3)分析题图可知,IAA处理组和GA3处理组中玉米胚芽鞘切段的长度均比空白对照组长,所以GA3和IAA对离体玉米胚芽鞘的生长都表现出促进作用;B组中IAA+GA3处理组对玉米胚芽鞘生长的促进作用远远大于GA3单独处理组和IAA单独处理组。分析A组和B组的实验结果,A组中GA3单独处理组的玉米胚芽鞘长度与IAA+GA3处理组相差不大,而B组中GA3单独处理组的玉米胚芽鞘长度远远短于IAA+GA3处理组,原因可能是离体时间短的玉米胚芽鞘中自身的IAA含量较高。(4)生长素的两重性是指低浓度促进生长,高浓度抑制生长,而该实验中IAA处理组均表现为促进生长,未体现高浓度的抑制生长。2.研究人员取若干发育相似的洋葱根段(6mm),分别用不同浓度的生长素类似物溶液处理,然后在适宜条件下培养36h,实验结果如表所示。据表回答下列问题:生长素类似物溶液的浓度(mg·L-1)00.0010.010.111010036h后的平均长度(mm)8.58.810.21214127.5(1)该实验设置生长素类似物溶液浓度为0的组别,其目的是________________。上表显示:无生长素类似物溶液处理的根段依然有生长现象,这是植物体内_____________作用的结果。(2)表中数据________(填“能”或“不能”)说明生长素类似物对洋葱根段生长的调节作用具有两重性,原因是_______________________________________________________________________________________________________________________________________________________________________________________________________。(3)现有一未知浓度的生长素类似物溶液,将用其处理过的题干所述洋葱根段在适宜条件下培养36h,所得根段长度为12mm。为进一步确定该未知浓度生长素类似物溶液的浓度是0.1mg·L-1还是10mg·L-1,请简要写出实验思路,并预测实验结果及结论。实验思路:________________________________________________________________________________________________________________________________。预测结果及结论:_______________________________________________________________________________________________________________________________________________________________________________________________________。答案(1)作为空白对照自身产生生长素(或植物激素)(2)能表中数据既体现了低浓度生长素类似物促进生长,也体现了高浓度生长素类似物抑制生长(或与空白对照组相比,生长素类似物既表现出促进作用,也表现出...

1、当您付费下载文档后,您只拥有了使用权限,并不意味着购买了版权,文档只能用于自身使用,不得用于其他商业用途(如 [转卖]进行直接盈利或[编辑后售卖]进行间接盈利)。
2、本站所有内容均由合作方或网友上传,本站不对文档的完整性、权威性及其观点立场正确性做任何保证或承诺!文档内容仅供研究参考,付费前请自行鉴别。
3、如文档内容存在违规,或者侵犯商业秘密、侵犯著作权等,请点击“违规举报”。

碎片内容

高考生物非选择题特训11植物激素调节的试验分析

文库当当响+ 关注
实名认证
内容提供者

该用户很懒,什么也没介绍

确认删除?
VIP
微信客服
  • 扫码咨询
会员Q群
  • 会员专属群点击这里加入QQ群
客服邮箱
回到顶部