电脑桌面
添加小米粒文库到电脑桌面
安装后可以在桌面快捷访问

高速轴的设计VIP免费

高速轴的设计_第1页
1/4
高速轴的设计_第2页
2/4
高速轴的设计_第3页
3/4
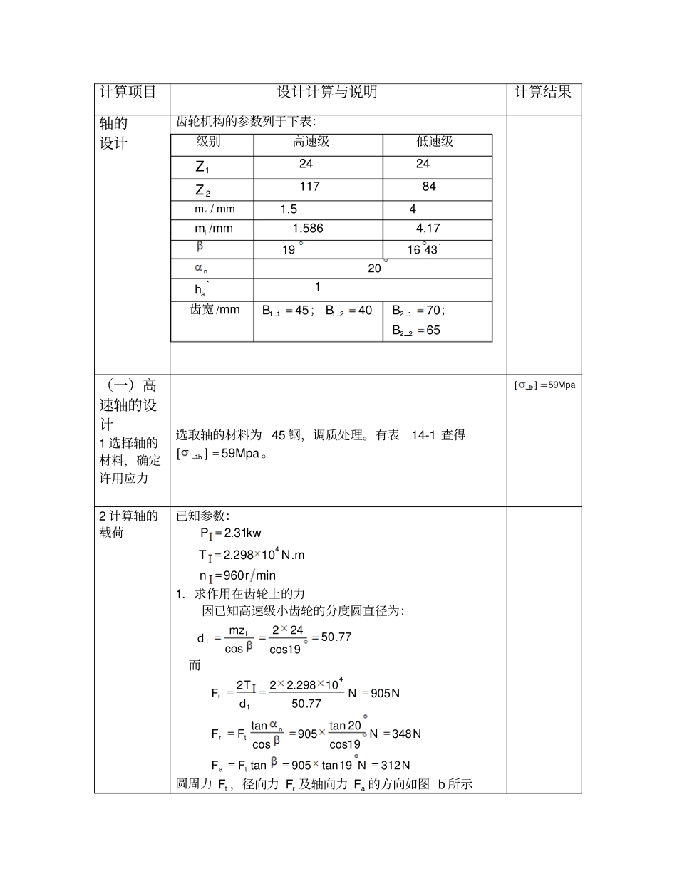
计算项目设计计算与说明计算结果轴的设计齿轮机构的参数列于下表:级别高速级低速级1Z24242Z11784mmmn/1.54tm/mm1.5864.1719·4316n20*ah1齿宽/mm1145B;1240B2170B;2265B(一)高速轴的设计1选择轴的材料,确定许用应力选取轴的材料为45钢,调质处理。有表14-1查得Mpab59][1。Mpab59][12计算轴的载荷已知参数:min960.10298.231.24rnmNTkwP1.求作用在齿轮上的力因已知高速级小齿轮的分度圆直径为:77.5019cos242cosd11mz而NNFFNNFFNNdTFtantrt31219tan905tan34819cos20tan905costan90577.5010298.22241圆周力tF,径向力rF及轴向力aF的方向如图b所示计算项目设计计算与说明计算结果3初步确定轴的最小直径安装联轴器处轴的直径1d是轴的最小直径。根据表14-2,A=107~118于是得mmmmnPAd15.81~33.1496031.2118)~(10733min考虑到轴上有键槽削弱,轴颈须加大3%~5%,取为14.76~16.60为了使所选轴颈与联轴器的孔径相适应,须同时选取联轴器按扭矩m10298.24NT查手册,选用LT6型弹套柱销联轴器,其半联轴器的孔径mm32d2,故取mmd321mmd1614.轴的结构设计1)拟定轴上零件的装配方案2)根据轴向定位的要求确定轴的各段直径和长度轴上的大部分零件,包括套筒、左端轴承、轴承端盖及联轴器依次由左端装配,仅右轴承及轴承端盖由右端装配轴的各段直径和长度如图a所示①联轴器段:由mmd321查手册可知联轴器与轴配合部分的长度mm601L,为保证轴端挡圈压紧联轴器,1l应略小于1L,故取mml581。②装左轴承端盖:联轴器右端用轴肩定位,故mm37d,[取定位轴肩高dh)1.0~07.0(],轴端的长度由轴承端盖宽度及其固定螺钉的装拆空间要求决定,取mm40l③装左轴承段:这两段轴颈由滚动轴承的内圈孔来决定。根据斜齿轮有轴向力及mm37d,选用角接触轴承7308CJ,其尺寸为mmmmmmBD239040d,故取mmd40,轴段的长度由滚动轴承宽度B、轴承内侧与箱体内壁距离mm10~5s、齿轮端面与箱体内壁之间的距离a=10~20mm等尺寸决定mmasB4820523l④轴段:由轴段mmd40,取44dmm,取齿轮距箱体内壁之距离a=20mm,参考文献[2]表5-2得,圆柱齿轮与圆柱齿轮之间的距离为c=14mm,考虑到箱体的铸造误差,在确定滚动轴承位置时,应距箱体内壁一段距离是s,取s=5mm。已知轴滚动轴承宽度B=23mm,高速级小齿轮轮毂长度1145Bmm,大齿轮轮计算项目设计计算与说明计算结果(3)轴上零件的周向定位(4)定出轴肩处圆角半径R的值毂长1240Bmm,低速级小齿轮轮毂长21B=70mm。则211211(20701440)79laBcBBsmmmm-B-l-45-48+23+5⑤齿轮段:考虑到小齿轮分度圆直径d50.77mm,且轴端的直径44dmm,由于齿根圆到键槽底部的距离tme2(tm为端面模数),则此段计为齿轮轴,取45lmm⑥轴环段:齿轮右端用轴环定位,轴环高度h=(0.07~0.1)d=(0.07~0.1)x40=(2.8~4)mm,取为h=3mm,故轴环直径d2(4023)46,dhmm轴环宽度一般为高度的1.4倍,取l6mm。⑦装右轴承段:该段取与轴端相同的直径d40mm。该段长度计算如下l20562342aslBmm半联轴器与轴的周向定位采用平键连接,为了保证半联轴器与轴配合有良好的对中性,故选择配合为6k7H,滚动轴承与轴的配合为6k7H。轴肩处的圆角半径R的值见图a。轴端倒角取C25校核轴的强度(1)作轴的计算简图(2)计算支反力,作弯矩由轴的结构简图(见图a),可确定出轴承支点跨距2352mmLL,悬臂1116.5Lmm。由此可画出轴的计算简图,如图b所示。①作水平面内的弯矩图HM(见图d)水平面支反力为,见图c905452.522TBHDHFRRN计算项目截面C处弯矩为2452.55223530CHBHMRLNm②左铅垂面内弯矩图VM(见图f)垂直面支反力为(见图e)2239053485250.772246.95252raDVdFLFRLL(负号代表与假定方向相反)34846.9394.9BVrDVRFRN截面C左边弯矩为12394.95220534.8CVBVMRLNM截面C右边弯矩为2346.9522438.8CVDVMRLNM设计计算与说明计算结果(3)作扭矩图(4)判断危险截面,计算当量弯矩(5)校核轴的强度③作合成弯矩图(见图g)截面C右边为2222222353020534.831230.4CCHCVMMMNmNm截面C左边为222211235302438.823656CCHCVMMMNmNm扭矩图如图h扭矩T=22980Nmm从图g可知截面C处为弯矩最大处,该截面为危险截面因为工作时为单向运转,扭转切应力为脉动循环变应力,故取修正系数0.6,则截面C的当量弯矩为22221()31230.4(0.622980)34139eCMMTNmNm由式(14-5)可得30.1eeeMMWd

1、当您付费下载文档后,您只拥有了使用权限,并不意味着购买了版权,文档只能用于自身使用,不得用于其他商业用途(如 [转卖]进行直接盈利或[编辑后售卖]进行间接盈利)。
2、本站所有内容均由合作方或网友上传,本站不对文档的完整性、权威性及其观点立场正确性做任何保证或承诺!文档内容仅供研究参考,付费前请自行鉴别。
3、如文档内容存在违规,或者侵犯商业秘密、侵犯著作权等,请点击“违规举报”。

碎片内容

高速轴的设计

您可能关注的文档

确认删除?
VIP
微信客服
  • 扫码咨询
会员Q群
  • 会员专属群点击这里加入QQ群
客服邮箱
回到顶部