电脑桌面
添加小米粒文库到电脑桌面
安装后可以在桌面快捷访问

龙门吊基础设计方案设计方案计算书80VIP免费

龙门吊基础设计方案设计方案计算书80_第1页
1/8
龙门吊基础设计方案设计方案计算书80_第2页
2/8
龙门吊基础设计方案设计方案计算书80_第3页
3/8
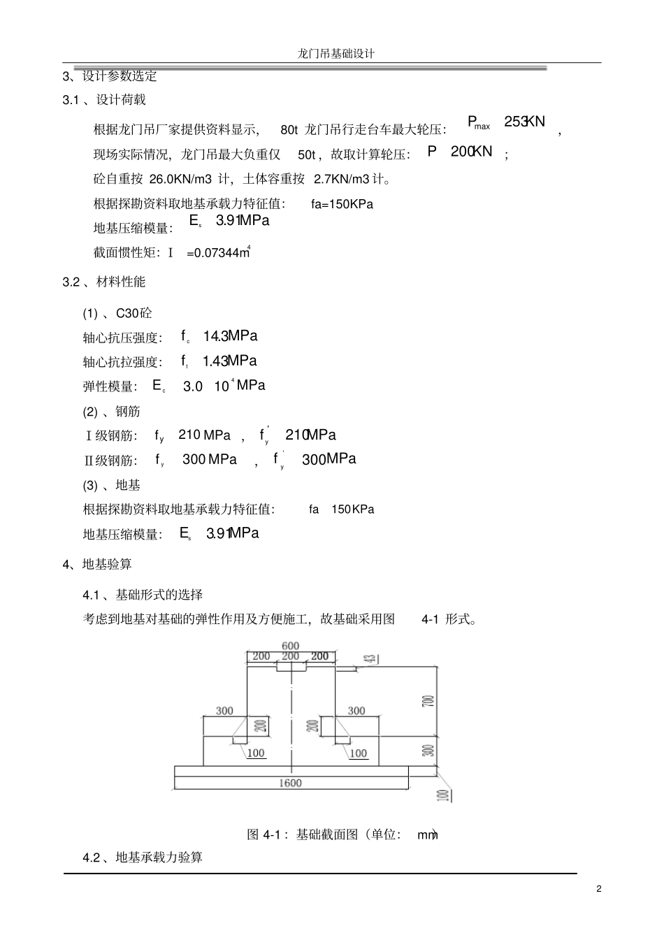
龙门吊基础设计1龙门吊基础设计1、设计依据1.1、《基础工程》(清华大学出版社);1.2、地质勘探资料;1.3、龙门吊生产厂家提所供有关资料;1.4、《建筑地基基础设计规范》(GB50007-2002);1.5、《砼结构设计规范》(GB50010-2002)。2、设计说明勘探资料显示:场地内1.3m深度地基的承载力为150KPa,故选取基础埋深mh0.1。龙门吊行走轨道基础采用钢筋砼条形基础,为减少砼方量,基础采用倒T形截面,混凝土强度等级为C20。龙门吊行走轨道根据龙门吊厂家设计要求采用P43型起重钢轨,基础设计中不考虑轨道与基础的共同受力作用,忽略钢轨承载能力不计;基础按弹性地基梁进行分析设计。图2-1基础横截面配筋图(单位:mm)通过计算及构造的要求,基础底面配置30φ12;箍筋选取φ8@350;考基础顶面配置9φ12与箍筋共同构成顶面钢筋网片,以提高基础的承载能力及抗裂性;其他按构造要求配置架立筋,具体见图2-1横截面配筋图。基础顶面预埋钢板用于焊接固定轨道钢扣片或预埋φ12钢筋用于固定钢轨。为保证基础可自由伸缩,根据台座布置情况,每44m设置一道20mm宽的伸缩缝,两侧支腿基础间距38m,基础位置根据制梁台座位置确定。龙门吊基础设计23、设计参数选定3.1、设计荷载根据龙门吊厂家提供资料显示,80t龙门吊行走台车最大轮压:KNP253max,现场实际情况,龙门吊最大负重仅50t,故取计算轮压:KNP200;砼自重按26.0KN/m3计,土体容重按2.7KN/m3计。根据探勘资料取地基承载力特征值:fa=150KPa地基压缩模量:MPaEs91.3截面惯性矩:Ι=0.07344m43.2、材料性能(1)、C30砼轴心抗压强度:MPafc3.14轴心抗拉强度:MPaft43.1弹性模量:MPaEc4100.3(2)、钢筋Ⅰ级钢筋:MPafy210,MPafy210'Ⅱ级钢筋:MPafy300,MPafy300'(3)、地基根据探勘资料取地基承载力特征值:150faKPa地基压缩模量:MPaEs91.34、地基验算4.1、基础形式的选择考虑到地基对基础的弹性作用及方便施工,故基础采用图4-1形式。图4-1:基础截面图(单位:mm)4.2、地基承载力验算龙门吊基础设计3每个台座两侧各设一条钢轨,长44m,两端各设伸缩缝20mm。考虑两台龙门吊同时作业,根据80t龙门吊资料:支腿纵向距离为6.05m,轮距离0.65m,结合内模和钢筋骨架长度,前后两龙门吊最小中心间距为22m。按最不利荷载情况布置轮压,见图4-2:HGFEDCBAP8P7P6P5P4P3P2P10.656.850.6513.850.656.850.6513.8544I图4-2:荷载布置图(单位:m)采用弹性地基梁模型计算地基的反力,根据场地地质勘测资料显示,地基持力层为粉质粘土,压缩模量MPaEs91.3,查表取泊松比3.0v;基础梁边比:M=l/b=44/1.0=44,按柔性基础查表的,影响系数76.1cI。基础截面惯性距:I=0.07344m4。地基变形模量:MPaEEEss90.291.33.013.02112122地基抗力系数:33/689.18101076.123.010.161090.221mKNIc)νb(Ek2/689.1810689.18100.1mKNkbksλ=344101810.689100.1247442.55100.07344sckEI荷载计算模式判定:P1:作用在基础端头,按半无限长梁计算P2:0.1247440.655.406l按无限长梁计算P3:0.1247440.656.854.552l按无限长梁计算P4:0.1247440.6526.854.47l按无限长梁计算P5:0.1247448.1513.852.743l按无限长梁计算P6:0.124744220.652.662l按无限长梁计算P7:0.12474413.850.653.679l按无限长梁计算P8:0.12474413.853.76l按无限长梁计算4.2.1、活荷载作用地基反力强度计算(1)荷载P1对各计算点影响荷载P1按半无限长梁计算:00.12470a龙门吊基础设计4对位置A:00.12470x,查表得反力系数2p对位置B:0.650.12470.081x,查表得反力系数822.1p对位置C:0.656.850.12470.935x,查表得反力系数0.33p对位置D:0.6526.850.12471.016x,查表得反力系数2.45p对位置E:0.6526.8513.850.12472.743x,查表得反力系数08.0p对位置F:0.6526.8513.850.650.12472.824x,查表得反力系数07.0p对位置G:0.6526.8513.850.656.850.12473.679x,查表得反力系数4.24p对位置H:4413.850.12473.76x,查表得反力系数0.09p对位置I:440.12475.487x,查表得反力系数504.0p荷载P1按式:pPp1计算P1对各计算点所作用地基反力,具体见表-1。(2)其他荷载的影响计算过程见表1:其中:Axi=e-λx(cosλx+sin...

1、当您付费下载文档后,您只拥有了使用权限,并不意味着购买了版权,文档只能用于自身使用,不得用于其他商业用途(如 [转卖]进行直接盈利或[编辑后售卖]进行间接盈利)。
2、本站所有内容均由合作方或网友上传,本站不对文档的完整性、权威性及其观点立场正确性做任何保证或承诺!文档内容仅供研究参考,付费前请自行鉴别。
3、如文档内容存在违规,或者侵犯商业秘密、侵犯著作权等,请点击“违规举报”。

碎片内容

龙门吊基础设计方案设计方案计算书80

确认删除?
VIP
微信客服
  • 扫码咨询
会员Q群
  • 会员专属群点击这里加入QQ群
客服邮箱
回到顶部