电脑桌面
添加小米粒文库到电脑桌面
安装后可以在桌面快捷访问

制冷管道安装施工工艺VIP专享VIP免费

制冷管道安装施工工艺_第1页
1/7
制冷管道安装施工工艺_第2页
2/7
制冷管道安装施工工艺_第3页
3/7
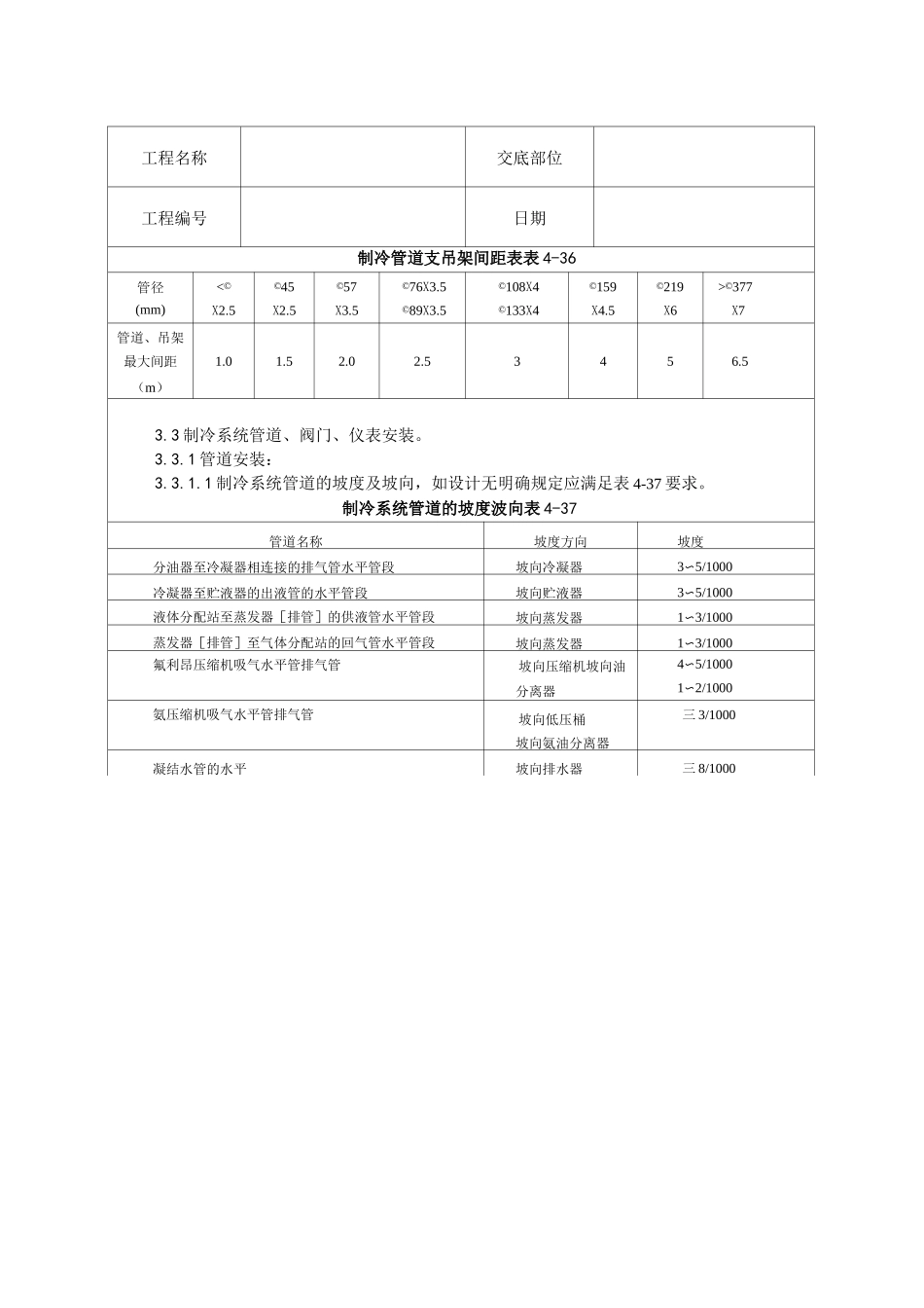
所采用的管子和焊接材料应符合设计规定,并具有出厂合格证明成质量鉴定文件。制冷系统的各类阀件必须采用专用产品,并有出厂合格证。无缝钢管内外表面应无显著腐蚀、无裂纹、重皮及凹凸不平等缺陷。铜管内外壁均应光洁、无疵孔、裂缝、结疤、层裂或气池等缺陷。施工机具:卷扬机、空气压缩机、真空泵、砂轮切割机、手砂轮、压力工作台、预检f施工准备f管道等安装f系统吹污系统抽真空f管道防腐f系统充制冷剂f检验系统气密性试制冷管道安装1范围本工艺标准适用于制冷系统中工作压力低于2MPa、温度在150〜-20°C范围内、输送介质为制冷剂和润滑油的管道安装工程。2施工准备2.1材料及主要机具2.1.12.1.22.1.32.1.42.1.5台钻、电锤、坡口机、铜管板边器、手锯、套丝板、管钳子、套筒扳手、梅花扳手、活板子、水平尺、铁锤、电气焊设备等。2.1.6测量工具:钢直尺、钢卷尺、角尺、半导体测温计、形压力计等。2.2作业条件2.2.1设计图纸、技术文件齐全,制冷工艺及施工程序清楚。2.2.2建筑结构工程施工完毕,室内装修基本完成,与管道连接的设备已安装找正完毕,管道穿过结构部位的孔洞已配合预留,尺寸正确。预埋件设置恰当,符合制冷管道施工要求。2.2.3施工准备工作完成,材料送至现场。3操作工艺3.1工艺流程:3.2施工准备3.2.1认真熟悉图纸、技术资料,搞清工艺流程、施工程序及技术质量要求。3.2.2按施工图所示管道位置、你高、测量放线、查找出支吊架预埋铁件。3.2.3制冷系统的阀门,安装前应按设计要求对型号、规格进行核对检查,并按照规范要求做好清洗和严密性试验。3.2.4制冷剂和润滑油系统的管子、管件应将内外壁铁锈及污物清除干净,除完锈的管子应将管口封闭,并保持内外壁干燥。3.2.5按照设计规定,预制加工支吊管架、须保温的管道、支架与管子接触处应用经防腐处理的土垫隔热。木垫厚度应与保温层厚度相同。支吊架型式间距见表4-36。工程名称交底部位工程编号日期交底内容:工程名称交底部位工程编号日期制冷管道支吊架间距表表4-36管径(mm)<©X2.5©45X2.5©57X3.5©76X3.5©89X3.5©108X4©133X4©159X4.5©219X6>©377X7管道、吊架最大间距(m)1.01.52.02.53456.53.3制冷系统管道、阀门、仪表安装。3.3.1管道安装:3.3.1.1制冷系统管道的坡度及坡向,如设计无明确规定应满足表4-37要求。制冷系统管道的坡度波向表4-37管道名称坡度方向坡度分油器至冷凝器相连接的排气管水平管段坡向冷凝器3〜5/1000冷凝器至贮液器的出液管的水平管段坡向贮液器3〜5/1000液体分配站至蒸发器[排管]的供液管水平管段坡向蒸发器1〜3/1000蒸发器[排管]至气体分配站的回气管水平管段坡向蒸发器1〜3/1000氟利昂压缩机吸气水平管排气管坡向压缩机坡向油分离器4〜5/10001〜2/1000氨压缩机吸气水平管排气管坡向低压桶坡向氨油分离器三3/1000凝结水管的水平坡向排水器三8/10003.3.1.2制冷系统的液体管安装不应有局部向上凸起的弯曲现象,以免形成气囊。气体管不应有局部向下凹的弯曲现象。以免形成液囊。3.3.1.3从液体干管引出支管,应从干管底部或侧面接出,从气体干管引出支管,应从干管上部或侧面接出。3.3.1.4管道成三通连接时,应将支管按制冷剂流向弯成弧形再行焊接(图4-37a),当支管与干管直径相冋且管道内径小于50mm时,则需在干管的连接部位换上大一号管径的管段,再按以上规定进行焊接(图4-37b)。3.3.1.5不同管径的管子直线焊接时,应采用同心异径管(图4-37c)。3.3.1.6紫铜管连接宜采用承插口焊接,或套管式焊接,承口的扩口深度不应小于管径,扩口方向应迎介质流向(图4-38)。3.3.1.7紫铜管切口表面应平齐,不得有毛刺、凹凸等缺陷。切口平面允许倾斜偏差为管子直径的1%。3.3.1.8紫铜管煨弯可用热弯或冷弯,椭圆率不应大于8%。3.3.2阀门安装:3.3.2.1阀门安装位置、方向、高度应符合设计要求不得反装。工程名称交底部位工程编号日期3.3.2.2安装带手柄的手动截止阀,手柄不得向下。电磁阀、调节阀、热力膨胀阀、升降式止回阀等,阀头均应向上竖直安装。3.3.2.3热力膨胀阀的感温包,应装于蒸发器末端的回气管上,应接触良好,绑扎紧密,并用隔热材料密封包扎,其厚度与保温层相同...

1、当您付费下载文档后,您只拥有了使用权限,并不意味着购买了版权,文档只能用于自身使用,不得用于其他商业用途(如 [转卖]进行直接盈利或[编辑后售卖]进行间接盈利)。
2、本站所有内容均由合作方或网友上传,本站不对文档的完整性、权威性及其观点立场正确性做任何保证或承诺!文档内容仅供研究参考,付费前请自行鉴别。
3、如文档内容存在违规,或者侵犯商业秘密、侵犯著作权等,请点击“违规举报”。

碎片内容

制冷管道安装施工工艺

确认删除?
VIP
微信客服
  • 扫码咨询
会员Q群
  • 会员专属群点击这里加入QQ群
客服邮箱
回到顶部