电脑桌面
添加小米粒文库到电脑桌面
安装后可以在桌面快捷访问

道岔检查17处VIP免费

道岔检查17处_第1页
1/7
道岔检查17处_第2页
2/7
道岔检查17处_第3页
3/7
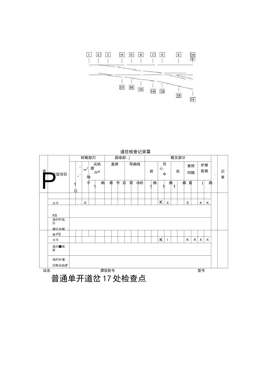
道岔检查记录霜杏P检宜项目转辄部刃昌域郃;」辄叉部廿:记爭1口a1U.■■■j-l轴中尖轨跟;u<直绣导曲线前貝心中后查照囘隔护披距离1曲前中启前中后1曲1曲1曲直i曲水平KKXSKKKft施时杆旌日期丘尙煤執PE水平_KIKKXX執向■髙底临时补僮日期&由昏普通单开道岔17处检查点站名谓茁肪号型号检查12号普通单开道岔的作业程序一、选用工具校对量具(轨距尺、支距尺、弦绳、木折尺)在检查记录本上填写日期、站名、道岔编号、道岔型号二、检查道岔17尺轨距和水平,顺序不能错。1•尖轨前顺坡终点1435mm2•尖轨尖端1445mm3•尖轨中部(尖轨刨切终点)1442mm4•尖轨跟端直股1439mm5.尖轨跟端曲股(导曲线起点处)1439mm6.尖轨跟端后直股(距跟端)1435mm7.导曲线前部(距导曲线起点3m)1445mm8.导曲线中部1445mm9•直股中部1435mm10.直股后部1435mm11.导曲线后部(距导曲线终点4m)1445mm12.辙叉曲股前1435mm13.辙叉曲股中(同时量查照间隔和护背距离)1435mm>1391mm<1348mm14.辙叉曲股后1435mm15.辙叉直股后1435mm16•辙叉直股中1435mm(查照和护背)17•辙叉直股前1435mm隐藏三、检查支距9号道岔为:144、201、281、382、506、652、820、1011、1201mm,9尺;12号道岔为:144、188、243、311、391、483、587、703、831、972、1125、1229mm,12尺。四、检查各部轨轮槽宽尖轨刨切部分(尖轨工作边与基本轨工作边之间的最小距离为65mm;容许误差为-2mm);尖轨跟端槽宽(74mm);辙叉心轨轮槽宽(在心轨宽40至50mm范围内为46mm容许误差为+3-1mm);护轨轨轮槽宽为42mm容许误差为+3Tmm测量位置与检查轨距水平的位置相同)。五、检查尖轨动程直尖轨为142mm;曲尖轨为152mm测量位置在尖轨第一拉杆中心处测量。六、检查道岔的高低、方向、尖轨是否密贴、道岔是否爬行、联结零件是否伤损、道床是否丰满无塌碴。七、圈画超限处所八、九、9号道岔铺设的主要检测项点:十、1、岔枕水平、方正(张拉弦线检测法),岔枕间距检测(砼枕±5,木枕±10)。十一、2、道岔全长±10,岔内轨距+3-2,检测侧股有无过渡轨距。十二、3、辙跟支距、导曲线每2m-处的支距检测(公差±1)。十三、4、尖轨与基本轨的密贴(尖端至第一牵引点范围内不大于,其余不大于1mm)。十四、5、各牵引点动程±1。十五、6、用塞尺检测滑床板空吊,各牵引点前后滑床板空吊不大于,其余大于1mm。十六、7、查照间隔(护轨工作边到心轨工作边的距离)N1391,护前距离(护轨工作边到翼轨工作边的距离)W1348。十七、8、护轨各部轮缘槽(41、65、80)公差+-1,辙叉轮缘槽(46),辙叉咽喉尺寸68。十八、9、曲尖轨最小轮缘槽(65)。十九、上述为92改进型和提速道岔(9号)在道岔厂内试铺的检验标准,还不够详尽,如你还需全面些的,请依照铁道部颁布的《道岔制造技术条件》TB412-2004。“91”是“查照间隔”的简称,其为辙叉心作用面至护轨头部外侧的距离;“48”是“护背距离”的简称,其为辙叉翼轨作用面至护轨头部外侧的距离。日常养护中我们通常说“一推一拉,91/48”,看起来很简单,但真正在现场实现它,需要我们全面清晰的认识才行。辙叉部分的轨距,既受查照间隔SC和护背距离SH的制约,又受护轨轮缘槽宽度t和翼轨轮缘槽宽度t的控制,因此容许偏差的范12围是很窄的。容许正误差e、负误差e与SC、SH、t和t的关系如1212下:1.e=SH+t+t—1435二t+t—87。t+t>87mm时,才容许有正1121212误差。2.e二SC+t—1435二t一44。t<44mm时,才容许有负误差。2111当t=43mm及t=45mm时,容许误差范围为±1mm;t121=42mm及t=47mm时,容许误差范围为±2mm;t=41mm及21t=49mm时,容许误差范围为±3mm。例如轮缘槽标准宽度t为4221mm,t为46mm,在轨距为1435mm时,与护背距离1348mm的差距2仅有1mm;在轨距为1436mm时,护背距离就已达到1348mm的限度。《修规》规定查照间隔不得小于1391mm,护背距离不得大于1348mm。日常应保持查照间隔和护背距离不超过规定的限度,如检查发现稍有超限,必须及时修理。查照间隔和护背距离的测量位置,12号60kg/m钢轨普通道岔设计图纸规定为心轨顶宽25mm断面处,12号60kg/m钢轨提速道岔设计图纸规定为心轨顶宽20〜30mm断面处,此外,一般道...

1、当您付费下载文档后,您只拥有了使用权限,并不意味着购买了版权,文档只能用于自身使用,不得用于其他商业用途(如 [转卖]进行直接盈利或[编辑后售卖]进行间接盈利)。
2、本站所有内容均由合作方或网友上传,本站不对文档的完整性、权威性及其观点立场正确性做任何保证或承诺!文档内容仅供研究参考,付费前请自行鉴别。
3、如文档内容存在违规,或者侵犯商业秘密、侵犯著作权等,请点击“违规举报”。

碎片内容

道岔检查17处

您可能关注的文档

确认删除?
VIP
微信客服
  • 扫码咨询
会员Q群
  • 会员专属群点击这里加入QQ群
客服邮箱
回到顶部