电脑桌面
添加小米粒文库到电脑桌面
安装后可以在桌面快捷访问

常用电气图形符号表VIP免费

常用电气图形符号表_第1页
1/6
常用电气图形符号表_第2页
2/6
常用电气图形符号表_第3页
3/6
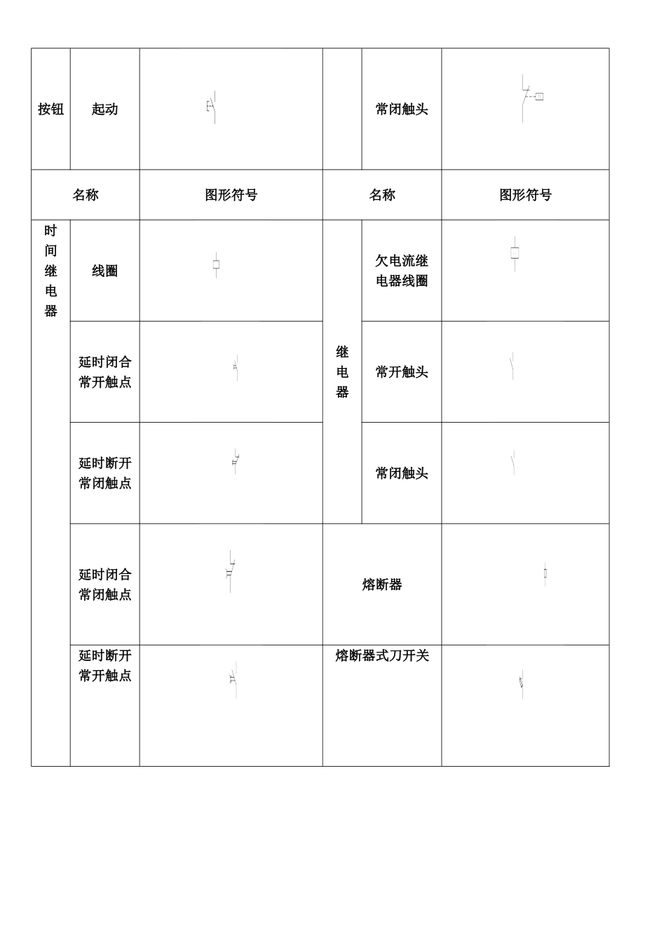
常用电气图形符号名称图形符号名称图形符号一般三极电源开关按钮停止低压断路器复合行程开关常开触头接触器线圈常闭触头主触头复合触头常开辅助触头常闭辅助触头转换开关速度继电器常开触头按钮起动常闭触头名称图形符号名称图形符号时间继电器线圈继电器欠电流继电器线圈延时闭合常开触点常开触头延时断开常闭触点常闭触头延时闭合常闭触点熔断器延时断开常开触点熔断器式刀开关通电延时线圈热继电器热元件断电延时线圈常闭触点名称图形符号名称图形符号继电器中间继电器线圈桥式整流装置欠电压继电器线圈蜂鸣器过电流继电器线圈信号灯电阻器单相变压器接插器整流变压器电磁铁照明变压器电磁吸盘控制电路电源用变压器串励直流电动机带滑动触点电位器名称图形符号名称图形符号他励直流电动机PNP型三极管三相笼形异步电动机NPN型三极管三相绕线转子异步电动机晶闸管(阳极侧受控)半导体二极管积复励直流电动机接近敏感开关动合触头差复励直流电动机磁铁接近时动作的接近开关的动合触头接近开关动合触头直流发电机常用电气文字符号名称符号名称符号名称符号单字母双字母单字母双字母单字母双字母发电机G电压互感器TTV电阻器R直流发电机GGD整流器U电位器RRP交流发电机GGA断路器QQF启动电阻器RRS同步发电机GGS隔离开关QQS制动电阻器RRB异步发电机GGA自动开关QQA频敏电阻器RRF电动机M转换开关QQC电容器C直流电动机MMD刀开关QQK电感器L交流电动机MMA控制开关SSA电抗器LLS同步电动机MMS行程开关SSQ熔断器FFU异步电动机MMA微动开关SSS照明灯EEL笼型电动机MMC按钮开关SSB指示灯HHL绕组W接近开关SSP晶体管VVT电枢绕组WWA继电器K晶闸管VVTH定子绕组WWS电压继电器KKV半导体二极管VVD转子绕组WWR电流继电器KKA稳压管VVS变压器T时间继电器KKT变换器B电力变压器TTM控制继电器KKC压力变换器BBP控制变压器TTC速度继电器KKS位置变换器BBQ自耦变压器TTA接触器KKM温度变换器BBT整流变压器TTR电磁铁YYA速度变换器BBV互感器T电磁离合器YYC测速发电器BBR电流互感器TTA电磁阀YYV常用辅助文字符号名称符号名称符号名称符号高H绿GN断开OFF低L黄YE附加ADD升U白WH异步ASY降D蓝BL同步SYN主M直流DC自动A,AUT辅AUX交流AC手动M,MAN中M电压V起动ST正FW电流A停止STP反R时间T控制C紅RD閉合ON信號S

1、当您付费下载文档后,您只拥有了使用权限,并不意味着购买了版权,文档只能用于自身使用,不得用于其他商业用途(如 [转卖]进行直接盈利或[编辑后售卖]进行间接盈利)。
2、本站所有内容均由合作方或网友上传,本站不对文档的完整性、权威性及其观点立场正确性做任何保证或承诺!文档内容仅供研究参考,付费前请自行鉴别。
3、如文档内容存在违规,或者侵犯商业秘密、侵犯著作权等,请点击“违规举报”。

碎片内容

常用电气图形符号表

您可能关注的文档

学海无涯书城+ 关注
实名认证
内容提供者

热爱教育事业,爱好互联网行业

相关文档

确认删除?
VIP
微信客服
  • 扫码咨询
会员Q群
  • 会员专属群点击这里加入QQ群
客服邮箱
回到顶部