电脑桌面
添加小米粒文库到电脑桌面
安装后可以在桌面快捷访问

中考物理总复习 测量小灯泡的电功率专题考点训练(真题集锦) 新人教版试卷VIP免费

中考物理总复习 测量小灯泡的电功率专题考点训练(真题集锦) 新人教版试卷_第1页
1/5
中考物理总复习 测量小灯泡的电功率专题考点训练(真题集锦) 新人教版试卷_第2页
2/5
中考物理总复习 测量小灯泡的电功率专题考点训练(真题集锦) 新人教版试卷_第3页
3/5
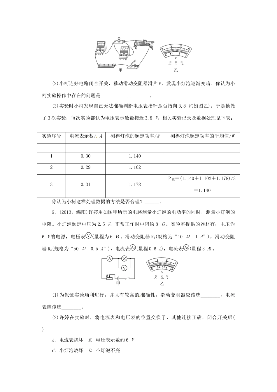
测量小灯泡的电功率1.(2013,哈尔滨)小明按如图所示电路测量小灯泡功率,备有器材规格如下:电源电压恒为6V,小灯泡额定电压为2.5V,灯泡正常发光时灯丝电阻约为10Ω,变阻器甲的规格“10Ω1A”、乙的规格“50Ω0.5A”,电流表量程有“0~0.6A”、“0~3A”,电压表量程有“0~3V”、“0~15V”,下列说法不正确的是()A.当电压表示数为2.5V时,灯泡消耗的功率等于额定功率B.为减小误差,电压表量程选“0~3V”,电流表量程选“0~0.6A”C.变阻器应选择甲“10Ω1A”D.由本实验可发现,灯泡在不同电压下,实际功率不同,亮度不同2.(2013,盐城)小明在“测量小灯泡电功率”的实验,所用小灯泡额定电压为2.5V。(1)在图甲中,用笔画线代替导线,将实验电路连接完整。(2)闭合开关前,应将滑动变阻器的滑片移动到最________端。(3)闭合开关,小灯泡微亮,电压表________(选填“有”或“没有”)示数,要测量额定功率,应移动滑片,使电压表示数为________V。(4)当电压表的读数达到额定电压时,电流表的示数如图乙所示,其值为________A,小灯泡的额定功率为________W。3.(2013,黄冈)在“测定2.5V小灯泡额定功率”的实验中,电源电压恒定。(1)某同学根据如图所示电路进行实验。实验过程中,灯泡突然不亮,电流表、电压表的示数都减小。经检查,导线连接完好,则可能的故障是________。A.灯泡处断路B.滑片与变阻器电阻丝断开(2)排除故障后继续进行实验。某时刻,电压表的示数为2.6V,现要测定小灯泡的额定功率,应将滑片向________(选填“左”或“右”)移动,直至电压表示数为________V,若此时电流表示数为0.4A,则小灯泡的额定功率为________W。4.(2013,宁波)在“测定小灯泡的电功率”的实验中,小灯泡上标有“2.5V”字样。实验序号123U/V2.02.53.0I/A0.220.260.30P/W小灯泡的亮度(1)如图甲所示的实验电路中,缺少一根导线,请用笔画线代替导线,将电路连接完整。(2)小科同学正确连接电路后进行实验,记录实验数据如表所示。当他断开开关整理器材时,才发现电表如图乙所示。小科同学应重新实验,实验前他应该进行的实验操作是________。小科补上了这一操作后,重新实验并正确操作,他测得小灯泡的额定功率将________(选填“大于”“小于”或“等于”)0.65W。5.(2013,衢州)小柯用如图甲所示电路测定小灯泡额定功率,其中电源电压为4.5V、小灯泡额定电压为3.8V。(1)请按照实物图画出电路图。(2)小柯连好电路闭合开关,移动滑动变阻器滑片P,发现小灯泡逐渐变暗。你认为小柯实验操作中存在的问题是____________________。(3)实验时小柯发现自己无法准确判断电压表指针是否指向3.8V(如图乙)。于是他做了3次实验,每次实验都认为电压表示数最接近3.8V。相关实验记录及数据处理见下表:实验序号电流表示数/A测得灯泡的额定功率/W测得灯泡额定功率的平均值/W10.301.14020.291.10230.311.178P额=(1.140+1.102+1.178)/3=1.140你认为小柯这样处理数据的方法是否合理?______。6.(2013,绵阳)许婷用如图甲所示的电路测量小灯泡的电功率的同时,测量小灯泡的电阻。小灯泡额定电压为2.5V,正常工作时电阻约8Ω。实验室提供的器材有:电压为6V的电源,电压表(量程为6V)。滑动变阻器R1(规格为“10Ω1A”),滑动变阻器R2(规格为“50Ω0.5A”),电流表(量程0.6A),电流表(量程3A)。(1)为保证实验顺利进行,并且有较高的准确性,滑动变阻器应该选________,电流表应该选________。(2)许婷在实验时,将电流表和电压表的位置交换了,其他连接正确,闭合开关后()A.电流表烧坏B.电压表示数约6VC.小灯泡烧坏D.小灯泡不亮(3)正确连接好电路后,闭合开关,从大到小调节滑动变阻器的阻值,并将电压表和电流表部分读数填在下表中。电压表读数为2.5V时,电流表的示数如图乙所示,请帮许婷将此读数填在下表中。序号电压表示数U/V电流表示数I/A11.00.1421.50.2132.00.2642.5________53.00.36(4)根据补充完整后的上表数据,测得小灯泡在电压为2.0V时的实际功率是________W,在正常工作状态时电阻是________Ω。7.(2013,南宁)如图甲所示是测量标有“3.8V”字样的小灯泡额定功率的电路图。(1)连接电...

1、当您付费下载文档后,您只拥有了使用权限,并不意味着购买了版权,文档只能用于自身使用,不得用于其他商业用途(如 [转卖]进行直接盈利或[编辑后售卖]进行间接盈利)。
2、本站所有内容均由合作方或网友上传,本站不对文档的完整性、权威性及其观点立场正确性做任何保证或承诺!文档内容仅供研究参考,付费前请自行鉴别。
3、如文档内容存在违规,或者侵犯商业秘密、侵犯著作权等,请点击“违规举报”。

碎片内容

中考物理总复习 测量小灯泡的电功率专题考点训练(真题集锦) 新人教版试卷

星河书苑+ 关注
实名认证
内容提供者

从事历史教学,热爱教育,高度负责。

相关文档

确认删除?
VIP
微信客服
  • 扫码咨询
会员Q群
  • 会员专属群点击这里加入QQ群
客服邮箱
回到顶部