电脑桌面
添加小米粒文库到电脑桌面
安装后可以在桌面快捷访问

PMC流程完整版本VIP免费

PMC流程完整版本_第1页
1/3
PMC流程完整版本_第2页
2/3
PMC流程完整版本_第3页
3/3
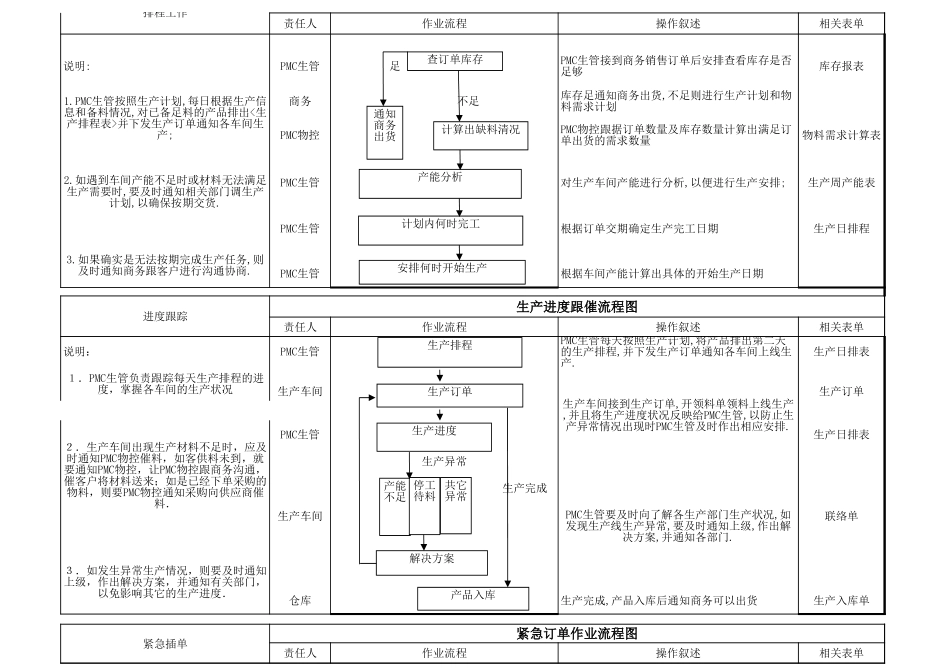
物料计算材料需求计算流程图责任人作业流程操作叙述相关表单商务销售订单足库存报表不足确认库存审核采购采购依据物料请购单向供应商下达采购订单排程工作生产排程工作流程图PMC工作流程PMC流程图:接受商务订单-生产编排计划-物料需求计划-库存查询-采购申购-供应商送货-来料检验-仓库收料-生产领料-生产进度跟催-半成品入库-包装-出货确认商务接到销售订单,将销售订单转给PMC生管进行计划说明:1.PMC物控接到生产订单,对产品订单进行确认;PMC生管PMC生管接到订单后转仓库查库存是否满足出货,如满足则通知商务出货,如不够则进行生产计划.2.调出产品BOM,计算生产用料情况及用量需求,编制物料需求的清单;PMC物控PMC物控接到生产计划,确认后调出BOM表进行物料计算,查询仓库相关物料的库存,填制材料需计算表产品BOM表;库存报表;材料需求计算表3.请仓库查询并反馈物料的目前库存,并收集物料的消耗信息,按生产计划时间对材料进行预算,编制材料需求计算表;4.依据材料的库存量是否满足生产需要,如满足,则通知生管料足进行生产排程,如缺料,则编制填写《物料请购单》给领导审核,并通知采购部门进行采购。PMC物控PMC物控根椐材料需求计算表填写物料请购单,并交由上级主管审核后,转发给采购部门进行采购请购单;采购订单销售订单库存足否生产计划物料请购材料需求采购订单库存BOM表排程工作责任人作业流程操作叙述相关表单足库存报表商务不足物料需求计算表生产周产能表根据订单交期确定生产完工日期生产日排程根据车间产能计算出具体的开始生产日期进度跟踪生产进度跟催流程图责任人作业流程操作叙述相关表单说明:生产日排表生产车间生产订单生产日排表生产异常生产完成生产车间联络单仓库生产入库单紧急插单紧急订单作业流程图责任人作业流程操作叙述相关表单说明:PMC生管PMC生管接到商务销售订单后安排查看库存是否足够1.PMC生管按照生产计划,每日根据生产信息和备料情况,对已备足料的产品排出<生产排程表>并下发生产订单通知各车间生产;库存足通知商务出货,不足则进行生产计划和物料需求计划PMC物控PMC物控跟据订单数量及库存数量计算出满足订单出货的需求数量2.如遇到车间产能不足时或材料无法满足生产需要时,要及时通知相关部门调生产计划,以确保按期交货.PMC生管对生产车间产能进行分析,以便进行生产安排;PMC生管3.如果确实是无法按期完成生产任务,则及时通知商务跟客户进行沟通协商.PMC生管PMC生管PMC生管每天按照生产计划,将产品排出第二天的生产排程,并下发生产订单通知各车间上线生产.1.PMC生管负责跟踪每天生产排程的进度,掌握各车间的生产状况生产车间接到生产订单,开领料单领料上线生产,并且将生产进度状况反映给PMC生管,以防止生产异常情况出现时PMC生管及时作出相应安排.2.生产车间出现生产材料不足时,应及时通知PMC物控催料,如客供料未到,就要通知PMC物控,让PMC物控跟商务沟通,催客户将材料送来;如是已经下单采购的物料,则要PMC物控通知采购向供应商催料.PMC生管PMC生管要及时向了解各生产部门生产状况,如发现生产线生产异常,要及时通知上级,作出解决方案,并通知各部门.3.如发生异常生产情况,则要及时通知上级,作出解决方案,并通知有关部门,以免影响其它的生产进度.生产完成,产品入库后通知商务可以出货查订单库存计算出缺料清况通知商务出货产能分析计划内何时完工安排何时开始生产生产排程解决方案生产订单生产进度产能不足停工待料共它异常产品入库说明:商务销售订单生产报表生产排程库存报表生产车间生产订单仓库生产完成,产品入库后通知商务可以出货.出货通知单商务商务对该订单开立出货单通知仓库出货.出货单物料跟催物料跟催流程图责任人作业流程操作叙述相关表单说明PMC生管仓库缺料状况表生产车间PMC物控联络单采购部仓库生产车间PMC物控商务接到紧急交期客户订单,通知PMC生管进行插单,安排生产计划.如果商备接到交期较短的订单,则PMC生管应通知各生产部门进行生产调整,调用交期较后的产品物料,先生产急单产品,并通知PMC物控作出相应的物料调整计划.PMC生管PMC生管接到订单后查库存是否足,如果产能充足...

1、当您付费下载文档后,您只拥有了使用权限,并不意味着购买了版权,文档只能用于自身使用,不得用于其他商业用途(如 [转卖]进行直接盈利或[编辑后售卖]进行间接盈利)。
2、本站所有内容均由合作方或网友上传,本站不对文档的完整性、权威性及其观点立场正确性做任何保证或承诺!文档内容仅供研究参考,付费前请自行鉴别。
3、如文档内容存在违规,或者侵犯商业秘密、侵犯著作权等,请点击“违规举报”。

碎片内容

PMC流程完整版本

您可能关注的文档

确认删除?
VIP
微信客服
  • 扫码咨询
会员Q群
  • 会员专属群点击这里加入QQ群
客服邮箱
回到顶部