电脑桌面
添加小米粒文库到电脑桌面
安装后可以在桌面快捷访问

八年级物理物态变化测试题及答案VIP免费

八年级物理物态变化测试题及答案_第1页
1/6
八年级物理物态变化测试题及答案_第2页
2/6
八年级物理物态变化测试题及答案_第3页
3/6
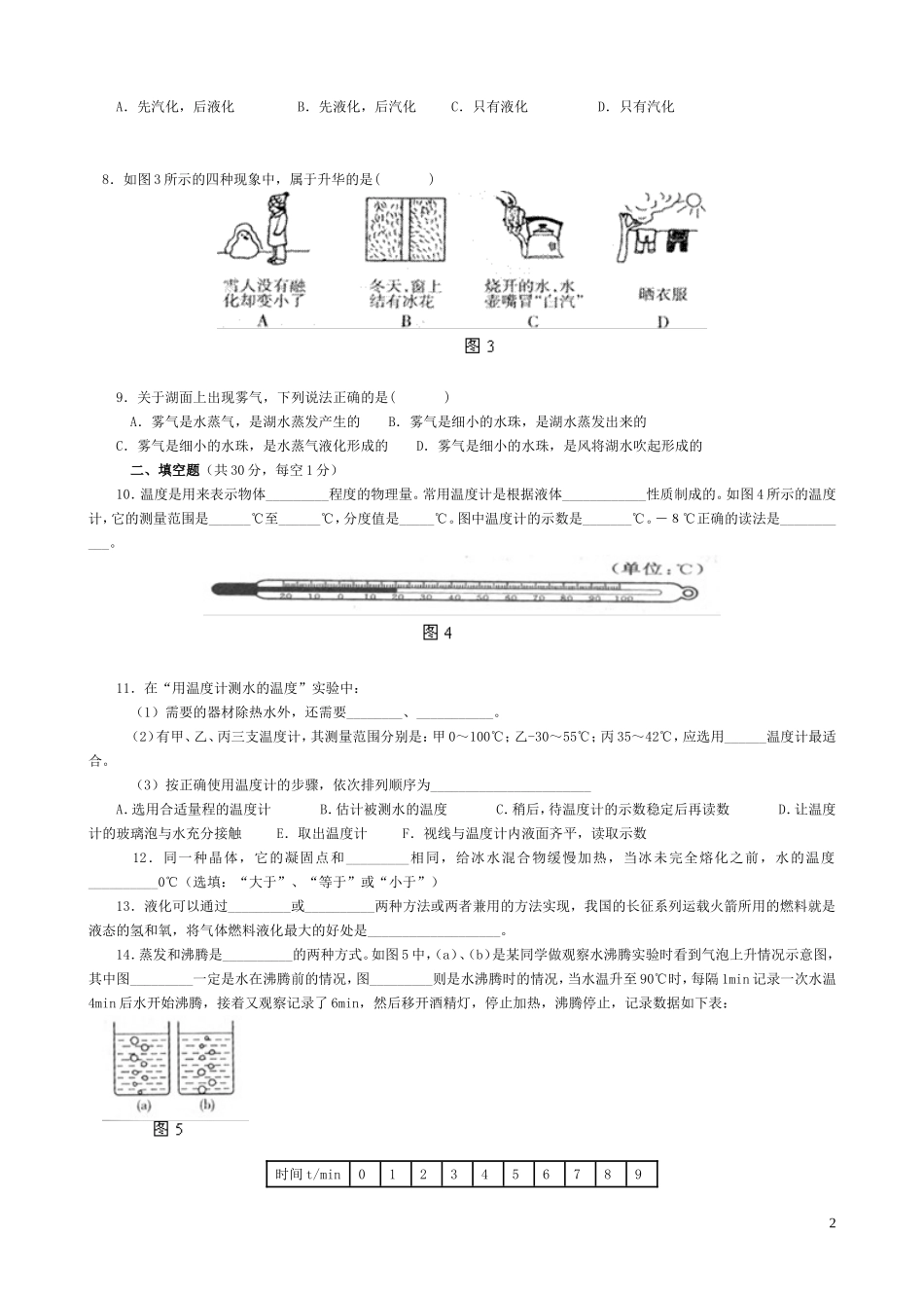
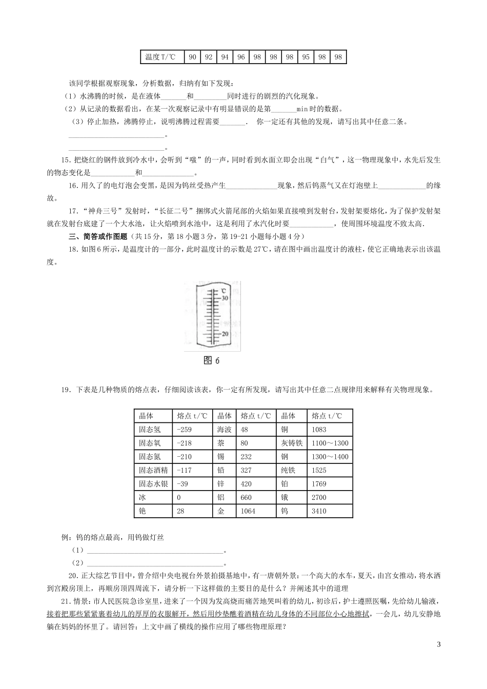
第三章《物态变化》单元测试题一、选择题(共18分,每小题只有一个正确答案,把你认为正确答案的序号填写在题后的括号内,不选或错选得0分)1.如图1所示,是四位同学“用温度计测量某种液体温度”的实验操作示意图,其中正确的操作是()2.现要制造两种液体温度计:⑴测北方高寒地区气温用的寒暑表;⑵能测萘熔液沸腾时温度的温度计。那么请根据下面表格的数据判断.制造温度计用的液体应分别选用()A.酒精、水银B.都用水银C.都用酒精D.酒精、甲苯几种物质熔点(℃)水银甲苯酒精萘-39-102-11780在标准大气压下,几种液体沸点(℃)水银甲苯酒精萘357110782183.下列说法是正确的是()A.晶体熔化时吸热,非晶体熔化时不吸热B.松香、萘、玻璃、明矾都是非晶体C.晶体吸收了热量,温度一定升高D.同一晶体的熔化温度与它的凝固温度相同4.在两杯水中都有没熔化的冰块,一杯放在阳光下,一杯放在阴凉处,此时,对两杯水的温度进行比较,判断正确的是()A.在阳光下的水温度高B.在阴凉处的水温度高C.两杯水温度一样高D.无法比较5.生活中常把碗放在普通锅内的水中蒸食物,碗与锅底不接触,如图2所示,当锅内的水沸腾以后,碗中的水()A.稍后沸腾B.同时沸腾C.温度能够达到沸点,但不沸腾D.温度总是低于锅里水的温度,因此不会沸腾6.寒冷的冬季,人们洗脸后,总爱往脸部或手上抹些油脂护肤品,这主要是为了()A.防止紫外线照射皮肤B.防止有害气体污染皮肤C.防止脸或手上的热散出去D.防止脸或手上的水分蒸发,使脸或手上的皮肤变干而受冻7.在卫生间里洗过热水澡后,室内的玻璃镜面变得模糊不清,过了一段时间镜面又变得清晰起来,镜面上发生的这两种现象的物态变化情况是()1A.先汽化,后液化B.先液化,后汽化C.只有液化D.只有汽化8.如图3所示的四种现象中,属于升华的是()9.关于湖面上出现雾气,下列说法正确的是()A.雾气是水蒸气,是湖水蒸发产生的B.雾气是细小的水珠,是湖水蒸发出来的C.雾气是细小的水珠,是水蒸气液化形成的D.雾气是细小的水珠,是风将湖水吹起形成的二、填空题(共30分,每空1分)10.温度是用来表示物体_________程度的物理量。常用温度计是根据液体____________性质制成的。如图4所示的温度计,它的测量范围是______℃至______℃,分度值是_____℃。图中温度计的示数是_______℃。-8℃正确的读法是___________。11.在“用温度计测水的温度”实验中:(1)需要的器材除热水外,还需要________、___________。(2)有甲、乙、丙三支温度计,其测量范围分别是:甲0~100℃;乙-30~55℃;丙35~42℃,应选用______温度计最适合。(3)按正确使用温度计的步骤,依次排列顺序为_______________________A.选用合适量程的温度计B.估计被测水的温度C.稍后,待温度计的示数稳定后再读数D.让温度计的玻璃泡与水充分接触E.取出温度计F.视线与温度计内液面齐平,读取示数12.同一种晶体,它的凝固点和_________相同,给冰水混合物缓慢加热,当冰未完全熔化之前,水的温度__________0℃(选填:“大于”、“等于”或“小于”)13.液化可以通过_________或__________两种方法或两者兼用的方法实现,我国的长征系列运载火箭所用的燃料就是液态的氢和氧,将气体燃料液化最大的好处是___________________。14.蒸发和沸腾是__________的两种方式。如图5中,(a)、(b)是某同学做观察水沸腾实验时看到气泡上升情况示意图,其中图_________一定是水在沸腾前的情况,图_________则是水沸腾时的情况,当水温升至90℃时,每隔1min记录一次水温4min后水开始沸腾,接着又观察记录了6min,然后移开酒精灯,停止加热,沸腾停止,记录数据如下表:时间t/min01234567892温度T/℃90929496989898959898该同学根据观察现象,分析数据,归纳有如下发现:(1)水沸腾的时候,是在液体_______和_________同时进行的剧烈的汽化现象。(2)从记录的数据看出,在某一次观察记录中有明显错误的是第_______min时的数据。(3)停止加热,沸腾停止,说明沸腾过程需要_______.你一定还有其他的发现,请写出其中任意二条。__________________________。_________________...

1、当您付费下载文档后,您只拥有了使用权限,并不意味着购买了版权,文档只能用于自身使用,不得用于其他商业用途(如 [转卖]进行直接盈利或[编辑后售卖]进行间接盈利)。
2、本站所有内容均由合作方或网友上传,本站不对文档的完整性、权威性及其观点立场正确性做任何保证或承诺!文档内容仅供研究参考,付费前请自行鉴别。
3、如文档内容存在违规,或者侵犯商业秘密、侵犯著作权等,请点击“违规举报”。

碎片内容

八年级物理物态变化测试题及答案

文章天下+ 关注
实名认证
内容提供者

各种文档应有尽有

相关文档

确认删除?
VIP
微信客服
  • 扫码咨询
会员Q群
  • 会员专属群点击这里加入QQ群
客服邮箱
回到顶部