电脑桌面
添加小米粒文库到电脑桌面
安装后可以在桌面快捷访问

手持电动工具绝缘电阻值测量记录表VIP免费

手持电动工具绝缘电阻值测量记录表_第1页
1/3
手持电动工具绝缘电阻值测量记录表_第2页
2/3
手持电动工具绝缘电阻值测量记录表_第3页
3/3
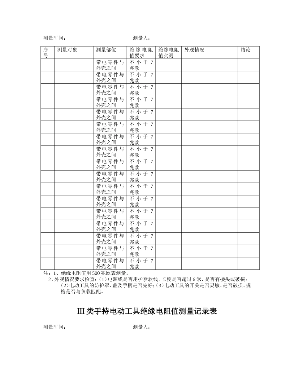
Ⅰ类手持电动工具绝缘电阻值测量记录表测量时间:测量人:序号测量对象测量部位绝缘电阻值要求绝缘电阻值实测外观情况结论带电零件与外壳之间不小于2兆欧带电零件与外壳之间不小于2兆欧带电零件与外壳之间不小于2兆欧带电零件与外壳之间不小于2兆欧带电零件与外壳之间不小于2兆欧带电零件与外壳之间不小于2兆欧带电零件与外壳之间不小于2兆欧带电零件与外壳之间不小于2兆欧带电零件与外壳之间不小于2兆欧带电零件与外壳之间不小于2兆欧带电零件与外壳之间不小于2兆欧带电零件与外壳之间不小于2兆欧带电零件与外壳之间不小于2兆欧带电零件与外壳之间不小于2兆欧带电零件与外壳之间不小于2兆欧带电零件与外壳之间不小于2兆欧带电零件与外壳之间不小于2兆欧注:1、绝缘电阻值用500兆欧表测量。2、外观情况要求检查:(1)电源线是否用护套软线,长度是否超过6米,是否有接头或破损;(2)电动工具的防护罩、盖及手柄是否完好;(3)电动工具的开关是否灵敏、是否破损、规格是否与负载匹配。Ⅱ类手持电动工具绝缘电阻值测量记录表测量时间:测量人:序号测量对象测量部位绝缘电阻值要求绝缘电阻值实测外观情况结论带电零件与外壳之间不小于7兆欧带电零件与外壳之间不小于7兆欧带电零件与外壳之间不小于7兆欧带电零件与外壳之间不小于7兆欧带电零件与外壳之间不小于7兆欧带电零件与外壳之间不小于7兆欧带电零件与外壳之间不小于7兆欧带电零件与外壳之间不小于7兆欧带电零件与外壳之间不小于7兆欧带电零件与外壳之间不小于7兆欧带电零件与外壳之间不小于7兆欧带电零件与外壳之间不小于7兆欧带电零件与外壳之间不小于7兆欧带电零件与外壳之间不小于7兆欧带电零件与外壳之间不小于7兆欧带电零件与外壳之间不小于7兆欧带电零件与外壳之间不小于7兆欧注:1、绝缘电阻值用500兆欧表测量。2、外观情况要求检查:(1)电源线是否用护套软线,长度是否超过6米,是否有接头或破损;(2)电动工具的防护罩、盖及手柄是否完好;(3)电动工具的开关是否灵敏、是否破损、规格是否与负载匹配。Ⅲ类手持电动工具绝缘电阻值测量记录表测量时间:测量人:序号测量对象测量部位绝缘电阻值要求绝缘电阻值实测外观情况结论带电零件与外壳之间不小于1兆欧带电零件与外壳之间不小于1兆欧带电零件与外壳之间不小于1兆欧带电零件与外壳之间不小于1兆欧带电零件与外壳之间不小于1兆欧带电零件与外壳之间不小于1兆欧带电零件与外壳之间不小于1兆欧带电零件与外壳之间不小于1兆欧带电零件与外壳之间不小于1兆欧带电零件与外壳之间不小于1兆欧带电零件与外壳之间不小于1兆欧带电零件与外壳之间不小于1兆欧带电零件与外壳之间不小于1兆欧带电零件与外壳之间不小于1兆欧带电零件与外壳之间不小于1兆欧带电零件与外壳之间不小于1兆欧带电零件与外壳之间不小于1兆欧注:1、绝缘电阻值用500兆欧表测量。2、外观情况要求检查:(1)电源线是否用护套软线,长度是否超过6米,是否有接头或破损;(2)电动工具的防护罩、盖及手柄是否完好;(3)电动工具的开关是否灵敏、是否破损、规格是否与负载匹配。

1、当您付费下载文档后,您只拥有了使用权限,并不意味着购买了版权,文档只能用于自身使用,不得用于其他商业用途(如 [转卖]进行直接盈利或[编辑后售卖]进行间接盈利)。
2、本站所有内容均由合作方或网友上传,本站不对文档的完整性、权威性及其观点立场正确性做任何保证或承诺!文档内容仅供研究参考,付费前请自行鉴别。
3、如文档内容存在违规,或者侵犯商业秘密、侵犯著作权等,请点击“违规举报”。

碎片内容

手持电动工具绝缘电阻值测量记录表

黄金书屋+ 关注
实名认证
内容提供者

爱好英语教学和互联网行业,热爱教育事业,兢兢业业

确认删除?
VIP
微信客服
  • 扫码咨询
会员Q群
  • 会员专属群点击这里加入QQ群
客服邮箱
回到顶部