电脑桌面
添加小米粒文库到电脑桌面
安装后可以在桌面快捷访问

钢架结构施工组织设计VIP免费

钢架结构施工组织设计_第1页
1/24
钢架结构施工组织设计_第2页
2/24
钢架结构施工组织设计_第3页
3/24
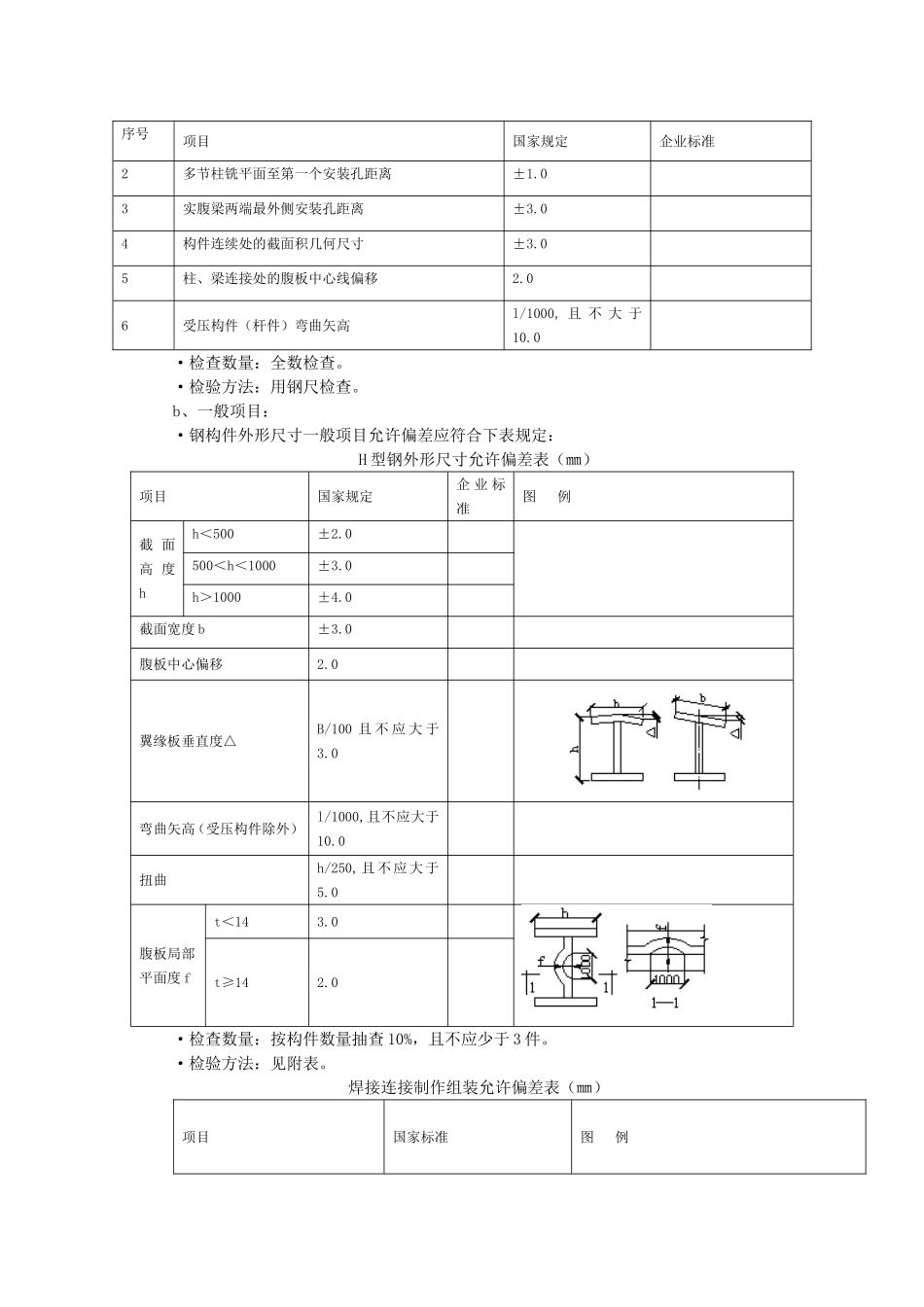
二十三、钢结构工程主要施工技术1、钢构件制作2、柱子为钢板焊接H型钢柱,钢梁为钢板焊接H型钢梁。钢柱、钢梁在钢结构公司工厂内制作,其制作工艺、质量要求均符合图纸设计及钢结构施工验收规范的有关规定。1)钢柱、钢梁制作:制作工艺流程:放样-→号料-→切割-→矫正、弯曲和边缘加工-→制孔-→组装-→焊接-→外观检查-→抛丸除锈-→涂装-→涂装编号-→构件验收。放样:⑴核对图纸的安装尺寸和孔距,以1:1的大样放出节点,核对各部分尺寸。⑵制作样板和样杆作为下料、弯制、铣、刨、制孔等加工的依据。⑶放样时,铣、刨的工件要考虑加工余量,焊接构件要按工艺要求预留焊接收缩余量。断面高小于等于1000mm,且板厚小于等于25mm,四条纵焊缝每米收缩0.6mm,焊透梁高收缩1.0mm,每对加劲板焊缝,梁长度收缩0.3mm。号料:⑴检查核对材料,在材料上划出切割、铣、刨、弯曲、钻孔等加工位置,打冲孔及标出零件编号。⑵号料时应尽量做到合理用材。切割:⑴钢材下料时,柱、梁的板材用料采用气割,加劲板等零件采用机剪,支撑用料采用锯切;材料的切割线与号料线的允许偏差应符合下列规定:手工切割±2mm,自动、半自动切割±1.5mm,精密切割±1.0mm。⑵切割前应将钢板材表面切割区域内的铁锈、油污等清除干净,切割后,断面上不得有裂纹和大于1mm的铁棱,并应清除边缘上的熔瘤和飞溅物等。⑶切割截面与钢材表面不垂直度应不大于钢板材厚度的10%,且不大于2mm。⑷机械剪切的零件,其剪切线与号料线的允许偏差不得大于2.0mm;断口处的截面上不得有裂纹和大于1.0mm的缺棱,并应清除毛刺。机械剪切的斜度不得大于2.0mm。矫正弯曲和边缘加工:⑴普通碳素结构钢在高于-16摄氏度,可用冷矫正和冷弯曲。⑵矫正后的钢材表面不应有明显的凹面和损伤,表面划痕深度不能大于0.5mm。⑶钢材矫正后的允许偏差应符合规范要求:钢板厚度小于或等于14mm时,其允许偏差不大于或等于1.5mm。钢板厚度大于或等于14mm时,其允许偏差不大于或等于1mm。⑷普通碳素结构钢,允许加热矫正,其加热温度严禁超过正火温度。⑸边缘加工按需要可采用下列方法:1)刨边机加工2)半自动、自动气割机坡口加工3)电弧气刨刨边的零件,其刨边线与号料线的允许偏差为±1.0MM。如用半自动气割应打磨清理氧化皮。⑹焊接坡口加工尺寸的允许偏差应符合国家标准《手工电弧焊接接头的基本形式与尺寸》(GB985--80)和《焊剂层下自动与半自动焊接接头的基本形式与尺寸》(GB986--80)中的有关规定。制孔:⑴螺栓孔加工时,应严格按基准划线或样板找正,加工完后去除毛刺。⑵螺栓孔的允许偏差应符合有关规范要求的规定。螺栓孔孔距的允许偏差(mm)孔距项目螺栓孔孔距范围≤50050~12001201~3000>3000同一组内任意两孔间距离±1.0±1.5相邻两组的端孔间距离±1.5±2.0±2.5±3.0说明:螺栓孔的分组应符合下列规定:·在节点中连接板与一根杆件相连的所有螺栓孔为一组;·对接接头在拼接板一侧的螺栓孔为一组;·在两相邻节点或接头间的螺栓孔为一组,但不包括上述两款所规定的螺栓孔;·受弯构件翼缘上的连续螺栓孔,每米长度范围内的螺栓孔为一组⑶螺栓孔的允许偏差超过规范规定时,不得采用钢板填塞,可采用与母材材质相匹配的焊条补焊后重新制孔。⑷加工螺栓孔前,应制作专用的夹具和胎具。组装:⑴组装必须按工艺要求的次序进行,组装前,连接表面及沿焊缝每边30--50mm范围内的铁锈、毛刺和油污等必须清除干净。⑵为减小变形,尽量采取小件组焊,经矫正后在大件组装,装出的首件必须经过严格检验,方可大批进行装配工作。⑶装配好的构件应立即用油漆在明显部位编号,写明图号,构件号和件数,以便查找。⑷焊接构件组装时采用大型H型钢组立机。⑸焊接连接组装的允许偏差不得超过施工规范规定。⑹定位点焊所用的焊接材料的型号,应与正式焊接的材料相同。点焊高度,不宜超过设计焊缝高度的2/3,并应有上岗证的工人操作。⑺实腹式焊接梁的跨度超过24m时才起拱,小于24m时为防止下垂最好先焊下缘的主焊缝和横缝,焊完主焊缝,矫正翼缘,装加劲板和端板。⑻构件组装后待转入下一工序前,应堆放在平整、干燥的场地上,并备...

1、当您付费下载文档后,您只拥有了使用权限,并不意味着购买了版权,文档只能用于自身使用,不得用于其他商业用途(如 [转卖]进行直接盈利或[编辑后售卖]进行间接盈利)。
2、本站所有内容均由合作方或网友上传,本站不对文档的完整性、权威性及其观点立场正确性做任何保证或承诺!文档内容仅供研究参考,付费前请自行鉴别。
3、如文档内容存在违规,或者侵犯商业秘密、侵犯著作权等,请点击“违规举报”。

碎片内容

钢架结构施工组织设计

确认删除?
VIP
微信客服
  • 扫码咨询
会员Q群
  • 会员专属群点击这里加入QQ群
客服邮箱
回到顶部