电脑桌面
添加小米粒文库到电脑桌面
安装后可以在桌面快捷访问

上海公交线路和站点设施分类、编码规则试行分析VIP免费

上海公交线路和站点设施分类、编码规则试行分析_第1页
1/7
上海公交线路和站点设施分类、编码规则试行分析_第2页
2/7
上海公交线路和站点设施分类、编码规则试行分析_第3页
3/7
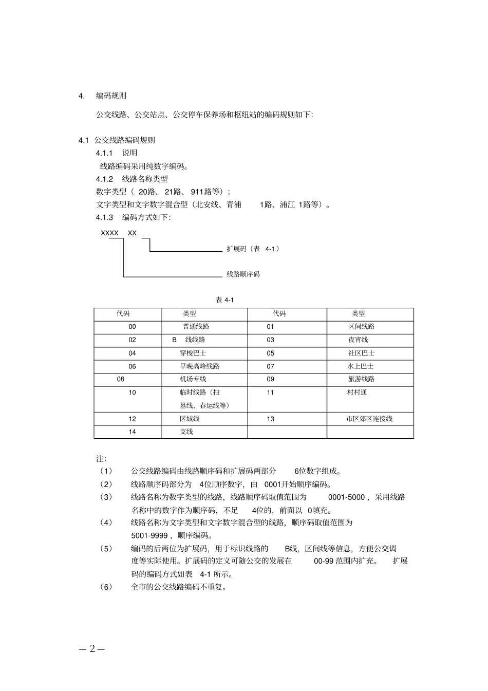
—1—上海市公交线路和站点设施分类、编码规则(试行)1.范围本规范规定了上海市公交线路、站点以及停车场、保养场、枢纽站等基础设施的编码规则。本规范适用于上海市公交行业内相关行业管理系统、各公交企业和区县公交主管部门信息化系统,以及公交行业外的各类地图服务开发厂商、第三方交通信息发布系统等公交基础数据的使用者,促进公共交通各系统之间数据的交互融合。本规范也适用于公交站点在提供面向乘客的公交信息服务时,将站点编码和线路编码设置于公交站点的醒目位置,用于乘客使用移动终端设备输入线路编码和公交站点编码,查询实时公交信息。2.规范性引用文件下列文件中的条款通过本规范的引用而成为本规范的条款。凡是注日期的引用文件,其随后所有的修改单(不包括勘误的内容)或修改版均不适用于本规范,然而,鼓励使用本规范的各方研究是否可使用这些文件的最新版本。凡是不注日期的引用文件,其最新版本适用于本规范。GBT25529-2010地理信息分类与编码规则GBT13923-2006基础地理信息要素分类与代码GBT12409-2009地理格网3.术语和定义下列术语和定义适用于本标准。3.1公交站址即站点的位置,在50米范围内且处于道路同一侧的站点即认为是一站址,站址编码必须唯一。站址表现为一个经纬度点。3.2公交站点在同一站址的站点即认为是同一站点,其站点编码是相同的,即为其站址编码。不同站点可拥有相同的名称,但站点编码不相同。同一站点原则上站点名称应相同,但实际上有不相同的情况,但站点编码相同。公交站点可位于枢纽站内。3.3城市地图网格化方法用于产生部分编码,定位具体位置,按一定规则将本市地域划分为多个一平方公里网格的方法。(定义见附录A)—2—4.编码规则公交线路、公交站点、公交停车保养场和枢纽站的编码规则如下:4.1公交线路编码规则4.1.1说明线路编码采用纯数字编码。4.1.2线路名称类型数字类型(20路、21路、911路等);文字类型和文字数字混合型(北安线、青浦1路、浦江1路等)。4.1.3编码方式如下:XXXXXX扩展码(表4-1)线路顺序码表4-1代码类型代码类型00普通线路01区间线路02B线线路03夜宵线04穿梭巴士05社区巴士06早晚高峰线路07水上巴士08机场专线09旅游线路10临时线路(扫墓线、春运线等)11村村通12区域线13市区郊区连接线14支线注:(1)公交线路编码由线路顺序码和扩展码两部分6位数字组成。(2)线路顺序码部分为4位顺序数字,由0001开始顺序编码。(3)线路名称为数字类型的线路,线路顺序码取值范围为0001-5000,采用线路名称中的数字作为顺序码,不足4位的,前面以0填充。(4)线路名称为文字类型和文字数字混合型的线路,顺序码取值范围为5001-9999,顺序编码。(5)编码的后两位为扩展码,用于标识线路的B线,区间线等信息,方便公交调度等实际使用。扩展码的定义可随公交的发展在00-99范围内扩充。扩展码的编码方式如表4-1所示。(6)全市的公交线路编码不重复。—3—4.1.4示例:(1)数字线路911路编码为091100、1840路编码为184004(2)文字线路青浦1路编码为500112、北安线编码为500213(3)扩展码使用区间线路其扩展码为01,如911路区间编码为091101B线线路其扩展码为02,如116路B线编码为:0116024.2公交站点编码规则4.2.1说明线路编码采用纯数字编码。4.2.2网格化说明按城市地图网格化定义4.2.3站点顺序码说明在每个网格内,以通过和垂直于网格中心点的两条中央子午线将该网格划分成4个均等面积的象限区域,每个象限区域内的站点顺序码取值范围如下图所示,在每个象限区域内的站点按取值范围顺序编码。4.2.4编码方法:XXXXXXXX—4—站点顺序码网格编号注:(1)编码由网格编号,站点顺序码两个部分组成,共8位。(2)第一部分为上海市地图网格编号,由六位数字组成,标识该站点所处的网格位置。(3)第二部分为站点顺序码,即在该网格内的所有站点的数字顺序编号,取值方式见:4.2.3,占两位,编号不足两位的,前面用0填充。(4)公交站点的站亭设施(站杆,站牌等)作为该站点的属性。用一对多的关系另表储存。4.2.5示例如某站点位于网格101401的第一象限区域,则该站点编码为:10140101。4.3停车保养场、枢纽...

1、当您付费下载文档后,您只拥有了使用权限,并不意味着购买了版权,文档只能用于自身使用,不得用于其他商业用途(如 [转卖]进行直接盈利或[编辑后售卖]进行间接盈利)。
2、本站所有内容均由合作方或网友上传,本站不对文档的完整性、权威性及其观点立场正确性做任何保证或承诺!文档内容仅供研究参考,付费前请自行鉴别。
3、如文档内容存在违规,或者侵犯商业秘密、侵犯著作权等,请点击“违规举报”。

碎片内容

上海公交线路和站点设施分类、编码规则试行分析

您可能关注的文档

文库当当响+ 关注
实名认证
内容提供者

该用户很懒,什么也没介绍

确认删除?
VIP
微信客服
  • 扫码咨询
会员Q群
  • 会员专属群点击这里加入QQ群
客服邮箱
回到顶部