电脑桌面
添加小米粒文库到电脑桌面
安装后可以在桌面快捷访问

项目管理机构人员配备情况统计表VIP免费

项目管理机构人员配备情况统计表_第1页
1/10
项目管理机构人员配备情况统计表_第2页
2/10
项目管理机构人员配备情况统计表_第3页
3/10
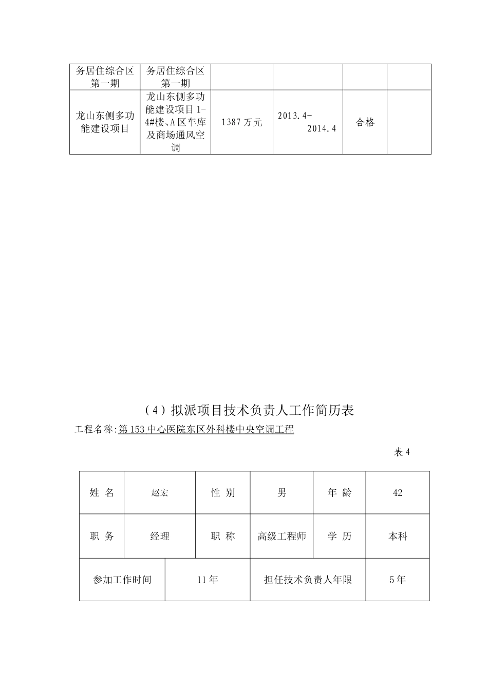
(1)项目管理机构人员配备情况统计表工程名称:第153中心医院东区外科楼中央空调工程表1(2)项目管理机构配备情况辅助说明材料工程名称:第153中心医院东区外科楼中央空调工程表1职务姓名执业或职业资格证明已承担和在建工程情况证书名称专业工作单位时间主要项目名称项目经理陈重建造师机电工程北京建工总机电设备安装工程有限公司2011年北京市朝阳区呼家楼商务楼技术负责人赵宏工程师机电工程北京建工总机电设备安装工程有限公司2011年北京市朝阳区呼家楼商务楼造价员朱穆峰造价员安装北京建工总机电设备安装工程有限公司2013年龙山东侧多功能建设项目质检员周长友质检员安装北京建工总机电设备安装工程有限公司2011年北京市朝阳区呼家楼商务楼施工员黄喜存施工员安装北京建工总机电设备安装工程有限公司2013年龙山东侧多功能建设项目安全员王勇安全员安装河南省万力实业发展有限公司2011年北京市朝阳区呼家楼商务楼资料员张洪全资料员房建河南省万力实业发展有限公司2013年龙山东侧多功能建设项目说明1、附项目管理机构人员的岗位证书复印件。2、一旦我公司中标,将实行项目经理负责制,我方保证并配备上述项目管理人员。保证上述填报的内容真实、准确,否则愿接受建设单位任何处理。项目经理陈重(3)拟派项目经理工作简历表工程名称:第153中心医院东区外科楼中央空调工程表3姓名陈重性别男年龄43职务经理职称中级工程师学历本科参加工作时间10年担任项目经理年限8年建造师注册证书等级编号京111101016246竣工工程项目情况建设单位项目名称建设规模开竣工日期工程质量情况其他中国北京市朝阳区呼家楼商中国北京市朝阳区呼家楼商8306万元2011.1-2012.12合格项目技术负责人赵宏施工员黄喜存质检员周长友资料员张洪全安全员王勇造价员朱穆峰施工班组务居住综合区第一期务居住综合区第一期龙山东侧多功能建设项目龙山东侧多功能建设项目1-4#楼、A区车库及商场通风空调1387万元2013.4-2014.4合格(4)拟派项目技术负责人工作简历表工程名称:第153中心医院东区外科楼中央空调工程表4姓名赵宏性别男年龄42职务经理职称高级工程师学历本科参加工作时间11年担任技术负责人年限5年在建和竣工工程项目情况建设单位项目名称建设规模开竣工日期在建或竣工工程质量情况中国北京市朝阳区呼家楼商务居住综合区第一期中国北京市朝阳区呼家楼商务居住综合区第一期8306万元2011.1-2012.12竣工合格龙山东侧多功能建设项目龙山东侧多功能建设项目1-4#楼、A区车库及商场通风空调1387万元2013.4-2014.4竣工合格(5)公司和拟分包项目情况表工程名称:第153中心医院东区外科楼中央空调工程表5劳务公司名称/地区或省份/负责人姓名/电话/该劳务公司曾经配属施工过的项目拟分包的本工程项目名称主要内容预计造价(万元)备注////////(6)拟投入的主要施工机械设备表工程名称:第153中心医院外科楼中央空调工程表6序号主要机械或设备名称型号规格数量用于施工部位备注1电动葫芦1~3t1吊装项目专用2手拉葫芦SH1~5t10设备就位项目专用3砂轮切割机Φ4002型材切割项目专用4台式砂轮机Φ2001金属打磨项目专用5电动套丝机1/2″~4″2管道安装项目专用6冲击电钻Φ6~22mm48固定支架项目专用7手电钻Φ6~1964铆接项目专用8角磨机35除锈打磨项目专用9手提式砂轮机Φ150~20012除锈打磨项目专用10毕托管0.5m,1.5m,2.0m各1系统调试项目专用11联合咬口机YZA-108风管制作项目专用12角钢卷园机TY-402风管制作项目专用13电动折方机2×20004风管制作项目专用14钢板卷园机YB-2×20003风管制作项目专用15板、型材剪切机QA32-6A2风管制作项目专用16液压铆接机WY-5A5风管制作项目专用17多用切割机ZIE-1103金属切割项目专用18真空泵2系统调试项目专用(7)要劳动力计划表工程名称:第153中心医院外科楼中央空调工程(单位:人)工种按工程施工阶段,计划投入的主要劳动力情况支吊架安装管线安装空调设备安装主机安装试压保温调试运行合计电工121116管道工3115焊工11114吊装工11普工22116合计58431122(8)施工进度计划表序号名称6666666666666666备注1室内机吊装分区吊装2空调风系统分区吊装3冷媒管布置分区施工4布冷凝水管分区...

1、当您付费下载文档后,您只拥有了使用权限,并不意味着购买了版权,文档只能用于自身使用,不得用于其他商业用途(如 [转卖]进行直接盈利或[编辑后售卖]进行间接盈利)。
2、本站所有内容均由合作方或网友上传,本站不对文档的完整性、权威性及其观点立场正确性做任何保证或承诺!文档内容仅供研究参考,付费前请自行鉴别。
3、如文档内容存在违规,或者侵犯商业秘密、侵犯著作权等,请点击“违规举报”。

碎片内容

项目管理机构人员配备情况统计表

您可能关注的文档

确认删除?
VIP
微信客服
  • 扫码咨询
会员Q群
  • 会员专属群点击这里加入QQ群
客服邮箱
回到顶部