电脑桌面
添加小米粒文库到电脑桌面
安装后可以在桌面快捷访问

35KV送电线路隐蔽工程验收记录表VIP免费

35KV送电线路隐蔽工程验收记录表_第1页
1/13
35KV送电线路隐蔽工程验收记录表_第2页
2/13
35KV送电线路隐蔽工程验收记录表_第3页
3/13
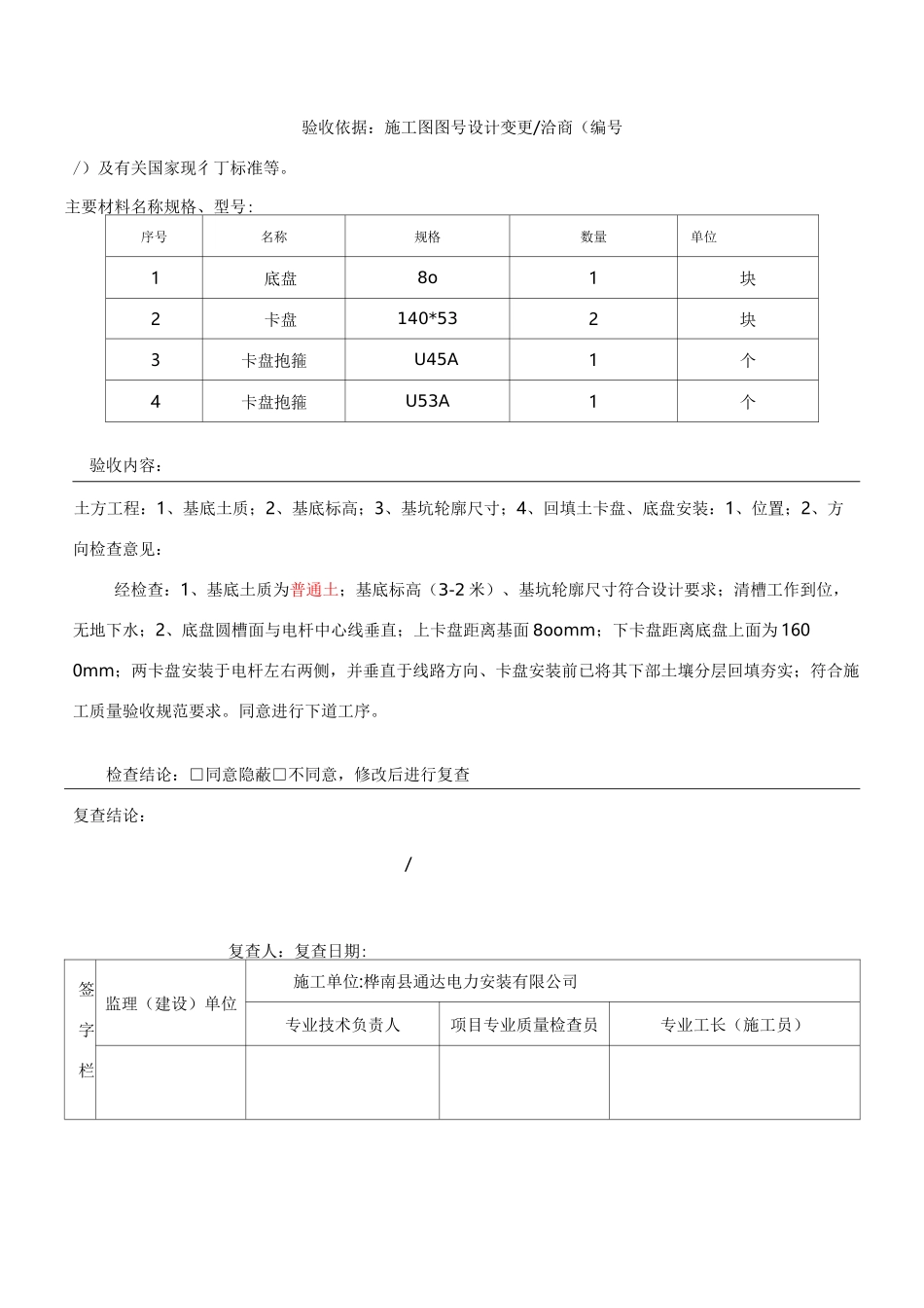
隐蔽工程验收记录表编号:BJ-001工程名称35KV北镜线输电线路改造工程验收项目土方、钢筋、混凝土验收日期2012年03月02日验收部位1#塔基础验收依据:施工图图号ST-TJ15设计变更/洽商(编号I)及有关国家现彳丁标准等。主要材料名称规格、型号:C20材料用料kg/m3:混凝土:30-32立方米,钢材:627.6公斤(全塔材料用量)名称规格长度(毫米)数量(根)重量(kg)主筋©20274520135.6主筋©162695834.0箍筋©880526644底脚螺栓M308(A3)81.4垫铁-30818.8混凝土C2015.16立方米验收内容:土方工程:1、基底土质;2、基底标高;3、基坑轮廓尺寸;4、回填土钢筋工程:1、钢筋的品种、级别、规格;2、钢筋的配筋数量、位置、间距;3、钢筋绑扎、安装情况;4、保护层厚度。混凝土工程:1、混凝土配合比及强度;2、底板断面及立柱断面尺寸;3、表面平整度4、垂直度;5、整基基础中心位移、整基基础扭转;6、基础根开及对角线尺寸;7、同组底角螺栓中心与立柱中心偏移;8、基础顶面高差检查意见:经检查:1、基底土质为普通土;基底标高、基坑轮廓尺寸符合设计要求;清槽工作到位,无地下水;2、钢筋有质量证明书,复试合格,外观均无锈蚀、无污染,;钢筋的品种、级别、规格、配筋数量、位置、间距符合设计要求;钢筋绑扎安装质量牢固,无漏扣现象;保护层厚度符合要求;3、混凝土有配合比试配报告;混凝土原材料计量、搅拌、运输、浇筑、振捣符合施工规范要求;混凝土养护符合施工规范要求;混凝土设计强度为C20,施工时留有试块,有试压报告;4、基础标高、几何尺寸符合设计要求,表面平整度、垂直度、整基基础中心位移、整基基础扭转;基础根开及对角线尺寸;同组底角螺栓中心与立柱中心偏移;基础顶面咼差等均符合施工质量验收规范要求。冋意进行下道工序。检查结论:□同意隐蔽□不同意,修改后进行复查复查结论:/复查人:复查日期:签字栏监理(建设)单位施工单位:桦南县通达电力安装有限公司专业技术负责人项目专业质量检查员专业工长(施工员)隐蔽工程验收记录表编号BJ-002工程名称35KV北镜线输电线路改造工程验收项目土方、底盘、卡盘验收日期2012年03月27日验收部位2#杆基础验收依据:施工图图号设计变更/洽商(编号/)及有关国家现彳丁标准等。主要材料名称规格、型号:序号名称规格数量单位1底盘8o1块2卡盘140*532块3卡盘抱箍U45A1个4卡盘抱箍U53A1个验收内容:土方工程:1、基底土质;2、基底标高;3、基坑轮廓尺寸;4、回填土卡盘、底盘安装:1、位置;2、方向检查意见:经检查:1、基底土质为普通土;基底标高(3-2米)、基坑轮廓尺寸符合设计要求;清槽工作到位,无地下水;2、底盘圆槽面与电杆中心线垂直;上卡盘距离基面8oomm;下卡盘距离底盘上面为1600mm;两卡盘安装于电杆左右两侧,并垂直于线路方向、卡盘安装前已将其下部土壤分层回填夯实;符合施工质量验收规范要求。同意进行下道工序。检查结论:□同意隐蔽□不同意,修改后进行复查复查结论:/复查人:复查日期:签字栏监理(建设)单位施工单位:桦南县通达电力安装有限公司专业技术负责人项目专业质量检查员专业工长(施工员)隐蔽工程验收记录表编号:BJ-003工程名称35KV北镜线输电线路改造工程验收项目土方、底盘、卡盘验收日期2012年03月27日验收部位3#杆基础验收依据:施工图图号设计变更/洽商(编号/)及有关国家现彳丁标准等。主要材料名称规格、型号:序号名称规格数量单位1底盘801块2卡盘140*532块3卡盘抱箍U45A1个4卡盘抱箍U53A1个验收内容:土方工程:1、基底土质;2、基底标高;3、基坑轮廓尺寸;4、回填土卡盘、底盘安装:1、位置;2、方向检查意见:经检查:1、基底土质为松砂石;基底标高(3.15米)、基坑轮廓尺寸符合设计要求;清槽工作到位;2、底盘圆槽面与电杆中心线垂直;上卡盘距离基面750mm;下卡盘距离底盘上面为1620mm;两卡盘安装于电杆左右两侧,并垂直于线路方向、卡盘安装前已将其下部土壤分层回填夯实;符合施工质量验收规范要求。同意进行下道工序。检查结论:□同意隐蔽□不同意,修改后进行复查复查结论:/复查人:复查日期:签字栏监理(建设)单位施工单位:桦南县通达电力安装有...

1、当您付费下载文档后,您只拥有了使用权限,并不意味着购买了版权,文档只能用于自身使用,不得用于其他商业用途(如 [转卖]进行直接盈利或[编辑后售卖]进行间接盈利)。
2、本站所有内容均由合作方或网友上传,本站不对文档的完整性、权威性及其观点立场正确性做任何保证或承诺!文档内容仅供研究参考,付费前请自行鉴别。
3、如文档内容存在违规,或者侵犯商业秘密、侵犯著作权等,请点击“违规举报”。

碎片内容

35KV送电线路隐蔽工程验收记录表

您可能关注的文档

确认删除?
VIP
微信客服
  • 扫码咨询
会员Q群
  • 会员专属群点击这里加入QQ群
客服邮箱
回到顶部