电脑桌面
添加小米粒文库到电脑桌面
安装后可以在桌面快捷访问

桩钢筋笼加工、安装VIP专享VIP免费

桩钢筋笼加工、安装_第1页
1/9
桩钢筋笼加工、安装_第2页
2/9
桩钢筋笼加工、安装_第3页
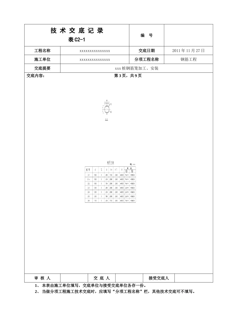
3/9
技术交底记录表C2-1编号工程名称xxxxxxxxxxxxxxx交底日期2011年11月27日施工单位xxxxxxxxxxxxxxx分项工程名称钢筋工程交底提要xxx桩钢筋笼加工、安装交底内容:第1页,共9页1、施工准备1.2材料准备:1.2.1钢筋:应有出厂合格证并按规定作力学性能复试。当加工过程中发生脆断等特殊情况,还需化学成分检验。钢筋应无老锈及油污。1.2.2绑扎丝:采用20#火烧丝,切断长度要满足使用要求。1.2.3焊条:E4303。1.3机具准备:调直机、弯曲机、切断机、电焊机、扳手、钢丝刷子、粉笔、卷尺、Φ48钢管、十字卡、转卡等。2、作业条件2.1根据施工场地净高确定钢筋笼加工长度,每段钢筋笼加工长度不得超过4m。2.2根据现场平面布置图,平整好钢筋堆放场地,准备并放好垫木,将钢筋按指定位置并按型号堆放。3、桩钢筋笼制作工艺3.1工艺流程:钢筋切断、调直→桩钢筋笼加工→码放、标识→桩钢筋笼连接、安装3.2钢筋切断、调直:经过项目人员确定钢筋的出厂合格证和复试试验报告结论符合设计和规范的要求后,通知下料人员进行钢筋下料。断料时不用短尺量长料,防止在量料中产生累计误差,在工作台上标出尺寸刻度并设置控制切断尺寸用的挡板。3.3桩钢筋笼加工:钢筋笼主筋采用B14钢筋加工,螺旋箍筋为φ8@250,桩钢筋笼主筋伸入筏板至上部钢筋,筏板下500mm范围内螺旋箍筋为φ10@100,加强环箍为B14@2000,钢筋笼尺寸按设计图纸制作。为保证钢筋笼在桩身砼中的保护层,在主筋上每隔3-4m左右设一个φ20耳环,作为定位垫块,每周圈不少于4道,钢筋笼每隔2-2.5m设置井子加强支撑筋,以防止钢筋笼在运输和吊装时变形,加强环箍和加强支撑筋采用与桩纵向钢筋采用焊接连接。加强环箍定位焊接时必须保证其平面与主筋垂直,按设计图纸的主筋间距、根数在加强环箍上划上记号,将排列好的主筋按间距焊牢在加强环箍上。加强箍筋应在按设计加强环箍内径制作的定型圆平台上卷制焊接而成,采用双面搭接焊,搭接长度为10d(140mm)。加强环箍外皮尺寸:桩径1000mm的桩为870mm;桩径1100mm的桩为970mm,桩径1200mm的桩为1070mm。审核人交底人接受交底人1、本表由施工单位填写,交底单位与接受交底单位各存一份。2、当做分项工程施工技术交底时,应填写“分项工程名称”栏,其他技术交底可不填写。技术交底记录表C2-1编号工程名称xxxxxxxxxxxxxxx交底日期2011年11月27日施工单位xxxxxxxxxxxxxxx分项工程名称钢筋工程交底提要xxx桩钢筋笼加工、安装交底内容:第2页,共9页桩基大样审核人交底人接受交底人1、本表由施工单位填写,交底单位与接受交底单位各存一份。2、当做分项工程施工技术交底时,应填写“分项工程名称”栏,其他技术交底可不填写。技术交底记录表C2-1编号工程名称xxxxxxxxxxxxxxx交底日期2011年11月27日施工单位xxxxxxxxxxxxxxx分项工程名称钢筋工程交底提要xxx桩钢筋笼加工、安装交底内容:第3页,共9页审核人交底人接受交底人1、本表由施工单位填写,交底单位与接受交底单位各存一份。2、当做分项工程施工技术交底时,应填写“分项工程名称”栏,其他技术交底可不填写。技术交底记录表C2-1编号工程名称xxxxxxxxxxxxxxx交底日期2011年11月27日施工单位xxxxxxxxxxxxxxx分项工程名称钢筋工程交底提要xxx桩钢筋笼加工、安装交底内容:第4页,共9页桩钢筋笼加工示意图3.4钢筋笼码放、标识:将制作好的钢筋笼码放在钢筋加工棚东侧的施工场地内,场地需满铺石子,将钢筋笼按桩号挂牌标识。3.5钢筋笼连接、安装:每段钢筋笼加工长度因场地操作空间高度有限,桩钢筋笼每段长度受限制,导致主筋增多,为保证桩主筋连接质量,桩主筋连接采用双面搭接焊,焊缝长度为10d(140mm)。钢筋笼接头接头面积百分率为50%,错开长度不小于500mm。钢筋笼分段加工,加工长度为4m。在建筑物结构外围能用塔吊吊装的桩位,钢筋笼可以按钢筋定尺进行加工。钢筋笼要采用逐段吊装,已插入的钢筋笼,利用Φ48钢管通过加强支撑,钢管长出井口不得≥500mm,将该段承托临时固定。上段钢筋笼由电动卷扬机临时吊住呈悬吊状态,上下两段对中使其成为一条直线后,找正主筋位置并利用吊坠控制垂直度,调整完成后进行焊接。在井口周围搭设4m×4m的...

1、当您付费下载文档后,您只拥有了使用权限,并不意味着购买了版权,文档只能用于自身使用,不得用于其他商业用途(如 [转卖]进行直接盈利或[编辑后售卖]进行间接盈利)。
2、本站所有内容均由合作方或网友上传,本站不对文档的完整性、权威性及其观点立场正确性做任何保证或承诺!文档内容仅供研究参考,付费前请自行鉴别。
3、如文档内容存在违规,或者侵犯商业秘密、侵犯著作权等,请点击“违规举报”。

碎片内容

桩钢筋笼加工、安装

确认删除?
VIP
微信客服
  • 扫码咨询
会员Q群
  • 会员专属群点击这里加入QQ群
客服邮箱
回到顶部