电脑桌面
添加小米粒文库到电脑桌面
安装后可以在桌面快捷访问

4.国内高空观测数据BUFR编码格式(V1.0)VIP免费

4.国内高空观测数据BUFR编码格式(V1.0)_第1页
1/33
4.国内高空观测数据BUFR编码格式(V1.0)_第2页
2/33
4.国内高空观测数据BUFR编码格式(V1.0)_第3页
3/33
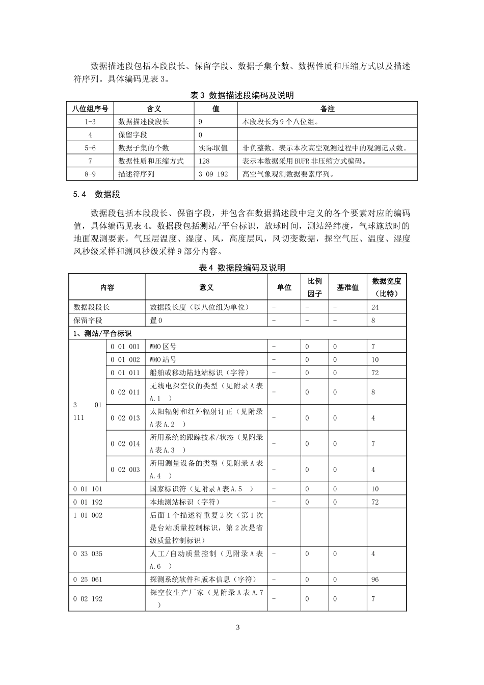
国内高空观测数据BUFR编码格式(V1.0版)1范围本标准规定了固定陆地测站的高空气压、温度、湿度、风向和风速的综合探空及单独测风观测数据的BUFR编码规则。本标准适用于固定陆地测站的高空气压、温度、湿度、风向和风速的综合探空及单独测风观测数据的表示、交换和存档。船舶及移动平台的高空气象观测数据编码可参考本标准。2术语和定义八位组octet计算机领域里8个比特位作为一组的单位制。3缩略语下列缩略语适用于本文件。BUFR:气象数据的二进制通用表示格式(BinaryUniversalFormforRepresentationofmeteorologicaldata)UTC:世界协调时(UniversalTimeCoordinated)WMO-FM94:世界气象组织定义的第94号编码格式(TheWorldMeteorologicalOrganizationcodeformFM94BUFR)CCITTIA5:国际电报电话咨询委员会国际字母5号码(ConsultativeCommitteeonInternationalTelephoneandTelegraphInternationalAlphabetNo.5)4编码构成编码数据由指示段、标识段、数据描述段、数据段和结束段构成,如图1所示。图1BUFR编码数据结构各个段的编码规则见5.1-5.5,编码中使用的时间编码全部为UTC。5编码规则5.1指示段1指示段由8个八位组组成,包括BUFR编码数据的起始标志、长度和版本号。具体编码见表1。表1指示段编码及说明八位组序号含义值备注1BUFR数据的起始标志B按照CCITTIA5编码。2U3F4R5-7BUFR数据长度实际取值8BUFR编码的版本号45.2标识段标识段由23个八位组组成,包括主表标识、加工中心、数据类型、表格版本号、数据的生成时间等信息。具体编码见表2。表2标识段编码及说明八位组序号含义值备注1-3标识段段长23本段段长为23个八位组。4主表号0主表是通用表格的科学学科分类表,每一学科在表中被分配一个代码,并包含该学科下的一系列通用表格。气象学科的主表号为0。5-6数据加工中心38加工中心为北京。7-8数据加工子中心0表示本数据没有被数据加工子中心加工过。9更新序列号实际取值非负整数。初始编号为0,其后随资料的更新,编号逐次加1。102段-选编段指示0表示本数据不包含选编段。11数据类型4表示本数据为非卫星探测的单层高空资料。12数据子类型1或41:表示来自固定陆地测站的单独测风观测资料;4:表示来自固定陆地测站的高空气压、温度、湿度、风速和风向观测资料。13本地数据子类型0表示本地数据子类型的定义。14主表版本号23当前使用的WMOFM-94主表的版本号为23。15本地表版本号1本地自定义码表版本号为1。16-17年实际取值正整数。实际数据生成时间:年(4位公元年)。18月实际取值正整数。实际数据生成时间:月。19日实际取值正整数。实际数据生成时间:日。20时实际取值非负整数。实际数据生成时间:时。21分实际取值非负整数。实际数据生成时间:分。22秒实际取值非负整数。实际数据生成时间:秒。23自定义0保留。5.3数据描述段2数据描述段包括本段段长、保留字段、数据子集个数、数据性质和压缩方式以及描述符序列。具体编码见表3。表3数据描述段编码及说明八位组序号含义值备注1-3数据描述段段长9本段段长为9个八位组。4保留字段05-6数据子集的个数实际取值非负整数。表示本次高空观测过程中的观测记录数。7数据性质和压缩方式128表示本数据采用BUFR非压缩方式编码。8-9描述符序列309192高空气象观测数据要素序列。5.4数据段数据段包括本段段长、保留字段,并包含在数据描述段中定义的各个要素对应的编码值,具体编码见表4。数据段包括测站/平台标识,放球时间,测站经纬度,气球施放时的地面观测要素,气压层温度、湿度、风,高度层风,风切变数据,探空气压、温度、湿度风秒级采样和测风秒级采样9部分内容。表4数据段编码及说明内容意义单位比例因子基准值数据宽度(比特)数据段段长数据段长度(以八位组为单位)---24保留字段置0---81、测站/平台标识301111001001WMO区号-007001002WMO站号-0010001011船舶或移动陆地站标识(字符)-0072002011无线电探空仪的类型(见附录A表A.1)-008002013太阳辐射和红外辐射订正(见附录A表A.2)-004002014所用系统的跟踪技术/状态(见附录A表A.3)-007002003所用测量设备的类型(见附录A表A.4)-004001101国家标识符(见附录A表A.5)-0...

1、当您付费下载文档后,您只拥有了使用权限,并不意味着购买了版权,文档只能用于自身使用,不得用于其他商业用途(如 [转卖]进行直接盈利或[编辑后售卖]进行间接盈利)。
2、本站所有内容均由合作方或网友上传,本站不对文档的完整性、权威性及其观点立场正确性做任何保证或承诺!文档内容仅供研究参考,付费前请自行鉴别。
3、如文档内容存在违规,或者侵犯商业秘密、侵犯著作权等,请点击“违规举报”。

碎片内容

4.国内高空观测数据BUFR编码格式(V1.0)

状元书阁+ 关注
实名认证
内容提供者

爱好英语教学和互联网行业,热爱教育事业,兢兢业业

确认删除?
VIP
微信客服
  • 扫码咨询
会员Q群
  • 会员专属群点击这里加入QQ群
客服邮箱
回到顶部