电脑桌面
添加小米粒文库到电脑桌面
安装后可以在桌面快捷访问

1、高处坠落事故专项应急预案VIP免费

1、高处坠落事故专项应急预案_第1页
1/8
1、高处坠落事故专项应急预案_第2页
2/8
1、高处坠落事故专项应急预案_第3页
3/8
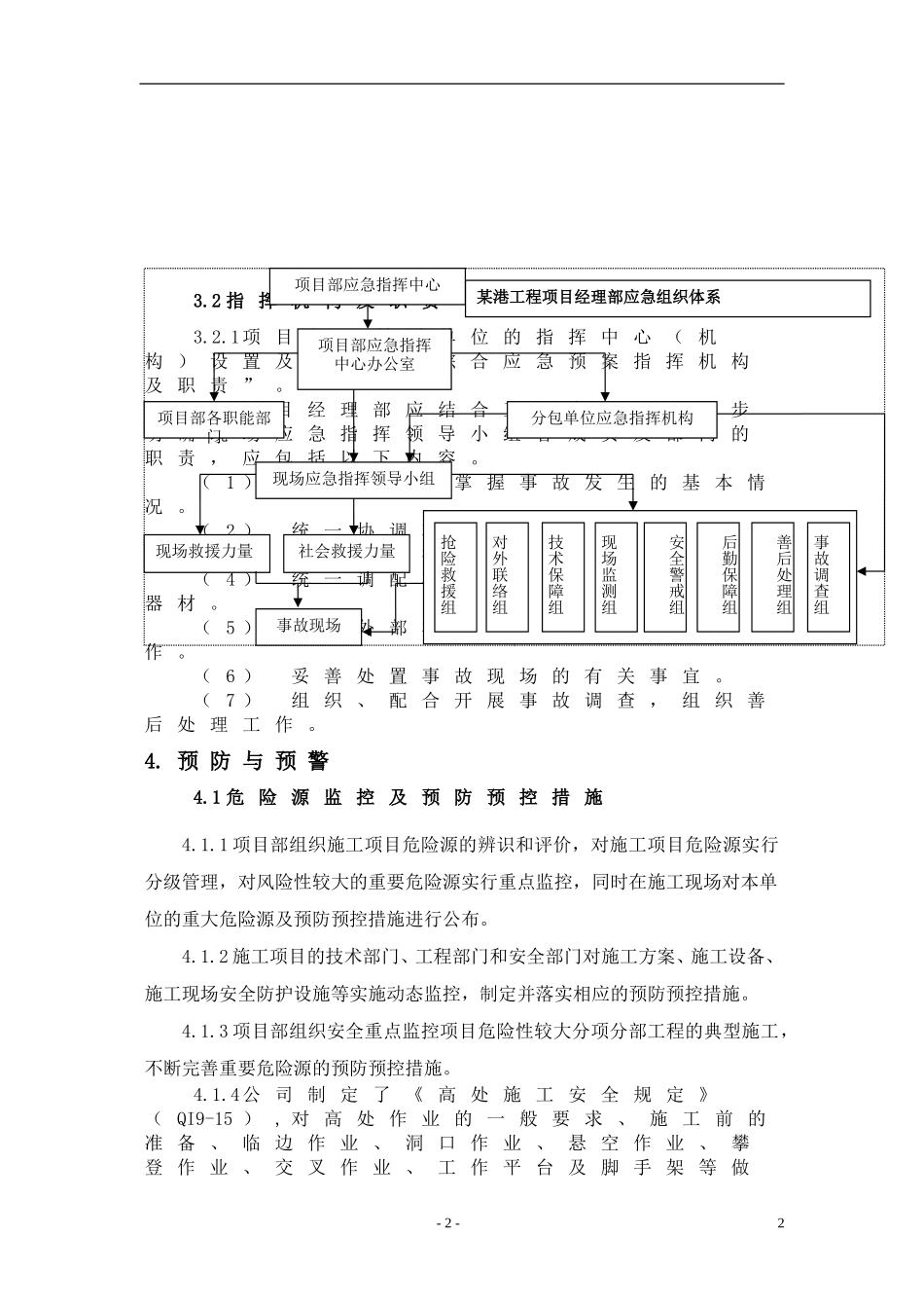
编号:ZJ-ZJZX001版号:A中交四航局湛江港工程项目经理部高处坠落施工专项应急预案编制单位:某单位某港工程项目经理部编制日期:二○一二年一月颁布日期:二○一二年一月1.事故类型和危害分析序号危险源可能导致事故1模板材质不符合要求,或没有按方案搭设以及受到外界的不安全因素的影响支架坍塌2高处作业安全技术措施不到位高处坠落序号危险源可能导致事故3高处作业临边防护措施不到位高处坠落4拌合楼等设备的安装和拆卸高处坠落5模板装拆等施工高处坠落6操作人员作业安全意识不强,未按要求佩戴个人安全防护用品高处坠落2.应急处置基本原则2.1快速反应原则:应急处置要做到反应快、报告快、处置快。2.2先期处置原则:一旦发生事故,立即启动现场处置方案,迅速采取有效措施,控制事态发展。2.3统一指挥原则:发生重、特大事故,由项目部应急指挥中心全面负责统一指挥、统一调度,保证救援工作的统一高效。2.4协调作战原则:现场应急小组在上级应急指挥中心的统一领导指挥下,按照各自职责,密切协作,相互配合,共同做好事故的应急处置和抢险救援工作。3.组织机构及职责3.1应急组织体系(见下框图)-1-13.2指挥机构及职责3.2.1项目部及所属单位的指挥中心(机构)设置及职责同“综合应急预案指挥机构及职责”。3.2.2项目经理部应结合工程实际,进一步明确现场应急指挥领导小组各成员及部门的职责,应包括以下内容。(1)迅速了解、掌握事故发生的基本情况。(2)统一协调项目各部门应急救援工作。(3)及时组织指挥实施事故处置方案。(4)统一调配救援人员、设备、物资、器材。(5)协调外部救援力量参与应急救援工作。(6)妥善处置事故现场的有关事宜。(7)组织、配合开展事故调查,组织善后处理工作。4.预防与预警4.1危险源监控及预防预控措施4.1.1项目部组织施工项目危险源的辨识和评价,对施工项目危险源实行分级管理,对风险性较大的重要危险源实行重点监控,同时在施工现场对本单位的重大危险源及预防预控措施进行公布。4.1.2施工项目的技术部门、工程部门和安全部门对施工方案、施工设备、施工现场安全防护设施等实施动态监控,制定并落实相应的预防预控措施。4.1.3项目部组织安全重点监控项目危险性较大分项分部工程的典型施工,不断完善重要危险源的预防预控措施。4.1.4公司制定了《高处施工安全规定》(QI9-15),对高处作业的一般要求、施工前的准备、临边作业、洞口作业、悬空作业、攀登作业、交叉作业、工作平台及脚手架等做-2-项目部应急指挥中心项目部应急指挥中心办公室项目部各职能部门现场应急指挥领导小组分包单位应急指挥机构现场救援力量社会救援力量抢险救援组对外联络组安全警戒组后勤保障组事故现场某港工程项目经理部应急组织体系现场监测组技术保障组善后处理组事故调查组2出了明确的规定,项目部应严格执行《高处施工安全规定》。4.1.5项目部应组织编制模板等专项施工工艺和方案,制定有针对性的安全技术措施。项目部应组织模板的验收、日常维护和安全监控,发现隐患及时组织整改。4.1.6项目部应组织编制桥梁施工工艺和方案,制定有针对性的安全技术措施。项目部应组织作业平台和施工设备的验收、日常维护和安全监控,加强对施工作业的安全监督,发现隐患及时组织整改。4.1.7项目部应组织编制拌合楼等设备的安装和拆卸施工方案,制定有针对性的安全技术措施。项目部应组织拌合楼、模板等设备验收(必要时,由子(分)公司,公司参加验收)、日常维护和安全监控,发现隐患及时组织整改。4.1.8项目部应严格执行中交股份《交通基本建设工程施工安全防护设施量化标准》,搞好高处作业安全防护设施。4.1.9项目部应加强高处作业人员的安全培训和教育,施工前,组织安全技术交底并做好书面记录。4.1.10项目部应按要求组织高处作业人员体检,发现有高血压、心脏病等高空作业禁忌的病症禁止进行高空作业,并提供符合要求的个人安全防护用品。4.2预警行动4.2.1项目部应针对可能发生的突发事件,建立预测预警机制,开展风险分析和评价,做到早发现、早报告、早处置。4.2.2项目部与国家海洋局、气象局、海事局、港务局、地震局等单位签订协议,保持密切联系,...

1、当您付费下载文档后,您只拥有了使用权限,并不意味着购买了版权,文档只能用于自身使用,不得用于其他商业用途(如 [转卖]进行直接盈利或[编辑后售卖]进行间接盈利)。
2、本站所有内容均由合作方或网友上传,本站不对文档的完整性、权威性及其观点立场正确性做任何保证或承诺!文档内容仅供研究参考,付费前请自行鉴别。
3、如文档内容存在违规,或者侵犯商业秘密、侵犯著作权等,请点击“违规举报”。

碎片内容

1、高处坠落事故专项应急预案

您可能关注的文档

确认删除?
VIP
微信客服
  • 扫码咨询
会员Q群
  • 会员专属群点击这里加入QQ群
客服邮箱
回到顶部