电脑桌面
添加小米粒文库到电脑桌面
安装后可以在桌面快捷访问

钣金加工:压铆手册VIP免费

钣金加工:压铆手册_第1页
1/14
钣金加工:压铆手册_第2页
2/14
钣金加工:压铆手册_第3页
3/14
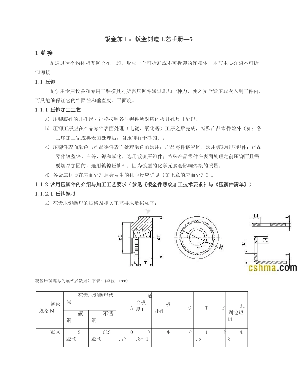
钣金加工:钣金制造工艺手册—51铆接是通过两个物体相互铆合在一起,形成一个可拆卸或不可拆卸的连接体,本节主要介绍不可拆卸铆接1.1压铆是使用专用设备和专用工装模具对所需压铆件通过施加一种力,使之完全紧压或嵌入到工件内,而具能够保证它的牢固性和垂直度、平面度。1.1.1压铆加工工艺a)压铆底孔的开孔尺寸严格按照各压铆件所对应的板开孔尺寸处理。b)压铆工序应在产品零件表面处理(电镀、氧化等)工序之后完成,特殊产品零件除外(如:各工序加工完成再表面处理后,对压铆有干涉的)。c)压铆件表面颜色与产品零件表面处理颜色的选用:产品零件镀彩锌,选用镀彩锌压铆件;产品零件镀蓝锌、白锌、镍和氧化,选用镀镍压铆件;特殊产品零件在表面处理之前压铆而且需要烧焊加固的,选用镀镍压铆件,因为镀层的化学元素会影响焊接的质量。d)各金属材质在表面处理后会发生的化学反应详见《第七章的表面处理》。1.1.2常用压铆件的介绍与加工工艺要求(参见《钣金件螺纹加工技术要求》与《压铆件清单》)1.1.2.1压铆螺母a)花齿压铆螺母的规格及相关工艺要求数据如下:花齿压铆螺母的规格及数据如下表:(单位:mm)螺纹规格M花齿压铆螺母代码A适合板厚t板开孔CTE孔到边距L1碳钢不锈钢M2×S-M2-0CLS-M2-00.770.8~1φφ1.5φ4.80.44.254.226.3S-M2-1CLS-M2-10.971.0S-M2-2CLS-M2-21.381.4M2.5×0.45S-M2.5-0CLS-M2.5-00.770.8~1φ4.25φ4.221.5φ6.34.8S-M2.5-1CLS-M2.5-10.971.0S-M2.5-2CLS-M2.5-21.381.4M3×0.5S-M3-0CLS-M3-00.770.8~1φ4.25φ4.221.5φ6.34.8S-M3-1CLS-M3-10.971.0S-M3-2CLS-M3-21.381.4M4×0.7S-M4-0CLS-M4-00.770.8~1φ5.4φ5.382.0φ7.96.9S-M4-1CLS-M4-10.971.0S-M4-2CLS-M4-21.381.4M5×0.8S-M5-0CLS-M5-00.770.8~1φ6.4φ6.382.0φ8.77.1S-M5-1CLS-M5-10.971.0S-M5-2CLS-M5-21.381.4M6×1.0S-M6-0CLS-M6-01.151.2φ8.75φ8.724.08φ11.058.6S-M6-1CLS-M6-11.381.4S-M6-2CLS-M6-22.212.3b)花齿压铆螺母的加工工艺要求:铝板t≤1.0mm时,采用花齿压铆螺母代码为-0的加工(如:S-M3-0);不锈钢板压铆不锈钢(CLS)花齿压铆螺母时,由于不锈钢含碳量(硬度)高,为了降低压铆后螺母脱落的风险,必须在螺母紧贴板处烧焊(点焊几点)加固;压铆时应利用模具一次压铆到位,螺母凸台部位(A尺寸)应完全嵌入板材,无缝隙,保证板的平面度和螺母与板的垂直度;c)花齿压铆螺母模具(一般常规模具)如下图:d)各材料压铆花齿压铆螺母所对应的各种力见下表:螺纹规格板材最小推力(N)最小扭力(kgf.cm)压铆力(kN)M2.5钢板190811.2~15.6铝板19066.7~8.9M3钢板1901111.2~15.6铝板19086.7~8.9M4钢板1962218~27铝板1961811.2~13.4M5钢板1963018~38铝板1962211.2~15.6M6钢板27~36铝板18~321.1.2.2压铆螺柱压铆螺柱有通孔全通螺纹压铆螺柱、通孔非全通螺纹压铆螺柱、盲孔压铆螺柱;下面介绍通孔全通螺纹压铆螺柱和盲孔压铆螺柱两种a)通孔全通螺纹压铆螺柱和盲孔压铆螺柱的区别在于:除内孔通与不通和螺纹长度不同外,其余尺寸完全相同。见下图表的说明:(a)上图(a)和(b)压铆螺柱代码对照表通孔全通螺纹压铆螺柱代码盲孔压铆螺柱代码碳钢不锈钢碳钢不锈钢SOOSOOSBSOBSOSb)例举盲孔压铆螺柱的规格及相关工艺要求数据如下:(F数据参见相应标准)盲孔压铆螺柱的规格及数据如下表:(单位:mm)螺纹规格M盲孔压铆螺柱代码适合板厚tmin板开孔+0.08-0C+00.13H孔到边距L1min碳钢不锈钢M2×0.4BSO-M2-LBSOS-M2-L1.0φ5.0φ4.984.756M3×0.5BSO-M3-LBSOS-M3-L1.0φ4.2φ4.194.756BSO-3.5M3-LBSOS-3.5M3-L1.0φ5.4φ5.386.356.8M4×0.7BSO-M4-LBSOS-M4-L1.0φ6.0φ5.9577.5BSO-M4P-LBSOS-M4P-L1.3φ7.2φ7.1188.2M5×0.8BSO-M5-LBSOS-M5-L1.3φ7.0φ6.9588.2BSO-M5P-LBSOS-M5P-L1.3φ7.2φ7.1188.2M6×1.0BSO-M6-LBSOS-M6-L1.3φ8.75φ8.721010注:图中L在图纸标注的压铆螺柱代码中要注明具体的数值。c)压铆螺柱的加工工艺要求:不推荐电镀之前压铆盲孔压铆螺柱,为了避免电镀液不能完全流出,腐蚀螺纹;压铆时应利用模具一次压铆到位,螺柱六角头应完全嵌入板材,...

1、当您付费下载文档后,您只拥有了使用权限,并不意味着购买了版权,文档只能用于自身使用,不得用于其他商业用途(如 [转卖]进行直接盈利或[编辑后售卖]进行间接盈利)。
2、本站所有内容均由合作方或网友上传,本站不对文档的完整性、权威性及其观点立场正确性做任何保证或承诺!文档内容仅供研究参考,付费前请自行鉴别。
3、如文档内容存在违规,或者侵犯商业秘密、侵犯著作权等,请点击“违规举报”。

碎片内容

钣金加工:压铆手册

您可能关注的文档

确认删除?
VIP
微信客服
  • 扫码咨询
会员Q群
  • 会员专属群点击这里加入QQ群
客服邮箱
回到顶部