电脑桌面
添加小米粒文库到电脑桌面
安装后可以在桌面快捷访问

专用配电维护工程方案VIP免费

专用配电维护工程方案_第1页
1/10
专用配电维护工程方案_第2页
2/10
专用配电维护工程方案_第3页
3/10
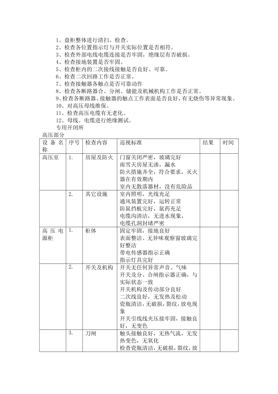
******有限公司配电维护工程专项方案一、概况:为保证厂区用电安全运行需要,满足生产。由我司为贵司的高低压配电室设备进行巡检维护、试验、清洁等并及时处理设备隐患,确保设备性能,保证安全运行。外线电缆通过巡视检查试验及时发现自身缺陷,外界破坏等不利因素,以便采取相应防范措施,保障线路的安全运行。二、维护保养、试验工作范围:1、外线高压电缆ZR-YJV22-3*400mm/约**/1根2、高压ZR-YJV22-3*120/3根3、高压中置柜10面4、高压环网柜6面5、2000kVA变压器3台6、低压柜25面三、外线维护方案:1、现场情况经现场勘察,厂区外线电缆ZR-YJV22-3*400mm,由**分支箱引至厂区专用开闭所,全长约**;通过电缆沟及排管敷设,过街2处,检查井41个;部分排管埋深不足20cm;混凝土警示桩9个(字体以脱落和人为损坏),经过现有工地一处。(见附件1)2、电缆线路巡视检查电缆线路的定期巡视每月一次;户外电缆头不定期巡视;于园区规划部门沟通,沿线有无施工计划。每月向贵司上报巡检维护报告。电缆线路巡视检查主要包括以下内容:电缆线路标桩是否完好、字迹是否清晰,及时修补;沿线路地面上是否堆放矿渣、建筑材料、瓦砾、垃圾及其他重物,有无临时建筑;线路附近地面是否开挖;线路附近有无酸、碱等腐蚀性排放物,地面上是否堆放石灰等可构成腐蚀的物质洪水期间或暴雨过后,巡视附近有无严重冲刷或塌陷现象。对电缆线路沿线杂草灌木全部砍伐,露出检查井、警示桩和电缆走向通道。电缆线路沟道的盖板是否完整无缺;沟道是否渗水、沟内有无积水、沟道井内是否堆放有易燃易爆物品、垃圾等;电缆铠装或铅包有无腐蚀,电缆有无破损痕迹;洪水期间或暴雨过后及时巡视沟道是否积水,沟道泄水是否畅通等。电缆中间、终端接头的防护有无裂纹、脏污及闪络痕迹;有无过热迹象、有无变形、温度是否过高;接地线是否完好等。电缆检查井井盖是否完好、井内有无积水、井壁是否开裂损坏、沉降、井内有无杂物、电缆标识牌装设是否齐全、正确、清晰。根据现场巡查情况,需对外线增加警示桩(桩间距离不应大于60米);恢复检查井局部开裂、破损井盖、井圈;清掏井沟内垃圾;清通排水管;割除杂草;告知临近施工单位管线位置等。四、配电维护保养内容根据业主用电需求,根据设备现场运行状态进行停电和不停电及时的外观检查、数据监控、相关试验(见附件2)等工作。工作内容如下:1、盘柜整体进行清扫、检查。2、检查各位置指示灯与开关实际位置是否相符。3、检查外部电线电缆连接是否牢固,绝缘层有否破损。4、检查接地装置是否牢固。5、检查柜内的二次接线接触是否良好、可靠。6、检查二次回路工作是否正常。7、检查接触器各触点是否可靠动作8、检查各断路器合、分闸、储能及机械机构工作是否正常。9、检查各断路器、接触器的触点工作表面是否良好,有无烧伤等异常现象。10、对高压母线维保。11、检查高压电缆有无老化。12、母线、电缆进行绝缘测试。专用开闭所高压部分设备名称序号检查内容巡视标准结果时间高压室1.房屋及防火门窗关闭严密,玻璃完好雨雪天房屋无渗,漏水防火措施齐全,符合要求,灭火器在有效期内室内无散落器材,没有危险品2.其它设施室内照明,光线充足通风装置完好,运转正常防鼠挡板完好,鼠药充足电缆沟清洁,无进水现象,电缆孔洞封堵严密高压电源柜1.柜体固定牢固,接地良好表面整洁、无异味观察窗玻璃完好整洁带电传感器指示正确指示灯具完好2.开关及机构开关无任何异常声音、气味开关及分、合闸指示器正确,与实际状态一致开关机构及传动部分良好二次线良好,无发热及松动瓷瓶清洁,无破损,裂纹,放电现象开关引线线夹压接牢固,接触良好,无变色3.刀闸触头接触良好,无热气流,无发热变色,无氧化检查瓷瓶清洁,无破损,裂纹,放电现象4.电流互感器本体无裂纹、发热现象,无异常气味内部无异常声响,接头无发热、脱落现象通过电流表检查互感器回路运行正常5.电压互感器本体无裂纹、发热现象,无异常气味内部无异常声响,接头无发热、脱落现象通过电压表检查互感器回路运行正常6.其它设备编号,一、二次标示齐全,清晰相序标注清楚电缆孔洞封堵严密开关保护装置良好,动...

1、当您付费下载文档后,您只拥有了使用权限,并不意味着购买了版权,文档只能用于自身使用,不得用于其他商业用途(如 [转卖]进行直接盈利或[编辑后售卖]进行间接盈利)。
2、本站所有内容均由合作方或网友上传,本站不对文档的完整性、权威性及其观点立场正确性做任何保证或承诺!文档内容仅供研究参考,付费前请自行鉴别。
3、如文档内容存在违规,或者侵犯商业秘密、侵犯著作权等,请点击“违规举报”。

碎片内容

专用配电维护工程方案

您可能关注的文档

确认删除?
VIP
微信客服
  • 扫码咨询
会员Q群
  • 会员专属群点击这里加入QQ群
客服邮箱
回到顶部