电脑桌面
添加小米粒文库到电脑桌面
安装后可以在桌面快捷访问

超市设备、设施工作规范VIP免费

超市设备、设施工作规范_第1页
1/8
超市设备、设施工作规范_第2页
2/8
超市设备、设施工作规范_第3页
3/8
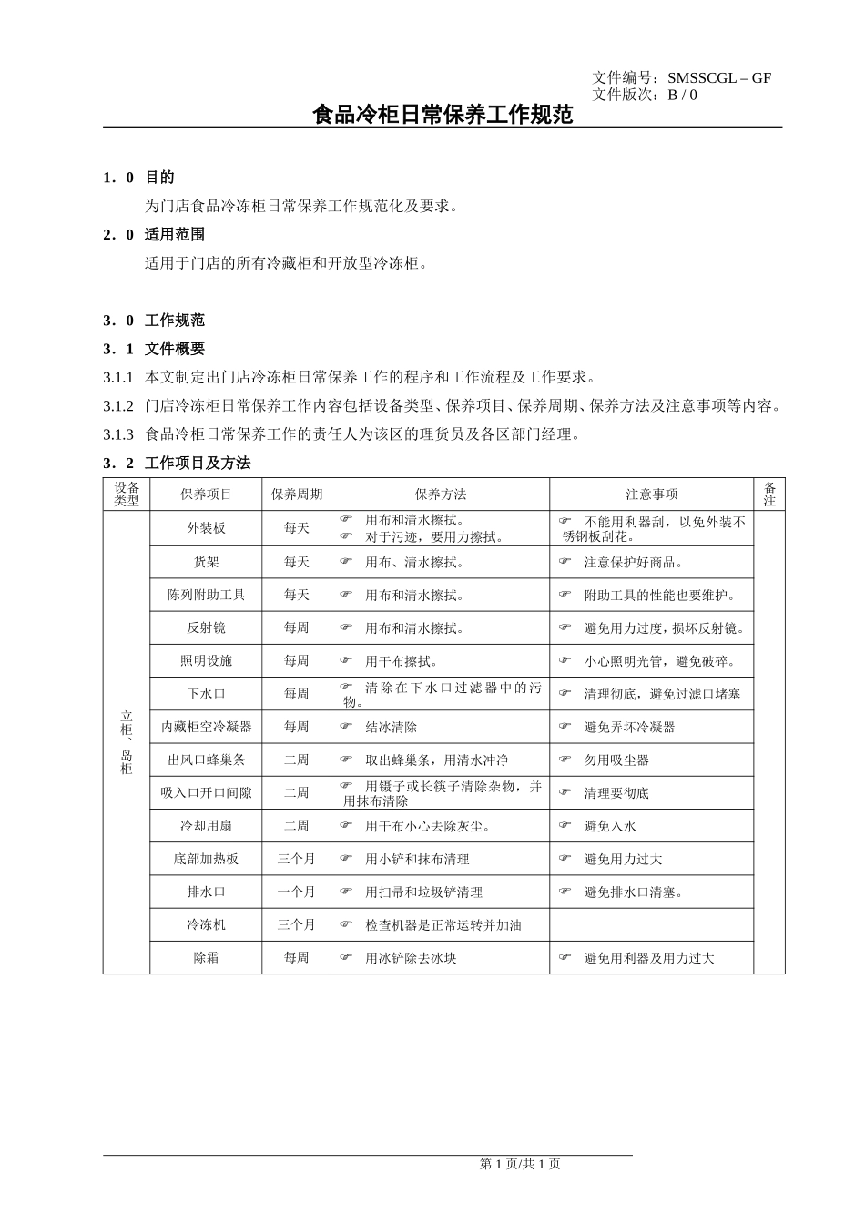
文件编号:SMSSCGL–GF文件版次:B/0设备/设施维护工作规范1.0目的为门店设备/设施的保养维护工作提供依据,确保公司门店各类设备/设施的正常使用。2.0适用范围适用于门店员工在对店内设备/设施进行维护、保养的工作过程。3.0工作规范3.1文件概要3.1.1门店设备/设施是指陈列在门店的冷柜、收款机、电脑、空调、监控设备、货架、办公台、精品柜台、购物车、购物篮等;3.1.2设备/设施的维护保养的主要责任人为各设备所在区的理货员和部门主管及部门经理;3.1.3设备/设施的维护保养工作按《设备/设施维护项目表》进行实施并在交接班时做好相关记录。类别维护要求(项目)备注冷柜见《食品冷冻柜日常保养工作规范》建立设备/设施档案收款机1.保持清洁、屏幕可见度2.注意不要受湿、遇磁建立设备/设施档案电脑1.保持清洁、屏幕可见度2.经常进行硬盘空间清理3.注意电脑不要受湿、磁化建立设备/设施档案空调1.经常清洁,加雪种建立设备/设施档案监控设备1.保持清洁、屏幕可见度2.防磁、防潮建立设备/设施档案货架1.保持清洁,防湿2.经常查看货架的镙丝接口处是否有松动,并进行处理办公台1.保持清洁2.注意防潮精品柜台1.保持清洁2.轻拿轻放购物车1.保持清洁2.经常检查车轮、镙丝是否有松动,并进行处理3.定期对购物车的车轮进行润滑,保证其正常使用润滑工作一月至少一次购物篮1.保持清洁2.检查购物篮的把手是否可正常使用第1页/共1页文件编号:SMSSCGL–GF文件版次:B/0设备/设施报修工作规范1.0目的为门店设备/设施故障后的报修、维修工作提供依据,确保门店设备/设施的正常使用。2.0适用范围适用于门店设备/设施的报修、维修工作过程。3.0工作规范3.1文件概要3.1.1门店设备/设施是指陈列在门店的冷柜、收款机、电脑、空调、监控设备、货架、办公台、精品柜台、购物车、购物篮等;3.1.2设备/设施故障报到维修组后,一般故障维修组要在8个工作小时内到达故障现场进行检修,提出维修方案,属自行维修的要立即确定完成时间,属保修或委外维修的要立即进行咨询并确定预计完成时间;紧急故障按《应急处理工作规范》执行。3.1.3设备/设施工作流程表工作流程责任人/部门工作标准/要求相关文件/记录报障理货员各区部门经理维修工理货员发现设备/设施故障,报各区部门经理,各区部门经理向维修工报障维修工根据报障,对故障设备/设施进行检查,确定是自修还是委外维修,并根据《设备/设施档案》查看是否在保修范围。维修事项申报表维修自修维修工维修工根据故障情况购买零件,在规定时间内维修好设备/设施。请款单保修维修工外方单位维修工根据《设备/设施档案》上的记录,联系保修单位,告知故障原因、询价、确定维修时间。当所需费用超过维修工权限时,根据公司规定写维修申请报告进行申请、报批。委外维修维修工外方单位维修工根据故障情况,寻找有维修资格的外方单位,确定维修完成时间,报价,上报商场管理部。商场管理部对报价进行审计后,根据公司规定写维修申请报告进行费用申请、报批。维修工联络维修单位进行维修,有必要时签定维修合同。验收理货员维修工各区部门经理维修完成后交使用区的部门经理、理货员进行验收并签名确认。对有关费用,及时取得发票,到财务部报销。维修事项申报表发票第1页/共1页文件编号:SMSSCGL–GF文件版次:B/0食品冷柜日常保养工作规范1.0目的为门店食品冷冻柜日常保养工作规范化及要求。2.0适用范围适用于门店的所有冷藏柜和开放型冷冻柜。3.0工作规范3.1文件概要3.1.1本文制定出门店冷冻柜日常保养工作的程序和工作流程及工作要求。3.1.2门店冷冻柜日常保养工作内容包括设备类型、保养项目、保养周期、保养方法及注意事项等内容。3.1.3食品冷柜日常保养工作的责任人为该区的理货员及各区部门经理。3.2工作项目及方法设备类型保养项目保养周期保养方法注意事项备注立柜、岛柜外装板每天用布和清水擦拭。对于污迹,要用力擦拭。不能用利器刮,以免外装不锈钢板刮花。货架每天用布、清水擦拭。注意保护好商品。陈列附助工具每天用布和清水擦拭。附助工具的性能也要维护。反射镜每周用布和清水擦拭。避免...

1、当您付费下载文档后,您只拥有了使用权限,并不意味着购买了版权,文档只能用于自身使用,不得用于其他商业用途(如 [转卖]进行直接盈利或[编辑后售卖]进行间接盈利)。
2、本站所有内容均由合作方或网友上传,本站不对文档的完整性、权威性及其观点立场正确性做任何保证或承诺!文档内容仅供研究参考,付费前请自行鉴别。
3、如文档内容存在违规,或者侵犯商业秘密、侵犯著作权等,请点击“违规举报”。

碎片内容

超市设备、设施工作规范

学海无涯书城+ 关注
实名认证
内容提供者

热爱教育事业,爱好互联网行业

确认删除?
VIP
微信客服
  • 扫码咨询
会员Q群
  • 会员专属群点击这里加入QQ群
客服邮箱
回到顶部