电脑桌面
添加小米粒文库到电脑桌面
安装后可以在桌面快捷访问

催化燃烧处理VIP免费

催化燃烧处理_第1页
1/16
催化燃烧处理_第2页
2/16
催化燃烧处理_第3页
3/16
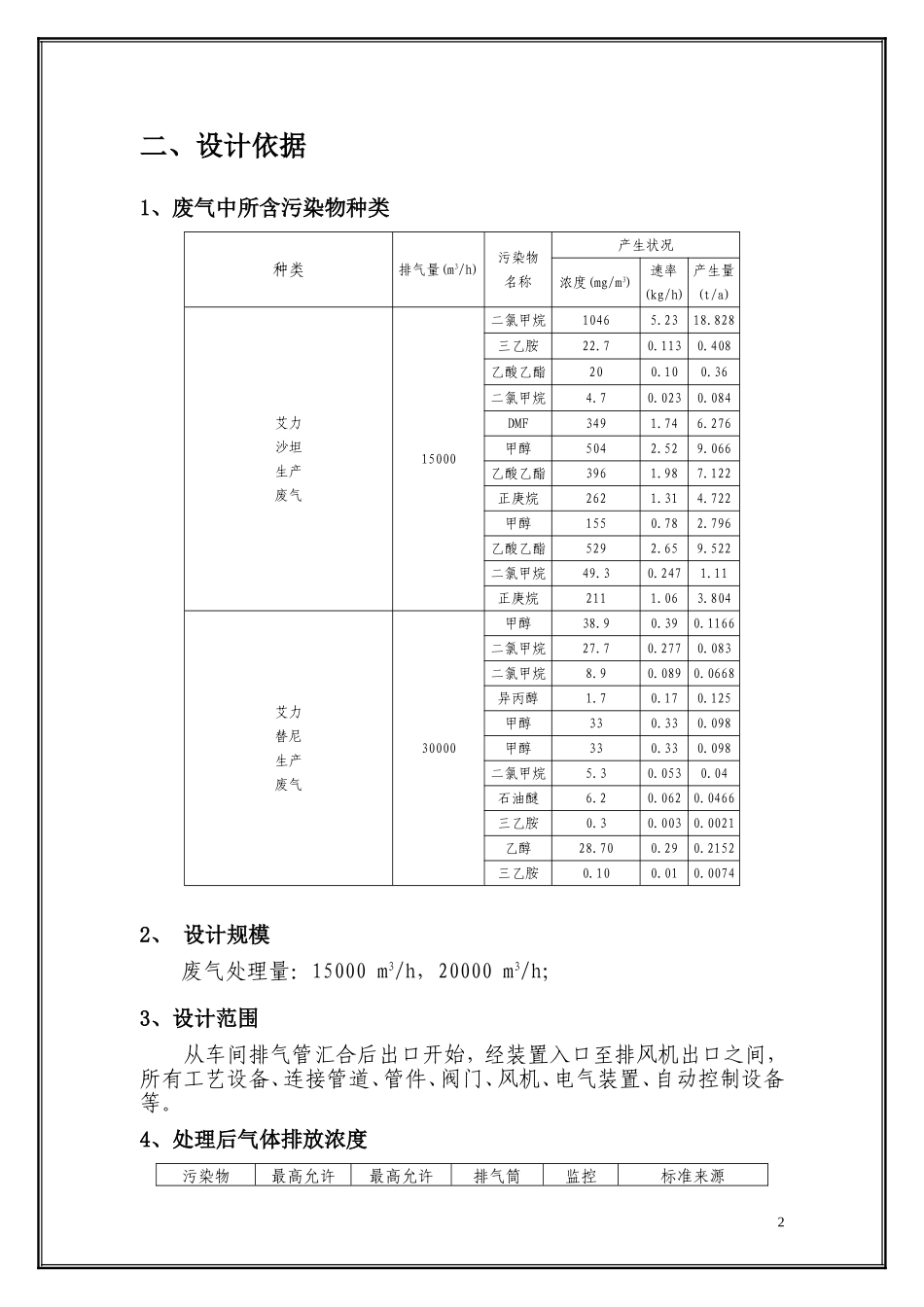
方案及报价二零零一年七月目录一、概述....................................................................................................2二、设计依据............................................................................................2三、工艺设计...........................................................................................5四、工艺系统说明....................................................................................7五、电气系统..........................................................................................11六、主要设备一览表..............................................................................13七、设备报价..........................................................................................15八、效益评估..........................................................................................16九、产品制造安装调试..........................................................................16十、培训..................................................................................................18十一、售后服务......................................................................................18一、概述车间在生产过程中排放出大量的废气,废气中含有较高浓度的有机废气。该废气若不经处理直接排入大气,不仅会污染周围的环境,而且导致了极大的原物料消耗,同时对企业的形象也会造成一定的影响,为此,必须进行处理。1二、设计依据1、废气中所含污染物种类种类排气量(m3/h)污染物名称产生状况浓度(mg/m3)速率(kg/h)产生量(t/a)艾力沙坦生产废气15000二氯甲烷10465.2318.828三乙胺22.70.1130.408乙酸乙酯200.100.36二氯甲烷4.70.0230.084DMF3491.746.276甲醇5042.529.066乙酸乙酯3961.987.122正庚烷2621.314.722甲醇1550.782.796乙酸乙酯5292.659.522二氯甲烷49.30.2471.11正庚烷2111.063.804艾力替尼生产废气30000甲醇38.90.390.1166二氯甲烷27.70.2770.083二氯甲烷8.90.0890.0668异丙醇1.70.170.125甲醇330.330.098甲醇330.330.098二氯甲烷5.30.0530.04石油醚6.20.0620.0466三乙胺0.30.0030.0021乙醇28.700.290.2152三乙胺0.100.010.00742、设计规模废气处理量:15000m3/h,20000m3/h;3、设计范围从车间排气管汇合后出口开始,经装置入口至排风机出口之间,所有工艺设备、连接管道、管件、阀门、风机、电气装置、自动控制设备等。4、处理后气体排放浓度污染物最高允许最高允许排气筒监控标准来源2排放浓度(mg/m3)排放速率(kg/h)高度(m)浓度(mg/m3)粉尘1203.5151.0GB16297—1996非甲烷总烃12010154.0甲醇1905.11512NO22400.77150.12HCl1000.26150.20乙酸乙酯-0.52150.1GB/T13201-91三乙胺-0.72150.14乙醇-25.80155异丙醇-3.10150.6丙酮-4.13150.8DMF-1.03150.2二氯甲烷-30.8155.975、设计参考资料以及法规标准①本初步设计方案制定的依据(1)《中华人民共和国环境保护法》(1989年12月)(2)《中华人民共和国大气污染防治法》(2004年4月修订)(3)国发(1996)31号《国务院关于环境保护若干问题的决定》(4)中华人民共和国主席令第72号《中华人民共和国清洁生产促进法》(5)《国家环境保护“十五”计划》(6)《恶臭污染物排放标准》(GB14554-93)(7)《大气污染物综合排放标准》(GB16297-1996)(8)《大气环境质量标准》(GB3095-1996)(9)某省及某市市有关环境保护的法规及条例(10)低压配电设计规范》(GB5005495)(11)《工业与民用电装置的接地设计规范》(GBJ65-83)(12)《建筑物防雷设计规范》(GB50057-942000年版)(13)《通用用电设备配电设计规范》(GB50055-95)②本方案制定的原则(1)依据国家和地方有关环保法律、法规及产业政策要求对工业污染进行治理,充分发挥建设项目的社会效益、环境效益和经济效益。(2)积极稳妥地采用新技术、新设备,结合企业的现状和管理水平采用先进、可靠...

1、当您付费下载文档后,您只拥有了使用权限,并不意味着购买了版权,文档只能用于自身使用,不得用于其他商业用途(如 [转卖]进行直接盈利或[编辑后售卖]进行间接盈利)。
2、本站所有内容均由合作方或网友上传,本站不对文档的完整性、权威性及其观点立场正确性做任何保证或承诺!文档内容仅供研究参考,付费前请自行鉴别。
3、如文档内容存在违规,或者侵犯商业秘密、侵犯著作权等,请点击“违规举报”。

碎片内容

催化燃烧处理

您可能关注的文档

慧源书苑+ 关注
实名认证
内容提供者

热爱教育事业,爱好互联网行业

确认删除?
VIP
微信客服
  • 扫码咨询
会员Q群
  • 会员专属群点击这里加入QQ群
客服邮箱
回到顶部