电脑桌面
添加小米粒文库到电脑桌面
安装后可以在桌面快捷访问

电工实操考核标准VIP免费

电工实操考核标准_第1页
1/14
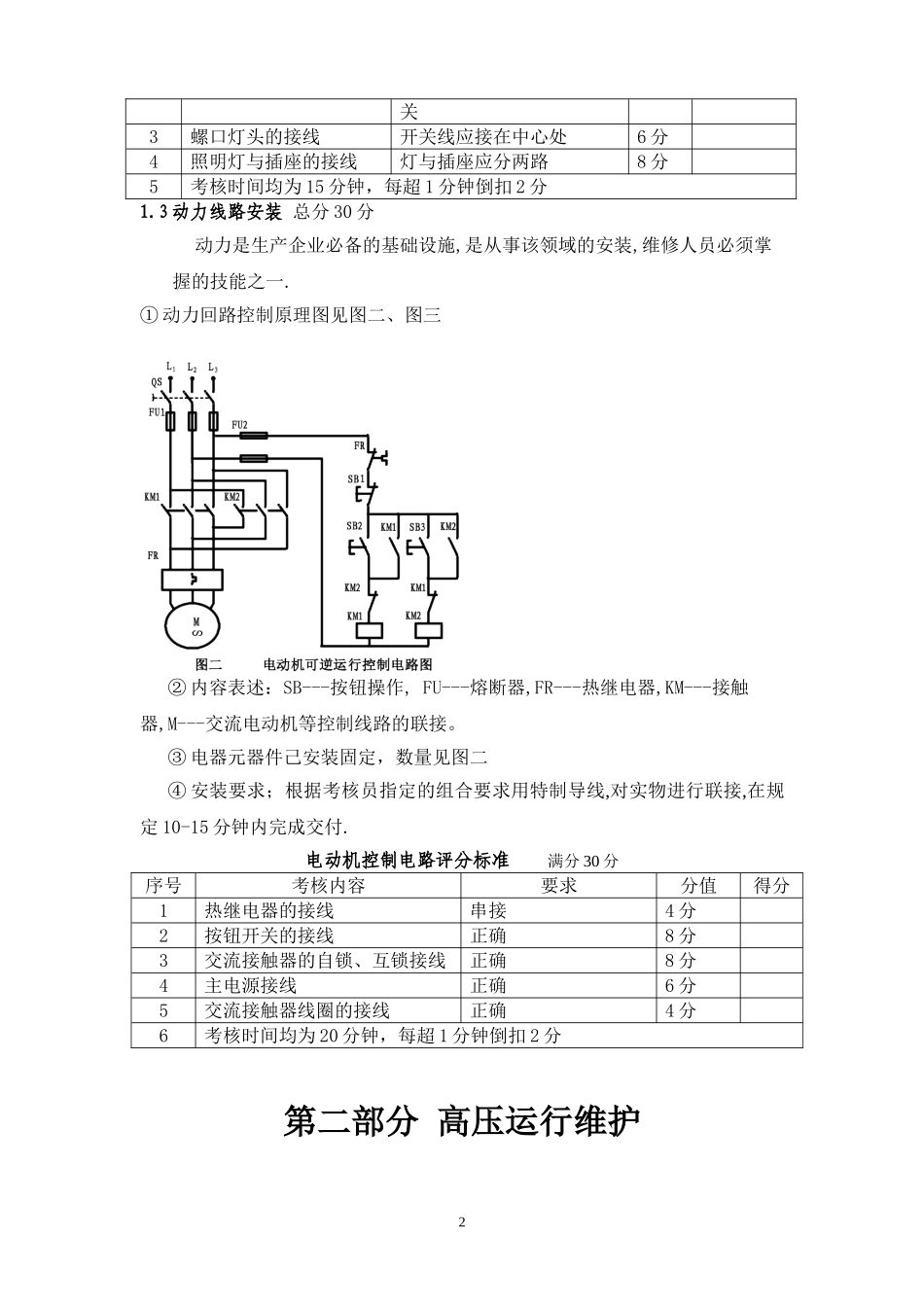
电工实操考核标准_第2页
2/14
电工实操考核标准_第3页
3/14
结合实际情况,特制订以下电工实操考核标准。一、考核项目分类1电工仪表测量2照明线路安装3动力线路安装4高压运行维护作业停送电操作二、考核方式⑴、电工仪表测量⑵、照明线路安装,为实物制作题⑶、高压运行维护作业停送电操作口答模拟演练题要求:上一项不合格者不得进入下一步考试。1.1电工仪表测量总分20分熟练,正确使用电工仪表,是电工作业人员用来检测,判断电气设备,工具能否安全正常运行的有效手段之一.①实际操作仪表:数字(指针)万用表*1.钳形安培表*1绝缘兆欧表*1被测电器:电流(0-300A)交直流电压(0-400V)*1,三相交流电动机0.5KW*1,(或取长400mm三相低压电缆一段).②操作要求:a正确选择仪表,随机给出测量的要求,正确选择仪表;b正确选择测量,口头报出数据.C每项应在1分钟内完成,该实操不合格不得进入下一步考试。③口试:考核根据配电室实际供电方式,学员作答;④评分标准电工仪表测量评分标准满分20分万用表、钳形电流表和绝缘摇表,考核时间为5分钟。序号考核内容要求分值得分1选用仪表根据所要测量的物理量选用档位。32测量方法(1)测量电压、电流时先选量程最大档,然后根据需要降到合适的量程(2)切换量程时先断开电路,每次切换量程,先调零再测量(3)正确接线113读数正确报出所测电路的数值24使用完毕使用完毕应将转换开关旋到OFF档或交流电压最高档46考核时间为5分钟。该实操不合格或超时不得进入下一步考试1.2、照明线路安装总分30分.照明是电力应用面最广,电力消费量最大的领域.是电工作业人员必须撑握的基础技能.⑵照明常用线路考核如图一。①内容描述;KWh---单相电度表;QF---2P具有漏电保护功能的空气开关;FU---熔断,,Y---日光灯具,SA1、SA2---为双控开关,SA3---为单控开关,EL---螺口灯座;单相安全插座等的联接.②电器元器件己安装固定,数量见图一③安装要求:根据考核员指定的组合要求用特制导线,对实物进行联接,在规定15分钟内完成交付.照明电路安装评分标准满分30分序号考核内容要求分值得分1开关单相安全插座的接线左零右相,从上到下接地或接零保护正确8分2双联开关的接线在两个地方都能控制开和8分1关3螺口灯头的接线开关线应接在中心处6分4照明灯与插座的接线灯与插座应分两路8分5考核时间均为15分钟,每超1分钟倒扣2分1.3动力线路安装总分30分动力是生产企业必备的基础设施,是从事该领域的安装,维修人员必须掌握的技能之一.①动力回路控制原理图见图二、图三②内容表述:SB---按钮操作,FU---熔断器,FR---热继电器,KM---接触器,M---交流电动机等控制线路的联接。③电器元器件己安装固定,数量见图二④安装要求;根据考核员指定的组合要求用特制导线,对实物进行联接,在规定10-15分钟内完成交付.电动机控制电路评分标准满分30分序号考核内容要求分值得分1热继电器的接线串接4分2按钮开关的接线正确8分3交流接触器的自锁、互锁接线正确8分4主电源接线正确6分5交流接触器线圈的接线正确4分6考核时间均为20分钟,每超1分钟倒扣2分第二部分高压运行维护2值班实操考核实施方案考核实施评分细则1、停送电操作1.1审核操作票①步骤②术语③双重名称④运行方式⑤填写规范1.2接受命令1.3预备检查操作用的安全用具1.4模拟操作核对无误1.5实际操作站立、监护、唱票、复诵、检查、打勾、结束汇报、签字盖章1.6评分标准检修中的安全措施评分标准序号考核题目(6分/题)答案分值否决项1倒闸操作中常用的有哪几种调度术语?①运行状态;1.5分②热备用状态;1.5分③冷备用状态;1.5分④检修状态。1.5分2线路停电的操作原则?为什么?①先拉线路开关;1.5分√②再拉负荷侧闸刀;1.5分③最后拉母线侧闸刀。1.5分原因是:防止带负荷拉闸刀。1.5分验明确无电压后,和接地刀;2分②接在线路母线闸刀的两侧;1分13标示牌有哪几种?①禁止合闸,有人工作!1分②禁止合闸,线路有人工作!1分③止步高压危险!1分④禁止攀登,高压危险!1分⑤在此工作!1分⑥从此上下!1分⑦禁止分闸!1分3⑧从此进出!1分14第一种工作票的使用范围包括哪些?①高压设备上工作需要全部停电或部分停电者;3分②高压室内的二次接线和照明等回路上的工作,需要将高压设备停电或做安全措...

1、当您付费下载文档后,您只拥有了使用权限,并不意味着购买了版权,文档只能用于自身使用,不得用于其他商业用途(如 [转卖]进行直接盈利或[编辑后售卖]进行间接盈利)。
2、本站所有内容均由合作方或网友上传,本站不对文档的完整性、权威性及其观点立场正确性做任何保证或承诺!文档内容仅供研究参考,付费前请自行鉴别。
3、如文档内容存在违规,或者侵犯商业秘密、侵犯著作权等,请点击“违规举报”。

碎片内容

电工实操考核标准

确认删除?
VIP
微信客服
  • 扫码咨询
会员Q群
  • 会员专属群点击这里加入QQ群
客服邮箱
回到顶部