电脑桌面
添加小米粒文库到电脑桌面
安装后可以在桌面快捷访问

中考物理试题汇编全集VIP免费

中考物理试题汇编全集_第1页
1/36
中考物理试题汇编全集_第2页
2/36
中考物理试题汇编全集_第3页
3/36
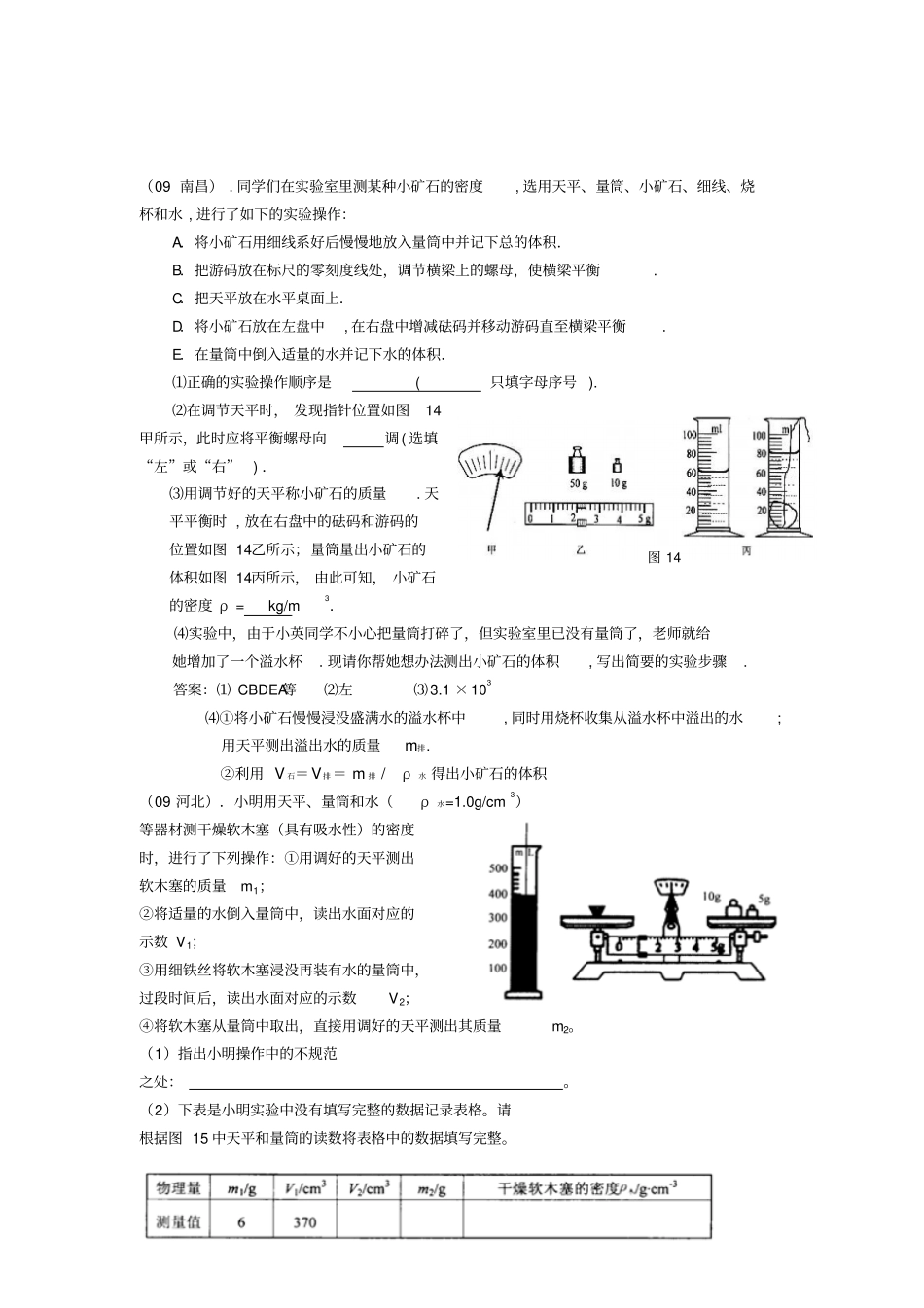
20XX年中考物理试题汇编全集下(包含答案)资料说明:本资料汇编分为以下部分:声现象、物态变化、光现象、光的折射、物质的运动、物质的物理属性、从分子到宇宙、力、压强浮力等,总计69页。包含答案。六.物质的物理属性(09泰安)9.在“用托盘天平测物体质量”时,某同学用已调节好的天平在测物体质量过程中,通过增、减砝码后,发现指针指在分度标牌的中央刻度线左边一点,这时他应该A.把横梁右端螺母向右旋出一些B.把横梁右端螺母向左旋进一些C.把天平右盘的砝码减少一些D.向右移动游码答案:D(09四川自贡).用托盘天平测量物体的质量,测量过程中向右移动游码的作用相当于A.向左调节平衡螺母B.向右调节平衡螺母C.往右盘增加砝码D.往右盘减少砝码答案:C(09义乌)31、某同学用托盘天平测量物体的质量时,先把天平放在水平桌面上,然后将游码移至横梁标尺的左侧零位。这是发现天平指针位置偏向左侧,则他应该将平衡螺母向侧调节。调节天平平衡后,将物体放在天平的左盘,在右盘逐渐添加砝码,但他最后觉得需要移动游码才能使天平再次平衡,这是移动游码的作用其实相当于A、向左调节平衡螺母B、想右调节平衡螺母C、往右盘里增加砝码D、从右盘里减去砝码答案:右(或右侧)C(09江苏).用托盘天平测量铜块质量时,应将天平放在桌面上,游码移到标尺的零刻度处,若天平的指针静止在图甲所示位置,则可将平衡螺母向(选填“左”或“右”)调节,使天平平衡.测量中,当右盘所加砝码和游码位置如图乙所示时天平平衡,则该铜块的质量为g.答案:水平右52.4(09福州).小明用天平和量杯测一块寿山石的密度。在调节天平时,发现指针偏向分度盘的左侧(如图19所示),此时应将平衡螺母向(选填“左”或“右”)端调。然后用调节好的天平测寿山石的质量,天平平衡时右盘砝码的质量、游码在标尺上的位置如图20所示,寿山石的质量为g,再用量杯测出它的体积为20cm3,则寿山石的密度是g/cm3。102345g50g答案:右53.42.62(09山东临沂).在“用天平和量筒测矿石的密度”实验中,赵鑫同学设计的实验步骤是:①在量筒中倒入适量的水,液面示数为V1②把矿石浸没在量筒内的水中,此时液面示数为V2③用天平测出矿石的质量为m④计算出矿石的密度(1)为了更准确地测出矿石的密度,你认为以上操作的合理顺序是________________。(填数字代号)(2)用已调好的天平测矿石的质量,当天平平衡时,放在右盘中的砝码和游码在标尺上的位置如图所示,则矿石的质量______g,若所测得矿石的体积是20cm3,矿石的密度为_____kg/m3。答案:(1)③①②④(或①③②④)(2)83.44.17×103(09威海).下面是小方设计的“测食用油密度”的实验方案:用天平测出空烧杯的质量m1,向烧杯内倒入适量食用油,再测出烧杯和食用油的总质量m2,然后把烧杯内的食用油全部倒入量筒内,读出量筒内食用油的体积为V1,根据他的设计,回答下面的问题:(1)按该实验方案进行测量,食用油密度的表达式是,上述实验方案存在的问题是误差较大,试分析产生误差较大的主要原因。(2)请你将上述实验方案进行改进并补充填写实验内容于下表,并将图21中实验的数据及测量结果填入表中对应的下一行。烧杯和食用油的总质量/g33.3答案:(1)ρ=(m2-m1)/V1;实验中未能将所有液体倒入到量筒中,导致所测油的体积偏小而使误差偏大(2)如下表图21图20图19(09南昌).同学们在实验室里测某种小矿石的密度,选用天平、量筒、小矿石、细线、烧杯和水,进行了如下的实验操作:A.将小矿石用细线系好后慢慢地放入量筒中并记下总的体积.B.把游码放在标尺的零刻度线处,调节横梁上的螺母,使横梁平衡.C.把天平放在水平桌面上.D.将小矿石放在左盘中,在右盘中增减砝码并移动游码直至横梁平衡.E.在量筒中倒入适量的水并记下水的体积.⑴正确的实验操作顺序是(只填字母序号).⑵在调节天平时,发现指针位置如图14甲所示,此时应将平衡螺母向调(选填“左”或“右”).⑶用调节好的天平称小矿石的质量.天平平衡时,放在右盘中的砝码和游码的位置如图14乙所示;量筒量出小矿石的体积如图14丙所示,由此可知,小矿石的密度ρ=kg/m3.⑷实验中...

1、当您付费下载文档后,您只拥有了使用权限,并不意味着购买了版权,文档只能用于自身使用,不得用于其他商业用途(如 [转卖]进行直接盈利或[编辑后售卖]进行间接盈利)。
2、本站所有内容均由合作方或网友上传,本站不对文档的完整性、权威性及其观点立场正确性做任何保证或承诺!文档内容仅供研究参考,付费前请自行鉴别。
3、如文档内容存在违规,或者侵犯商业秘密、侵犯著作权等,请点击“违规举报”。

碎片内容

中考物理试题汇编全集

您可能关注的文档

确认删除?
VIP
微信客服
  • 扫码咨询
会员Q群
  • 会员专属群点击这里加入QQ群
客服邮箱
回到顶部